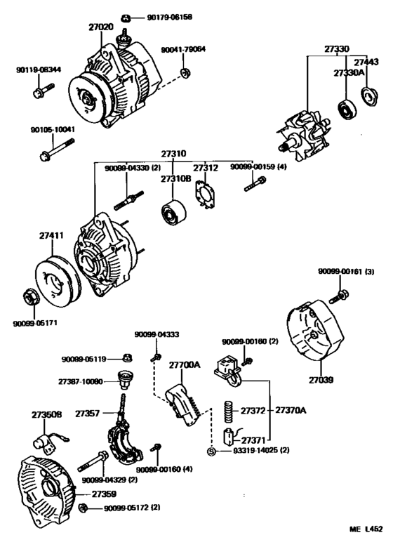
Alternator ([08.1988 - ] 12V 45A (8808- )3B) Diagram Toyota LAND CRUISER
- Year
- 1987 - 1990
- Sales region
- General
- Frame
- BJ60
- grade
- STD
- Roof
- SRF
- ENGINE
- 3B
- TRANSMISSION
- MTM
- DESTINATION
- GEN
- Model
- LAND CRUISER 60
- From
- 08.1987
- To
- 01.1990
- Gear Shift Type
- 4F
- Vehicle Model
- Land Cruiser
- Back Door
- SOB
- Driver's Position
- RHD
- Fuel Induction
- DSL
Difficulties in parts search?
Difficulties in parts search?
| Description | OEM Part # | Price | |||
|---|---|---|---|---|---|
|
27020
|
27020
27020-56160
Alternator Assy
[08.1987 - 08.1988] 3B..BJ60 12V 40A,12V 40A,W(POWER STEERING) |
27020-56160 |
— | ||
| replacement | |||||
|
27020
|
27020
27020-56280
Alternator Assy
[08.1987 - 08.1988] 3B..BJ60 12V 40A,12V 40A,W(POWER STEERING) |
27020-56280 |
— | ||
|
27020
|
27020
27020-56210
Alternator Assy
[08.1987 - 08.1988] 3B..BJ60 12V 40A |
27020-56210 |
— | ||
|
27020
|
27020
27060-58070 Alternator Assy[08.1988 - 11.1990] 3B..BJ60 12V 45A |
27060-58070 |
US $1,359.90 |
||
|
27039
|
27039
27039-72150
Cover, Alternator Rear End
[08.1988 - 01.1990] 3B..BJ60 |
27039-72150 |
— | ||
|
27310
|
27310
27310-56140
Frame Assy, Drive End, Alternator
[08.1987 - 08.1988] 3B..BJ60 |
27310-56140 |
— | ||
|
27310
|
27310
27310-56160
Frame Assy, Drive End, Alternator
[08.1987 - 08.1988] 3B..BJ60 W(POWER STEERING) |
27310-56160 |
— | ||
|
27310
|
27310
27310-72150
Frame Assy, Drive End, Alternator
[08.1988 - 10.1991] 3B..BJ60 |
27310-72150 |
— | ||
| replacement | |||||
|
27310
|
27310
27310-72151
Frame Assy, Drive End, Alternator
[08.1988 - 10.1991] 3B..BJ60 |
27310-72151 |
— | ||
|
27310B
|
27310B
90099-10137 Bearing(For Alternator Drive End Frame)[08.1987 - 08.1988] 3B,2H..BJ60,HJ60..GEN,ME |
90099-10137 |
US $12.58 |
||
|
27310B
|
27310B
90099-10170
Bearing(For Alternator Drive End Frame)
[08.1988 - 01.1990] 3B..BJ60 |
90099-10170 |
— | ||
| replacement | |||||
|
27310B
|
27310B
90099-10229 Bearing(For Alternator Drive End Frame)[08.1988 - 01.1990] 3B..BJ60 |
90099-10229 |
US $13.80 |
||
|
27312
|
27312
27312-57060
Plate, Bearing Retainer, Alternator
[08.1987 - 08.1988] 3B,2H..BJ60,HJ60..GEN,ME |
27312-57060 |
— | ||
|
27312
|
27312
27312-72120
Plate, Bearing Retainer, Alternator
[08.1988 - 01.1990] 3B..BJ60 |
27312-72120 |
— | ||
|
27330
|
27330
27330-56140
Rotor Assy, Alternator
[08.1987 - 08.1988] 3B,2H..BJ60,HJ60..SOB..(GEN,ME) |
27330-56140 |
— | ||
| replacement | |||||
|
27330
|
27330
27330-54200
Rotor Assy, Alternator
[08.1987 - 08.1988] 3B,2H..BJ60,HJ60..SOB..(GEN,ME) |
27330-54200 |
— | ||
|
27330
|
27330
27330-72150
Rotor Assy, Alternator
[08.1988 - 01.1990] 3B..BJ60 |
27330-72150 |
— | ||
|
27330A
|
27330A
90099-10154 Bearing(For Alternator Rotor)[08.1988 - 01.1990] 3B..BJ60 |
90099-10154 |
from US $10.48 |
||
|
27350B
|
27350B
90099-52082 Condenser, Alternator[08.1987 - 10.1987] 2H..HJ60..ARL;12HT,3B..BJ60,HJ61; 2H..HJ60..HRF W(DUAL AIR CONDITIONER); 2H..HJ60..SRF..LUB..GEN W(DUAL AIR CONDITIONER) |
90099-52082 |
US $10.19 |
||
|
27350B
|
27350B
90099-52099 Condenser, Alternator[08.1988 - 01.1990] 3B..BJ60 |
90099-52099 |
US $16.45 |
||
|
27357
|
27357
27357-54190
Holder, Alternator, W/rectifier
[08.1987 - 08.1988] 3B,2H..BJ60,HJ60..GEN,ME |
27357-54190 |
— | ||
|
27357
|
27357
27357-72150
Holder, Alternator, W/rectifier
[08.1988 - 01.1990] 3B..BJ60 |
27357-72150 |
— | ||
|
27359
|
27359
27359-72150
Frame, Alternator Rectifier End
[08.1988 - 01.1990] 3B..BJ60 |
27359-72150 |
— | ||
|
27370A
|
27370A
27370-56100
Holder Assy, Alternator Brush
[10.1987 - 08.1988] 3B..BJ60 |
27370-56100 |
— | ||
|
27370A
|
27370A
27370-57060
Holder Assy, Alternator Brush
[08.1987 - 10.1987] 3B..BJ60 |
27370-57060 |
— | ||
|
27370A
|
27370A
27370-63021
Holder Assy, Alternator Brush
[08.1988 - 01.1990] 3B..BJ60 |
27370-63021 |
— | ||
| replacement | |||||
|
27370A
|
27370A
27370-35060 Holder Assy, Alternator Brush[08.1988 - 01.1990] 3B..BJ60 |
27370-35060 |
from US $16.80 |
||
|
27371
|
27371
27371-56070
Brush, Alternator
[08.1987 - 08.1988] 12HT,3B,2H..BJ60,HJ6# |
27371-56070 |
— | ||
| replacement | |||||
|
27371
|
27371
27371-54412 Brush, Alternator[08.1987 - 08.1988] 12HT,3B,2H..BJ60,HJ6# |
27371-54412 |
from US $3.32 |
||
|
27371
|
27371
27371-63020
Brush, Alternator
[08.1988 - 01.1990] 3B..BJ60 |
27371-63020 |
— | ||
| replacement | |||||
|
27371
|
27371
27371-70300 Brush, Alternator[08.1988 - 01.1990] 3B..BJ60 |
27371-70300 |
from US $2.97 |
||
|
27372
|
27372
27372-56070
Spring, Alternator Brush
[08.1987 - 08.1988] 12HT,3B,2H..BJ60,HJ6# |
27372-56070 |
— | ||
|
27372
|
27372
27372-63020
Spring, Alternator Brush
[08.1988 - 11.1990] 3B..BJ60 |
27372-63020 |
— | ||
| replacement | |||||
|
27372
|
27372
27372-87501
Spring, Alternator Brush
[08.1988 - 11.1990] 3B..BJ60 |
27372-87501 |
— | ||
|
27411
|
27411
27411-57060
Pulley, Alternator
[08.1987 - 08.1988] 3B..BJ60 |
27411-57060 |
— | ||
|
27411
|
27411
27411-58060
Pulley, Alternator
[08.1988 - 01.1990] 3B..BJ60 |
27411-58060 |
— | ||
|
27443
|
27443
27443-63020 Cover, Alternator Bearing[08.1988 - 01.1990] 3B..BJ60 |
27443-63020 |
from US $1.12 |
||
|
27700A
|
27700A
27700-15020
Regulator Assy, Generator
[08.1987 - 08.1988] 3B,3F,2H..BJ60,FJ62,HJ60..GEN,ME |
27700-15020 |
— | ||
|
27700A
|
27700A
27700-58030 Regulator Assy, GeneratorGENERATOR [08.1988 - 01.1990] 3B..BJ60 |
27700-58030 |
US $269.36 |
||
| replacement | |||||
|
27700A
|
27700A
27700-66010 Regulator Assy, Generator[08.1988 - 01.1990] 3B..BJ60 |
27700-66010 |
US $263.54 |
||
|
2738710080
|
2738710080
27387-10080
Insulator, Terminal
|
27387-10080 |
— | ||
|
9004179064
|
9004179064
90041-79064
New Genuine Part
|
90041-79064 |
— | ||
|
9009900159
|
9009900159
90099-00159
New Genuine Part
|
90099-00159 |
— | ||
|
9009900160
|
9009900160
90099-00160
Bearing(For Alternator Rotor)
|
90099-00160 |
— | ||
| replacement | |||||
|
9009900160
|
9009900160
90099-00197 Screw |
90099-00197 |
from US $0.28 |
||
|
9009900161
|
9009900161
90099-00161
New Genuine Part
|
90099-00161 |
— | ||
|
9009904329
|
9009904329
90099-04329
New Genuine Part
|
90099-04329 |
— | ||
|
9009904330
|
9009904330
90099-04330
New Genuine Part
|
90099-04330 |
— | ||
|
9009904333
|
9009904333
90099-04333
New Genuine Part
|
90099-04333 |
— | ||
| replacement | |||||
|
9009904333
|
9009904333
27795-87501
New Genuine Part
|
27795-87501 |
— | ||
|
9009905119
|
9009905119
90099-05119
New Genuine Part
|
90099-05119 |
— | ||
|
9009905171
|
9009905171
90099-05171 Nut(For Alternator Pulley) |
90099-05171 |
US $1.12 |
||
|
9009905172
|
9009905172
90099-05172
New Genuine Part
|
90099-05172 |
— | ||
|
9010510041
|
9010510041
90105-10041
New Genuine Part
|
90105-10041 |
— | ||
|
9011908344
|
9011908344
90119-08344 New Genuine Part |
90119-08344 |
US $1.40 |
||
|
9017906158
|
9017906158
90179-06158 Nut, Rear Wiper Link Pivot, No.2 |
90179-06158 |
from US $0.95 |
||
|
9331914025
|
9331914025
93319-14025 Screw W Washer |
93319-14025 |
US $1.25 |
||