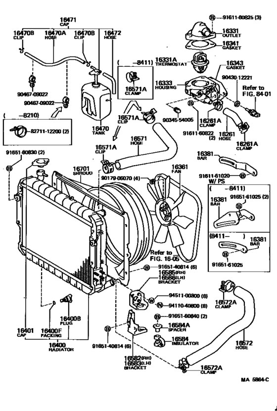
Radiator & Water Outlet ([10.1981 - 08.1986] (8110-8608)3B) Diagram Toyota LAND CRUISER
- Year
- 1980 - 1982
- Sales region
- Japan
- Frame
- BJ60
- body
- WGV
- Roof
- SRF
- ENGINE
- 3B
- TRANSMISSION
- MTM
- Model
- LAND CRUISER 60
- From
- 08.1980
- To
- 10.1982
- Gear Shift Type
- 4F
- Vehicle Model
- Land Cruiser VAN
- Back Door
- VKC
- Fuel Induction
- DSL
- Building Condition
- CBU
Difficulties in parts search?
Difficulties in parts search?
| Description | OEM Part # | Price | |||
|---|---|---|---|---|---|
|
16261
|
16261
16261-56011
Hose, Water By-Pass
[08.1980 - 10.1981] 3B..BJ60 |
16261-56011 |
— | ||
| replacement | |||||
|
16261
|
16261
16261-56012 Hose, Water By-Pass[08.1980 - 10.1981] 3B..BJ60 |
16261-56012 |
from US $9.90 |
||
|
16261
|
16261
16261-56012 Hose, Water By-Pass[10.1981 - 08.1986] 3B..BJ6# |
16261-56012 |
from US $9.90 |
||
|
16261A
|
16261A
90044-60053 Clamp Or Clip, Hose(For Water By-Pass Hose)[08.1980 - 08.1986] 3B..BJ6# |
90044-60053 |
US $4.12 |
||
|
16331
|
16331
16331-56020 Outlet, Water[08.1980 - 10.1981] 3B..BJ60 |
16331-56020 |
from US $46.48 |
||
|
16331
|
16331
16331-56030
Outlet, Water
[10.1981 - 08.1986] 3B..BJ6# |
16331-56030 |
— | ||
|
16331A
|
16331A
90916-03039
Thermostat
[08.1980 - 10.1980] 3B..BJ60 *WAX 82−95,*WAX 82-95 |
90916-03039 |
— | ||
| replacement | |||||
|
16331A
|
16331A
90916-03102 Thermostat[08.1980 - 10.1980] 3B..BJ60 *WAX 82−95,*WAX 82-95 |
90916-03102 |
from US $19.82 |
||
|
16331A
|
16331A
90916-03058
Thermostat
[10.1980 - 04.1982] 3B..BJ60 *WAX 82−95,*WAX 82-95 |
90916-03058 |
— | ||
| replacement | |||||
|
16331A
|
16331A
90916-03102 Thermostat[10.1980 - 04.1982] 3B..BJ60 *WAX 82−95,*WAX 82-95 |
90916-03102 |
from US $19.82 |
||
|
16331A
|
16331A
90916-03059
Thermostat
[10.1981 - 08.1986] 3B..BJ6# *WAX 88−100,*WAX 88-100 |
90916-03059 |
— | ||
| replacement | |||||
|
16331A
|
16331A
90916-03103 Thermostat[10.1981 - 08.1986] 3B..BJ6# *WAX 88−100,*WAX 88-100 |
90916-03103 |
from US $37.09 |
||
|
16331A
|
16331A
90916-03066
Thermostat
[04.1982 - 11.1984] 3B..BJ6# *WAX 82−95,*WAX 82-95 |
90916-03066 |
— | ||
| replacement | |||||
|
16331A
|
16331A
90916-03102 Thermostat[04.1982 - 11.1984] 3B..BJ6# *WAX 82−95,*WAX 82-95 |
90916-03102 |
from US $19.82 |
||
|
16333
|
16333
16333-56040
Housing, Water Outlet
[08.1980 - 10.1981] 3B..BJ60 |
16333-56040 |
— | ||
|
16333
|
16333
16333-56060
Housing, Water Outlet
[10.1981 - 08.1986] 3B..BJ6# |
16333-56060 |
— | ||
| replacements | |||||
|
16333
|
16333
16333-58080 Housing, Water Outlet[10.1981 - 08.1986] 3B..BJ6# |
16333-58080 |
from US $59.57 |
||
|
16333
|
16333
16341-56030 Gasket, Water Outlet[10.1981 - 08.1986] 3B..BJ6# |
16341-56030 |
from US $2.51 |
||
|
16333
|
16333
16343-56023 Gasket, Water Outlet Housing[10.1981 - 08.1986] 3B..BJ6# |
16343-56023 |
from US $3.29 |
||
|
16333
|
16333
90341-12006 Plug(For Water Outlet)[10.1981 - 08.1986] 3B..BJ6# |
90341-12006 |
US $4.54 |
||
|
16333
|
16333
90430-12221 Gasket[10.1981 - 08.1986] 3B..BJ6# |
90430-12221 |
from US $1.05 |
||
|
16333
|
16333
92122-60832 Bolt, Stud(For Oil Strainer)[10.1981 - 08.1986] 3B..BJ6# |
92122-60832 |
from US $1.61 |
||
|
16333
|
16333
94185-60800 NUT[10.1981 - 08.1986] 3B..BJ6# |
94185-60800 |
from US $0.80 |
||
|
16341
|
16341
16341-56020
Gasket, Water Outlet
[08.1980 - 08.1986] 3B..BJ6# |
16341-56020 |
— | ||
| replacement | |||||
|
16341
|
16341
16341-56021 Gasket, Water Outlet[08.1980 - 08.1986] 3B..BJ6# |
16341-56021 |
from US $3.71 |
||
|
16343
|
16343
16343-56020
Gasket, Water Outlet Housing
[08.1980 - 08.1986] 3B..BJ6# |
16343-56020 |
— | ||
| replacement | |||||
|
16343
|
16343
16343-56023 Gasket, Water Outlet Housing[08.1980 - 08.1986] 3B..BJ6# |
16343-56023 |
from US $3.29 |
||
|
16361
|
16361
16361-41070 Fan[08.1980 - 08.1986] 3B..BJ6# |
16361-41070 |
US $99.01 |
||
| replacement | |||||
|
16361
|
16361
16361-41071 Fan[08.1980 - 08.1986] 3B..BJ6# |
16361-41071 |
from US $75.05 |
||
|
16381
|
16381
16381-56030
Bar, Fan Belt Adjusting
[08.1980 - 08.1986] 3B..BJ6# |
16381-56030 |
— | ||
|
16381
|
16381
16381-56050
Bar, Fan Belt Adjusting
[10.1981 - 11.1984] 3B..BJ6# W/POWER STEERING |
16381-56050 |
— | ||
|
16400
|
16400
16400-58010
Radiator Assy
[08.1980 - 10.1981] 3B..BJ60 |
16400-58010 |
— | ||
|
16400
|
16400
16400-58011 Radiator Assy[10.1981 - 11.1984] 3B..BJ6# |
16400-58011 |
US $1,167.71 |
||
| replacement | |||||
|
16400
|
16400
16400-58180 Radiator Assy[10.1981 - 11.1984] 3B..BJ6# |
16400-58180 |
US $1,167.71 |
||
|
16400B
|
16400B
16417-24200 Plug, Radiator Drain Cock[08.1980 - 08.1987] 3B..BJ6#; 2F,3F..FJ6#; 12HT,2H..HJ6# |
16417-24200 |
from US $3.50 |
||
|
16400F
|
16400F
16418-24200 Packing(For Radiator Drain Cock)[08.1980 - 08.1987] 3B..BJ6#; 2F,3F..FJ6#; 12HT,2H..HJ6# |
16418-24200 |
from US $1.24 |
||
|
16401
|
16401
16401-41021 Cap Sub-Assy, Radiator[08.1980 - 11.1984] 3B..BJ6#; 2F..FJ6#; 2H..HJ60 |
16401-41021 |
from US $21.67 |
||
|
16470
|
16470
16480-90A00 Tank Assy, Radiator Reserve[08.1980 - 08.1987] 3B..BJ6#; 2F,3F..FJ6#; 12HT,2H..HJ6# |
16480-90A00 |
from US $58.46 |
||
|
16470A
|
16470A
90445-12002
Hose Or Pipe(For Radiator Reserve Tank)
[08.1980 - 10.1981] 3B..BJ60 *H,L=260 |
90445-12002 |
— | ||
| replacement | |||||
|
16470A
|
16470A
90445-12078 Hose(For Radiator Breather)[08.1980 - 10.1981] 3B..BJ60 *H,L=260 |
90445-12078 |
from US $6.57 |
||
|
16470A
|
16470A
90445-12046 Hose Or Pipe(For Radiator Reserve Tank)[10.1981 - 08.1986] 3B..BJ6# *H,L=760 |
90445-12046 |
US $10.77 |
||
| replacement | |||||
|
16470A
|
16470A
90099-33534 Hose Or Pipe(For Radiator Reserve Tank)[10.1981 - 08.1986] 3B..BJ6# *H,L=760 |
90099-33534 |
US $5.42 |
||
|
16470B
|
16470B
90467-11085 Clamp Or Clip(For Radiator Breather Hose)[08.1980 - 08.1987] 3B..BJ6#; 2F,3F..FJ6#; 12HT,2H..HJ6# |
90467-11085 |
from US $0.70 |
||
|
16471
|
16471
16405-90A02
Cap Sub-Assy, Reserve Tank
[08.1980 - 10.1981] 3B..BJ60 |
16405-90A02 |
— | ||
| replacement | |||||
|
16471
|
16471
16405-90A03
Cap Sub-Assy, Reserve Tank
[08.1980 - 10.1981] 3B..BJ60 |
16405-90A03 |
— | ||
|
16471
|
16471
16405-90A04
Cap Sub-Assy, Reserve Tank
[10.1981 - 08.1986] 3B..BJ6# |
16405-90A04 |
— | ||
| replacement | |||||
|
16471
|
16471
16405-90A03
Cap Sub-Assy, Reserve Tank
[10.1981 - 08.1986] 3B..BJ6# |
16405-90A03 |
— | ||
|
16472
|
16472
85338-22020 Hose, Breather[08.1980 - 08.1987] 3B..BJ6#; 2F,3F..FJ6#; 12HT,2H..HJ6# |
85338-22020 |
US $2.45 |
||
|
16571
|
16571
16571-58010
Hose, Radiator, Inlet
[08.1980 - 10.1981] 3B..BJ60 |
16571-58010 |
— | ||
|
16571
|
16571
16571-58011
Hose, Radiator, Inlet
[10.1981 - 08.1986] 3B..BJ6# |
16571-58011 |
— | ||
|
16571A
|
16571A
90460-50016
Clamp Or Clip, Hose(For Radiator Inlet)
[08.1980 - 11.1984] 3B..BJ6#; 2H..HJ60 |
90460-50016 |
— | ||
| replacement | |||||
|
16571A
|
16571A
96111-10500 Clamp, Sub Radiator Inlet Hose[08.1980 - 11.1984] 3B..BJ6#; 2H..HJ60 |
96111-10500 |
from US $2.15 |
||
|
16572
|
16572
16572-58010
Hose, Radiator, Outlet
[08.1980 - 08.1986] 3B..BJ6# |
16572-58010 |
— | ||
|
16572A
|
16572A
90460-50016
Clamp Or Clip, Hose(For Radiator Inlet)
[08.1980 - 08.1986] 3B..BJ6# RADIATOR SIDE |
90460-50016 |
— | ||
| replacement | |||||
|
16572A
|
16572A
96111-10500 Clamp, Sub Radiator Inlet Hose[08.1980 - 08.1986] 3B..BJ6# RADIATOR SIDE |
96111-10500 |
from US $2.15 |
||
|
16572A
|
16572A
96111-10560 Clamp Or Clip, Hose(For Radiator Outlet No.1)[08.1980 - 08.1986] 3B..BJ6# WATER PUMP SIDE |
96111-10560 |
US $4.12 |
||
|
16582
|
16582
16582-61010 Bracket, Radiator, No.1[08.1980 - 08.1987] 3B..BJ6#; 3F..FJ62; 12HT,2H..HJ6# |
16582-61010 |
US $37.13 |
||
|
16583
|
16583
16583-61010 Bracket, Radiator, No.2[08.1980 - 08.1987] 3B..BJ6#; 3F..FJ62; 12HT,2H..HJ6# |
16583-61010 |
US $37.13 |
||
|
16584
|
16584
16584-61010
Insulator, Radiator Mounting
[08.1980 - 08.1987] 3B..BJ6#; 2F,3F..FJ6#; 12HT,2H..HJ6# |
16584-61010 |
— | ||
|
16584A
|
16584A
90561-09005
Spacer, Radiator Mounting Insulator
[08.1980 - 08.1987] 3B..BJ6#; 2F,3F..FJ6#; 12HT,2H..HJ6# |
90561-09005 |
— | ||
|
16585
|
16585
16585-61010 Bracket, Radiator, No.3[08.1980 - 08.1987] 3B..BJ6#; 2F,3F..FJ6#; 12HT,2H..HJ6# |
16585-61010 |
US $30.87 |
||
|
16586
|
16586
16586-61010 Bracket, Radiator, No.4[08.1980 - 08.1987] 3B..BJ6#; 2F,3F..FJ6#; 12HT,2H..HJ6# |
16586-61010 |
US $30.87 |
||
|
16701
|
16701
16711-58010 Shroud Sub-Assy, FanFAN [08.1980 - 12.1981] 3B..BJ60 |
16711-58010 |
US $203.84 |
||
| replacement | |||||
|
16701
|
16701
16711-58040
Shroud Sub-Assy, Fan
[08.1980 - 12.1981] 3B..BJ60 |
16711-58040 |
— | ||
|
16701
|
16701
16711-58011 Shroud Sub-Assy, FanFAN [12.1981 - 11.1984] 3B..BJ6# |
16711-58011 |
US $203.84 |
||
| replacement | |||||
|
16701
|
16701
16711-58040
Shroud Sub-Assy, Fan
[12.1981 - 11.1984] 3B..BJ6# |
16711-58040 |
— | ||
|
8271112200
|
8271112200
82711-12200 Clamp (For Fuel Lid Lock Control Cable) |
82711-12200 |
US $2.15 |
||
|
9017906070
|
9017906070
90179-06070
Nut(For Steering Inter Shaft Dust Seal Cover)
|
90179-06070 |
— | ||
| replacement | |||||
|
9017906070
|
9017906070
90179-06159 Nut, Rear Wiper Link Pivot, No.1 |
90179-06159 |
from US $0.57 |
||
|
9034554005
|
9034554005
90345-54005 Plug, W/head Taper Screw, No.1 |
90345-54005 |
from US $3.80 |
||
|
9043012221
|
9043012221
90430-12221 Gasket |
90430-12221 |
from US $1.05 |
||
|
9046709022
|
9046709022
90467-09022 New Genuine Part |
90467-09022 |
US $2.80 |
||
|
9161160822
|
9161160822
91611-60822 Bolt |
91611-60822 |
from US $1.16 |
||
|
9161160825
|
9161160825
91611-60825
Bolt(For Head To Camshaft Bearing Cap)
|
91611-60825 |
— | ||
| replacement | |||||
|
9161160825
|
9161160825
91611-B0825 Bolt(For Clutch Release Cylinder Setting) |
91611-B0825 |
from US $1.08 |
||
|
9161161020
|
9161161020
91611-61020 Bolt(For Transaxle & Engine Setting) |
91611-61020 |
US $0.68 |
||
| replacement | |||||
|
9161161020
|
9161161020
91612-B1020 Bolt (For Transfer Case)Cover No.2 |
91612-B1020 |
from US $1.05 |
||
|
9165140814
|
9165140814
91651-40814 BOLT |
91651-40814 |
from US $1.20 |
||
| replacement | |||||
|
9165140814
|
9165140814
90080-11228 New Genuine Part |
90080-11228 |
US $3.20 |
||
|
9165160830
|
9165160830
91651-60830 Bolt (For Transfer Power Take-Off Cover) |
91651-60830 |
from US $1.58 |
||
|
9165160840
|
9165160840
91651-60840 BOLT |
91651-60840 |
US $1.61 |
||
|
9165161025
|
9165161025
91651-61025 Bolt with washer |
91651-61025 |
from US $1.48 |
||
|
9411040800
|
9411040800
94110-40800
Nut(For Steering Damper)
|
94110-40800 |
— | ||
| replacement | |||||
|
9411040800
|
9411040800
94130-00802 Nut, No.1 (For Center Support Bearing) |
94130-00802 |
from US $0.87 |
||
|
9451100800
|
9451100800
94511-00800 WASHERSPRING |
94511-00800 |
US $1.79 |
||