Winch Kit ([08.1980 - 10.1982] (8008-8210)) Diagram Toyota LAND CRUISER
- Year
- 1981 - 1982
- Sales region
- Japan
- Frame
- BJ60
- body
- WGV
- Roof
- SRF
- ENGINE
- 3B
- TRANSMISSION
- MTM
- Model
- LAND CRUISER 60
- From
- 10.1981
- To
- 10.1982
- Gear Shift Type
- 4F
- Vehicle Model
- Land Cruiser VAN
- Back Door
- VLS
- Fuel Induction
- DSL
- Building Condition
- CBU
Difficulties in parts search?
Parts list
Difficulties in parts search?
| Description | OEM Part # | Price | |||
|---|---|---|---|---|---|
|
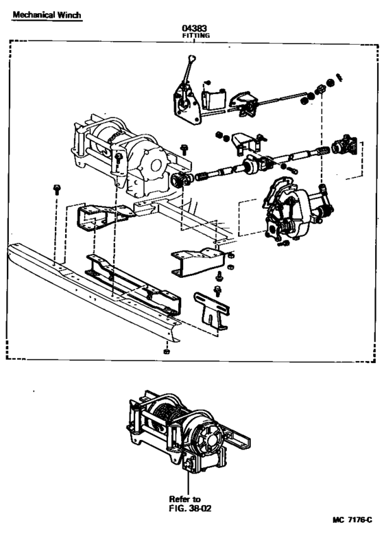
04383
|
04383
04383-60070
Fitting Kit, No.1, Winch
[08.1980 - 11.1984] BJ6#,FJ6#,HJ60 ELECTRIC |
04383-60070 |
— | ||
|
04383
|
04383
04383-60080
Fitting Kit, No.1, Winch
[08.1980 - 10.1982] BJ60,FJ60 MECHANICAL |
04383-60080 |
— |