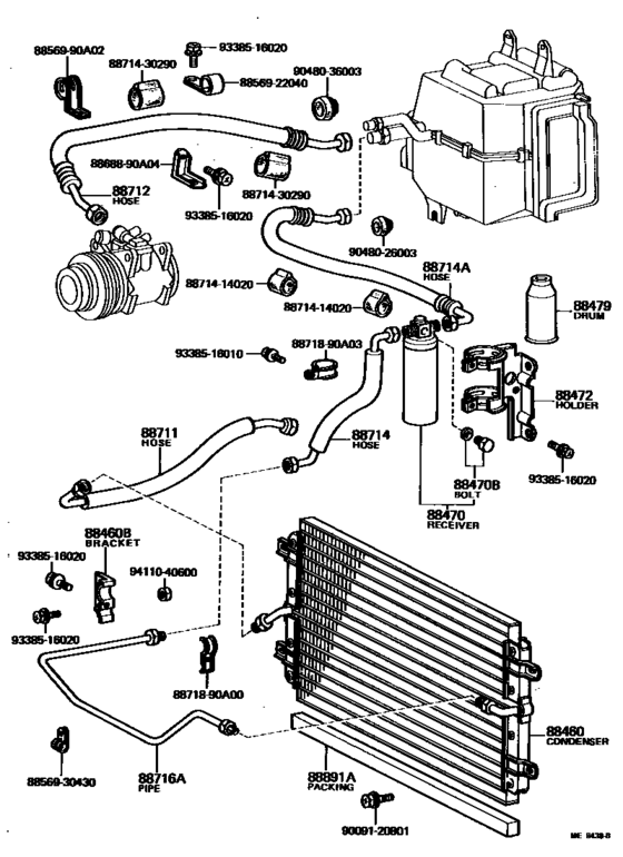
Heating & Air Conditioning - Cooler Piping ([08.1980 - 11.1984] (8008-8411)FJ60..LHD) Diagram Toyota LAND CRUISER
- Year
- 1982 - 1984
- Sales region
- Europe
- Frame
- FJ60
- body
- WGG
- Roof
- HRF
- ENGINE
- 2F
- TRANSMISSION
- MTM
- DESTINATION
- GEN
- Model
- LAND CRUISER 60
- From
- 10.1982
- To
- 11.1984
- Gear Shift Type
- 4F
- Vehicle Model
- Land Cruiser
- Back Door
- LUB
- Driver's Position
- LHD
- Fuel Induction
- CBR
Difficulties in parts search?
Difficulties in parts search?
| Description | OEM Part # | Price | |||
|---|---|---|---|---|---|
|
88460
|
88460
88460-90A00
Condenser Assy, Cooler
[08.1980 - 11.1984] BJ60,FJ60..ARL,GEN |
88460-90A00 |
— | ||
|
88460B
|
88460B
88688-90A00
Bracket, Cooler Condenser, No.1
[08.1980 - 11.1984] BJ60,FJ60..ARL,GEN RH; HJ60..LHD..GEN RH |
88688-90A00 |
— | ||
|
88470
|
88470
88470-14010
Receiver & Dryer Assy, Cooler
[08.1980 - 08.1987] BJ60,FJ6#,HJ6#..ARL,GEN,ME |
88470-14010 |
— | ||
| replacement | |||||
|
88470
|
88470
04884-33110 New Genuine Part[08.1980 - 08.1987] BJ60,FJ6#,HJ6#..ARL,GEN,ME |
04884-33110 |
US $85.28 |
||
|
88470B
|
88470B
90099-04579
Bolt, Fuse
[08.1980 - 08.1987] BJ60,FJ6#,HJ60..ARL,GEN,ME |
90099-04579 |
— | ||
| replacement | |||||
|
88470B
|
88470B
88475-12020
Bolt, Fuse
[08.1980 - 08.1987] BJ60,FJ6#,HJ60..ARL,GEN,ME |
88475-12020 |
— | ||
|
88472
|
88472
88472-90A01
Bracket, Receiver Tank, No.1
[08.1980 - 08.1987] BJ60,FJ6#,HJ60..LHD..(GEN,ME) |
88472-90A01 |
— | ||
|
88479
|
88479
90986-02001
Freon Gas, Air Conditioner (Drum, Cooler Refrigerant)
[08.1980 - 02.1987] BJ60,FJ6#,HJ6#..ARL,GEN,ME 400G |
90986-02001 |
— | ||
| replacements | |||||
|
88479
|
88479
90986-02004
Freon Gas, Air Conditioner (Drum, Cooler Refrigerant)
[08.1980 - 02.1987] BJ60,FJ6#,HJ6#..ARL,GEN,ME 400G |
90986-02004 |
— | ||
|
88479
|
88479
90986-02005
New Genuine Part
[08.1980 - 02.1987] BJ60,FJ6#,HJ6#..ARL,GEN,ME 400G |
90986-02005 |
— | ||
|
88711
|
88711
88711-90A00
Hose, Cooler Refrigerant Discharge, No.1
[08.1980 - 11.1984] FJ60..ARL,GEN |
88711-90A00 |
— | ||
|
88712
|
88712
88712-90A08 Hose, Cooler Refrigerant Suction, No.1COOLER REFRIGERANT SUCTION, NO.1 [08.1982 - 11.1984] FJ60..LHD..GEN |
88712-90A08 |
US $275.18 |
||
|
88714
|
88714
88721-90A02
Hose, Cooler Refrigerant Liquid, No.1
[08.1980 - 11.1984] FJ60..LHD..GEN |
88721-90A02 |
— | ||
|
88714A
|
88714A
88721-90A03
Hose, Cooler Refrigerant Liquid, No.2
[08.1980 - 11.1984] BJ60,FJ60,HJ60..LHD..GEN |
88721-90A03 |
— | ||
|
88716A
|
88716A
88716-90A01
Pipe, Cooler Refrigerant Liquid, A
[08.1980 - 11.1984] BJ60,FJ60..LHD..GEN |
88716-90A01 |
— | ||
|
88891A
|
88891A
88578-90A01
Packing A (For Cooler)
[08.1980 - 11.1984] FJ60..ARL,GEN |
88578-90A01 |
— | ||
| replacement | |||||
|
88891A
|
88891A
88578-90A02
Packing A (For Cooler)
[08.1980 - 11.1984] FJ60..ARL,GEN |
88578-90A02 |
— | ||
|
8856990A02
|
8856990A02
88569-90A02
Clamp (for Cooler Relay)
|
88569-90A02 |
— | ||
|
8868890A04
|
8868890A04
88688-90A04
Bracket, Cooler Diaphragm
|
88688-90A04 |
— | ||
|
8871890A00
|
8871890A00
88718-90A00
Pipe, Cooler Refrigerant Suction, No.2
|
88718-90A00 |
— | ||
|
8871890A03
|
8871890A03
88718-90A03
Pipe, Cooler Refrigerant Suction, No.2
|
88718-90A03 |
— | ||
|
8856922040
|
8856922040
88569-22040
Clamp (for Cooler Relay)
|
88569-22040 |
— | ||
|
8856930430
|
8856930430
88569-30430
Clamp (for Cooler Relay)
|
88569-30430 |
— | ||
|
8871414020
|
8871414020
88714-14020
Insulator, Cooler Refrigerant Hose, No.2
|
88714-14020 |
— | ||
|
8871430290
|
8871430290
88714-30290
Insulator, Cooler Refrigerant Hose, No.1
|
88714-30290 |
— | ||
|
9009120801
|
9009120801
90091-20801
New Genuine Part
|
90091-20801 |
— | ||
|
9048026003
|
9048026003
90480-26003 Grommet (For Cooler Unit) |
90480-26003 |
US $2.80 |
||
|
9048036003
|
9048036003
90480-36003 Grommet (For Cooler Unit) |
90480-36003 |
US $2.97 |
||
|
9338516010
|
9338516010
93385-16010 New Genuine Part |
93385-16010 |
US $1.97 |
||
|
9338516020
|
9338516020
93385-16020
New Genuine Part
|
93385-16020 |
— | ||
| replacement | |||||
|
9338516020
|
9338516020
93385-26020 New Genuine Part |
93385-26020 |
US $1.61 |
||
|
9411040600
|
9411040600
94110-40600 Nut, Rock |
94110-40600 |
from US $0.65 |
||