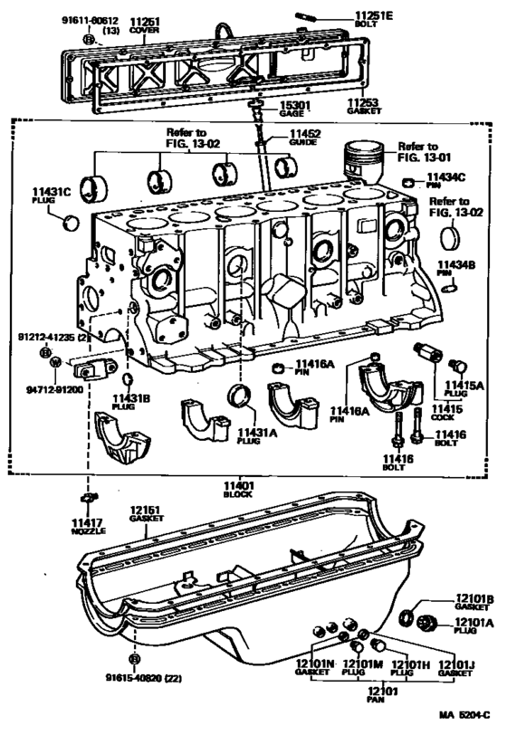
Cylinder Block ([11.1980 - 11.1984] (8011-8411)2F..IV4) Diagram Toyota LAND CRUISER
- Year
- 1980 - 1982
- Sales region
- Japan
- Frame
- FJ60
- body
- WGV
- Roof
- SRF
- ENGINE
- 2F
- TRANSMISSION
- MTM
- Model
- LAND CRUISER 60
- From
- 11.1980
- To
- 10.1982
- Gear Shift Type
- 4F
- Vehicle Model
- Land Cruiser VAN
- Back Door
- VKC
- Fuel Induction
- CBR
- Building Condition
- IV4
Difficulties in parts search?
Difficulties in parts search?
| Description | OEM Part # | Price | |||
|---|---|---|---|---|---|
|
11251
|
11251
11203-61011
Cover, Valve Push Rod
[08.1980 - 11.1984] 2F..FJ6# |
11203-61011 |
— | ||
|
11251E
|
11251E
90116-06306
Bolt, Stud(For Valve Push Rod Cover)
[08.1980 - 11.1984] 2F..FJ6# L=29,S=7&18,W/HEATER |
90116-06306 |
— | ||
|
11253
|
11253
11253-60010 Gasket, Valve Push Rod CoverVALVE PUSH ROD COVER [08.1980 - 11.1984] 2F..FJ6# |
11253-60010 |
from US $9.04 |
||
|
11401
|
11401
11401-69055 Block Sub-Assy, CylinderCYLINDER [08.1980 - 10.1984] 2F..FJ6# |
11401-69055 |
US $4,775.68 |
||
| replacements | |||||
|
11401
|
11401
11401-69056 Block Sub-Assy, CylinderCYLINDER [08.1980 - 10.1984] 2F..FJ6# |
11401-69056 |
US $4,542.72 |
||
|
11401
|
11401
90101-10132 New Genuine Part[08.1980 - 10.1984] 2F..FJ6# |
90101-10132 |
US $2.77 |
||
|
11401
|
11401
90101-10133
New Genuine Part
[08.1980 - 10.1984] 2F..FJ6# |
90101-10133 |
— | ||
|
11401
|
11401
91612-61040 Bolt(For Transmission Case & Engine Setting)[08.1980 - 10.1984] 2F..FJ6# |
91612-61040 |
US $2.33 |
||
|
11401
|
11401
92112-61028 Bolt, Stud(For Manifold To Cylinder Head)[08.1980 - 10.1984] 2F..FJ6# |
92112-61028 |
US $4.30 |
||
|
11415
|
11415
96431-03833
Cock Sub-Assy, Water Drain(For Cylinder Block)
[08.1980 - 07.1984] 3B..BJ6#; 2F..FJ6#; 2H..HJ60 |
96431-03833 |
— | ||
| replacement | |||||
|
11415
|
11415
96431-53828 Cock Sub-Assy, Water Drain(For Cylinder Block)[08.1980 - 07.1984] 3B..BJ6#; 2F..FJ6#; 2H..HJ60 |
96431-53828 |
US $8.12 |
||
|
11415A
|
11415A
96431-23814 Plug, Water Drain Cock(For Cylinder Block)[08.1980 - 07.1984] 3B..BJ6#; 2F..FJ6#; 2H..HJ60 |
96431-23814 |
from US $6.76 |
||
|
11416
|
11416
90910-02054 Bolt(For Crankshaft Bearing Cap Set)[08.1980 - 10.1984] 2F..FJ6# FR,*14-2.0PX67-29 |
90910-02054 |
US $5.82 |
||
| replacement | |||||
|
11416
|
11416
90105-14033
Bolt(For Crankshaft Bearing Cap Set)
[08.1980 - 10.1984] 2F..FJ6# FR,*14-2.0PX67-29 |
90105-14033 |
— | ||
|
11416
|
11416
90910-02057 Bolt(For Crankshaft Bearing Cap Set)[08.1980 - 11.1984] 2F..FJ6# RR,*12-1.75PX68-26 |
90910-02057 |
US $3.93 |
||
|
11416A
|
11416A
90253-16014
Pin, Ring(For Crankshaft Bearing Cap Set)
[08.1980 - 08.1987] 2F,3F..FJ6# NO.4 |
90253-16014 |
— | ||
|
11416A
|
11416A
90253-17007
Pin, Ring(For Crankshaft Bearing Cap Set)
[08.1980 - 06.1984] 2F..FJ6# NO.1.2.3 |
90253-17007 |
— | ||
|
11417
|
11417
90915-01014
Nozzle, Oil
[08.1980 - 08.1987] 2F,3F..FJ6# |
90915-01014 |
— | ||
|
11431A
|
11431A
96411-45000 Plug, Tight, No.1(For Cam Housing)[08.1980 - 08.1987] 2F,3F..FJ6# OD=50 |
96411-45000 |
from US $3.74 |
||
|
11431B
|
11431B
90330-24013
Plug, Tight, No.2(For Cylinder Block)
[08.1980 - 06.1984] 2F..FJ6# |
90330-24013 |
— | ||
|
11431C
|
11431C
96411-42500 Plug, Tight, No.1[08.1980 - 08.1987] 2F,3F..FJ6# OD=25 |
96411-42500 |
from US $2.95 |
||
|
11434B
|
11434B
90250-10192 Pin, Straight(For Timing Gear Cover Set)[08.1980 - 08.1987] 2F,3F..FJ6# 長さ=22,外径=10 |
90250-10192 |
from US $0.97 |
||
|
11434C
|
11434C
90253-17003 Pin, Ring(For Crankshaft Bearing Cap Set)[08.1980 - 08.1987] 2F,3F..FJ6# 長さ=7,外径=16.5 |
90253-17003 |
US $3.32 |
||
|
11452
|
11452
11452-60013
Guide, Oil Level Gage
[08.1980 - 10.1984] 2F..FJ6# |
11452-60013 |
— | ||
| replacement | |||||
|
11452
|
11452
11452-61010 Guide, Oil Level Gage[08.1980 - 10.1984] 2F..FJ6# |
11452-61010 |
from US $7.70 |
||
|
12101
|
12101
07041-11634
Pan Sub-Assy, Oil
[11.1980 - 11.1984] 2F..FJ6#..IV4 |
07041-11634 |
— | ||
|
12101A
|
12101A
90341-25054 Plug(For Oil Pan Drain)[08.1980 - 05.1982] 2F..FJ60 OD=25 |
90341-25054 |
from US $8.76 |
||
|
12101B
|
12101B
90430-25013
Gasket(For Oil Pan Drain Plug)
[08.1980 - 05.1982] 2F..FJ60 ID=25 |
90430-25013 |
— | ||
| replacement | |||||
|
12101B
|
12101B
90430-25003 Gasket(For Oil Pan Drain Plug)[08.1980 - 05.1982] 2F..FJ60 ID=25 |
90430-25003 |
from US $1.24 |
||
|
12101H
|
12101H
90341-18050 Plug(For Oil Heater Houl)[11.1980 - 11.1984] 2F..FJ6#..IV4 |
90341-18050 |
US $3.32 |
||
|
12101J
|
12101J
90430-18152 Gasket(For Cylinder Head Screw Plug)[11.1980 - 08.1987] 2F,3F..FJ6#..IV4 |
90430-18152 |
US $2.48 |
||
|
12101M
|
12101M
07041-12610
Plug(For Oil Heater Thermostat Hole)
[11.1980 - 11.1984] 2F..FJ6#..IV4 |
07041-12610 |
— | ||
|
12101N
|
12101N
90430-16231 Gasket(For Oil Heater Thermostat Hole Plug)[11.1980 - 11.1984] 2F..FJ6#..IV4 |
90430-16231 |
US $2.18 |
||
|
12151
|
12151
12151-60021
Gasket, Oil Pan
[08.1980 - 11.1984] 2F..FJ6# |
12151-60021 |
— | ||
| replacement | |||||
|
12151
|
12151
12151-61010 Gasket, Oil Pan[08.1980 - 11.1984] 2F..FJ6# |
12151-61010 |
from US $36.79 |
||
|
15301
|
15301
15301-60031 Gage Sub-Assy, Oil Level[08.1980 - 08.1987] 2F,3F..FJ6# |
15301-60031 |
from US $13.49 |
||
|
9121241235
|
9121241235
91212-41235
New Genuine Part
|
91212-41235 |
— | ||
|
9161160612
|
9161160612
91611-60612
Bolt(For Dust Cover To Steering Knuckle Arm Setting)
|
91611-60612 |
— | ||
| replacement | |||||
|
9161160612
|
9161160612
91611-G0612 Bolt(For Dust Cover To Steering Knuckle Arm Setting) |
91611-G0612 |
from US $0.76 |
||
|
9161540820
|
9161540820
91615-40820 Bolt (for Transmission Control Cable Bracket) |
91615-40820 |
US $2.04 |
||
| replacement | |||||
|
9161540820
|
9161540820
91611-B0816 Bolt |
91611-B0816 |
from US $0.99 |
||
|
9471291200
|
9471291200
94712-91200
New Genuine Part
|
94712-91200 |
— | ||