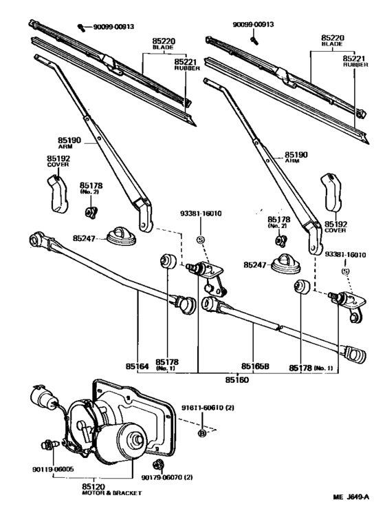
Windshield Wiper ([08.1987 - ] (8708- )) Diagram Toyota LAND CRUISER
- Year
- 1988 - 1990
- Sales region
- Europe
- Frame
- FJ62
- grade
- GX
- Roof
- SRF
- ENGINE
- 3FE
- TRANSMISSION
- ATM
- Model
- LAND CRUISER 60
- From
- 08.1988
- To
- 01.1990
- Vehicle Model
- Land Cruiser
- Back Door
- LUB
- Driver's Position
- LHD
- Fuel Induction
- EFI
Difficulties in parts search?
Difficulties in parts search?
| Description | OEM Part # | Price | |||
|---|---|---|---|---|---|
|
85120
|
85120
85120-90A38
Motor And Bracket Assy, Windshield Wiper
[08.1988 - 01.1990] FJ62 |
85120-90A38 |
— | ||
|
85160
|
85160
85160-90A04
Link Assy, Windshield Wiper
[08.1987 - 01.1990] FJ62,HJ6#..LHD |
85160-90A04 |
— | ||
| replacement | |||||
|
85160
|
85160
85160-90A07
Link Assy, Windshield Wiper
[08.1987 - 01.1990] FJ62,HJ6#..LHD |
85160-90A07 |
— | ||
|
85164
|
85164
85164-90A01
Rod, Windshield Wiper Link, No.1
[08.1987 - 01.1990] FJ62,HJ6#..LHD |
85164-90A01 |
— | ||
| replacement | |||||
|
85164
|
85164
85164-90A02
Rod, Windshield Wiper Link, No.1
[08.1987 - 01.1990] FJ62,HJ6#..LHD |
85164-90A02 |
— | ||
|
85165B
|
85165B
85165-90A00
Rod, Wiper Link, No.2
[08.1987 - 01.1990] FJ62,HJ6# |
85165-90A00 |
— | ||
|
85178
|
85178
85178-90A00 Cap, Windshield Wiper Pivot[08.1987 - 01.1990] FJ62,HJ6# NO.1 |
85178-90A00 |
from US $8.66 |
||
|
85178
|
85178
90179-08026 Nut (For Front Wiper Arm Setting)[08.1987 - 01.1990] FJ62,HJ6# NO.2 |
90179-08026 |
US $1.43 |
||
|
85190
|
85190
85190-90A03
Arm Assy, Windshield Wiper
[08.1987 - 01.1990] FJ62,HJ6#..LHD LH |
85190-90A03 |
— | ||
|
85190
|
85190
85210-90A02
Arm Assy, Windshield Wiper
[08.1987 - 01.1990] FJ62,HJ6#..LHD RH |
85210-90A02 |
— | ||
| replacement | |||||
|
85190
|
85190
85210-90A01 Arm Assy, Windshield WiperWINDSHIELD WIPER [08.1987 - 01.1990] FJ62,HJ6#..LHD RH |
85210-90A01 |
from US $43.68 |
||
|
85192
|
85192
85192-14010 Cover, Rear Wiper Arm[08.1987 - 01.1990] FJ62,HJ6#..LHD |
85192-14010 |
from US $4.05 |
||
|
85220
|
85220
85220-16270
Blade Assy, Windshield Wiper
[08.1987 - 01.1990] FJ62,HJ6#..LHD LH |
85220-16270 |
— | ||
| replacement | |||||
|
85220
|
85220
85220-16640 Blade Assy, Windshield WiperWINDSHIELD WIPER [08.1987 - 01.1990] FJ62,HJ6#..LHD LH |
85220-16640 |
from US $28.71 |
||
|
85220
|
85220
85220-16340
Blade Assy, Windshield Wiper
[08.1987 - 01.1990] FJ62,HJ6#..LHD RH |
85220-16340 |
— | ||
| replacement | |||||
|
85220
|
85220
85220-16640 Blade Assy, Windshield WiperWINDSHIELD WIPER [08.1987 - 01.1990] FJ62,HJ6#..LHD RH |
85220-16640 |
from US $28.71 |
||
|
85221
|
85221
85221-30100
Blade, Windshield Wiper
[08.1987 - 01.1990] FJ62,HJ6# |
85221-30100 |
— | ||
| replacement | |||||
|
85221
|
85221
85214-24H90 Blade, Rear Wiper[08.1987 - 01.1990] FJ62,HJ6# |
85214-24H90 |
from US $14.34 |
||
|
85247
|
85247
85247-90A01 Cap, Windshield Wiper Pivot, No.2[08.1987 - 01.1990] FJ62,HJ6# |
85247-90A01 |
from US $10.39 |
||
|
9009900913
|
9009900913
90099-00913 SCREW |
90099-00913 |
US $3.05 |
||
|
9011906005
|
9011906005
90119-06005 New Genuine Part |
90119-06005 |
US $1.43 |
||
|
9017906070
|
9017906070
90179-06070
Nut(For Steering Inter Shaft Dust Seal Cover)
|
90179-06070 |
— | ||
| replacement | |||||
|
9017906070
|
9017906070
90179-06159 Nut, Rear Wiper Link Pivot, No.1 |
90179-06159 |
from US $0.57 |
||
|
9161160610
|
9161160610
91611-60610
Bolt (For Transfer Oil Receiver No.1)
|
91611-60610 |
— | ||
| replacement | |||||
|
9161160610
|
9161160610
91611-B0610 Bolt (For Transfer Oil Receiver No.1) |
91611-B0610 |
from US $0.78 |
||
|
9338116010
|
9338116010
93381-16010 New Genuine Part |
93381-16010 |
US $1.38 |
||