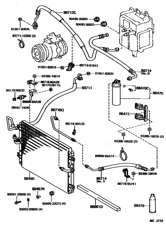
Heating & Air Conditioning - Cooler Piping ([08.1987 - ] (8708- )CBU..CBR) Diagram Toyota LAND CRUISER
- Year
- 1987 - 1990
- Sales region
- Japan
- Frame
- FJ62V
- grade
- GX
- Roof
- SRF
- ENGINE
- 3F
- TRANSMISSION
- MTM
- Model
- LAND CRUISER 60
- From
- 08.1987
- To
- 01.1990
- Vehicle Model
- Land Cruiser VAN
- Fuel Induction
- CBR
- Building Condition
- CBU
Difficulties in parts search?
Difficulties in parts search?
| Description | OEM Part # | Price | |||
|---|---|---|---|---|---|
|
88460
|
88460
88460-90A10 Condenser Assy, Cooler[08.1987 - 01.1990] FJ62..CBU..CBR |
88460-90A10 |
US $503.78 |
||
|
88467B
|
88467B
88469-22010
Collar(For Radiator)
[08.1987 - 01.1990] FJ62,HJ6#..CBU |
88469-22010 |
— | ||
|
88470
|
88470
88470-14010
Receiver & Dryer Assy, Cooler
[08.1987 - 01.1990] FJ62,HJ6#..CBU..(CBR,DSL,TD) |
88470-14010 |
— | ||
| replacement | |||||
|
88470
|
88470
04884-33110 New Genuine Part[08.1987 - 01.1990] FJ62,HJ6#..CBU..(CBR,DSL,TD) |
04884-33110 |
US $85.28 |
||
|
88470C
|
88470C
88475-12020
Bolt, Fuse
[08.1987 - 01.1990] FJ62,HJ6#..CBU..(CBR,DSL,TD) |
88475-12020 |
— | ||
|
88472
|
88472
88472-90A00
Bracket, Receiver Tank, No.1
[08.1987 - 01.1990] FJ62,HJ6#..CBU..(CBR,DSL,TD) |
88472-90A00 |
— | ||
|
88479
|
88479
90986-02001
Freon Gas, Air Conditioner (Drum, Cooler Refrigerant)
[08.1987 - 10.1989] FJ62,HJ6#..CBU 400G |
90986-02001 |
— | ||
| replacements | |||||
|
88479
|
88479
90986-02004
Freon Gas, Air Conditioner (Drum, Cooler Refrigerant)
[08.1987 - 10.1989] FJ62,HJ6#..CBU 400G |
90986-02004 |
— | ||
|
88479
|
88479
90986-02005
New Genuine Part
[08.1987 - 10.1989] FJ62,HJ6#..CBU 400G |
90986-02005 |
— | ||
|
88479
|
88479
90986-02004
Freon Gas, Air Conditioner (Drum, Cooler Refrigerant)
[10.1989 - 01.1990] FJ62,HJ6#..CBU 250G |
90986-02004 |
— | ||
|
88711
|
88711
88711-90A09
Hose, Cooler Refrigerant Discharge, No.1
[08.1987 - 01.1990] FJ62..CBU..CBR |
88711-90A09 |
— | ||
|
88712C
|
88712C
88712-90A28 Hose, Suction[08.1987 - 01.1990] FJ62..CBU..CBR |
88712-90A28 |
US $281.01 |
||
|
88714
|
88714
88721-90A01
Hose, Cooler Refrigerant Liquid, No.1
[08.1987 - 01.1990] FJ62,HJ6#..CBU..(CBR,DSL,TD) NO.2 |
88721-90A01 |
— | ||
|
88714
|
88714
88721-90A05 Hose, Cooler Refrigerant Liquid, No.1[08.1987 - 01.1990] FJ62..CBU..CBR NO.1 |
88721-90A05 |
US $199.47 |
||
|
88716Q
|
88716Q
88716-90A41 Pipe, Cooler Refrigerant Liquid, Q[08.1987 - 01.1990] FJ62..CBU..CBR |
88716-90A41 |
US $32.61 |
||
|
88891D
|
88891D
88578-90A01
Packing A (For Cooler)
[08.1987 - 01.1990] FJ62..CBU |
88578-90A01 |
— | ||
| replacement | |||||
|
88891D
|
88891D
88578-90A02
Packing A (For Cooler)
[08.1987 - 01.1990] FJ62..CBU |
88578-90A02 |
— | ||
|
8868890A28
|
8868890A28
88688-90A28
Bracket, Cooler Diaphragm
|
88688-90A28 |
— | ||
|
8871890A22
|
8871890A22
88718-90A22
Pipe, Cooler Refrigerant Suction, No.2
|
88718-90A22 |
— | ||
|
8871890A29
|
8871890A29
88718-90A29
Pipe, Cooler Refrigerant Suction, No.2
|
88718-90A29 |
— | ||
|
8889995A14
|
8889995A14
88899-95A14
Cover, Evaporator
|
88899-95A14 |
— | ||
|
8271112200
|
8271112200
82711-12200 Clamp (For Fuel Lid Lock Control Cable) |
82711-12200 |
US $2.15 |
||
|
8846714040
|
8846714040
88467-14040 Cushion, Cooler Condenser, No.1 |
88467-14040 |
from US $2.06 |
||
|
8871887043
|
8871887043
88718-87043
Pipe, Cooler Refrigerant Suction, No.2
|
88718-87043 |
— | ||
|
8871895741
|
8871895741
88718-95741
Pipe, Cooler Refrigerant Suction, No.2
|
88718-95741 |
— | ||
|
9009120808
|
9009120808
90091-20808
New Genuine Part
|
90091-20808 |
— | ||
|
9009300809
|
9009300809
90093-00809
New Genuine Part
|
90093-00809 |
— | ||
|
9009932073
|
9009932073
90099-32073
Grommet
|
90099-32073 |
— | ||
|
9017906032
|
9017906032
90179-06032
Direct
|
90179-06032 |
— | ||
| replacement | |||||
|
9017906032
|
9017906032
90179-06274 Nut |
90179-06274 |
from US $0.68 |
||
|
9017906115
|
9017906115
90179-06115 Nut (For Rear Wiper Arm Setting) |
90179-06115 |
US $2.15 |
||
|
9048026003
|
9048026003
90480-26003 Grommet (For Cooler Unit) |
90480-26003 |
US $2.80 |
||
|
9048036003
|
9048036003
90480-36003 Grommet (For Cooler Unit) |
90480-36003 |
US $2.97 |
||
|
9165160816
|
9165160816
91651-60816 BOLT |
91651-60816 |
from US $0.99 |
||
| replacement | |||||
|
9165160816
|
9165160816
90080-11396 BOLT |
90080-11396 |
US $3.32 |
||
|
9165160835
|
9165160835
91651-60835 Bolt(For Front Suspension Control Accumulator) |
91651-60835 |
from US $1.48 |
||
|
9338516014
|
9338516014
93385-16014 New Genuine Part |
93385-16014 |
US $1.43 |
||
|
9338516020
|
9338516020
93385-16020
New Genuine Part
|
93385-16020 |
— | ||
| replacement | |||||
|
9338516020
|
9338516020
93385-26020 New Genuine Part |
93385-26020 |
US $1.61 |
||
|
9338518016
|
9338518016
93385-18016 New Genuine Part |
93385-18016 |
US $1.22 |
||