Venturi ([01.1998 - ] (9801- )1HDFTE) Diagram Toyota LAND CRUISER
- Year
- 2003 - 2007
- Sales region
- Europe
- Frame
- HDJ100
- grade
- VX
- ENGINE
- 1HDFTE
- TRANSMISSION
- ATM
- Model
- LAND CRUISER 100
- From
- 07.2003
- To
- 08.2007
- Gear Shift Type
- 5FC
- Vehicle Model
- Land Cruiser
- Driver's Position
- LHD
Difficulties in parts search?
Parts list
Difficulties in parts search?
| Description | OEM Part # | Price | |||
|---|---|---|---|---|---|
|
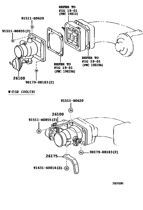
26100
|
26100
26100-17021 Venturi Assy[08.2002 - 05.2005] 1HDFTE..HDJ100..VX W(EGR COOLER) |
26100-17021 |
from US $444.64 |
||
|
26175
|
26175
26175-17010
Stay, Diesel Throttle
[08.2002 - 08.2003] 1HDFTE..HDJ100..VX |
26175-17010 |
— | ||
|
26175
|
26175
26175-17020
Stay, Diesel Throttle
[05.2005 -] 1HDFTE..HDJ100 |
26175-17020 |
— | ||
|
91511B0620
|
91511B0620
91511-B0620 Bolt(For Clutch Release Bearing Hub Retainer) |
91511-B0620 |
from US $0.70 |
||
|
91511B0855
|
91511B0855
91511-B0855 BOLT FLANGE |
91511-B0855 |
US $3.05 |
||
|
9017908183
|
9017908183
90179-08183 NUT |
90179-08183 |
from US $1.05 |
||
|
9163160816
|
9163160816
91631-60816 BOLT |
91631-60816 |
from US $1.05 |