Heating & Air Conditioning - Cooler Unit ([01.1998 - ] リヤ (9801- )) Diagram Toyota LAND CRUISER

Year
1998 - 2002
Sales region
Japan
Frame
HDJ101
grade
VXL
ENGINE
1HDFTE
TRANSMISSION
ATM
Model
LAND CRUISER 100
From
01.1998
To
08.2002
Gear Shift Type
4FC
Vehicle Model
Land Cruiser

Difficulties in parts search?

Parts list
Heating & Air Conditioning - Cooler Unit

Difficulties in parts search?

Heating & Air Conditioning - Cooler Unit
Description OEM Part # Price
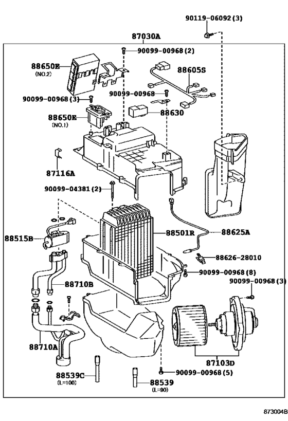
87116A
87116A
87116-14010
Spring, Heater Case Fastening

[01.1998 - 08.2002] HDJ101,UZJ100 フロント

87116-14010

88539
88539

88539-60080

Hose, Cooler Unit Drain, No.1

[01.1998 - 08.2002] HDJ101,UZJ100 フロント

88539-60080

from US $0.60

88539C
88539C
88539-60180
Hose, Cooler Unit Drain, No.2

[01.1998 - 08.2002] HDJ101,UZJ100 クールボックス側

88539-60180

88625A
88625A

88625-60070

Thermistor, Cooler No.2

[01.1998 - 08.2002] HDJ101,UZJ100 クールボックス側

88625-60070

US $7.69

8862628010
8862628010
88626-28010
Holder, Thermistor

88626-28010

9009900968
9009900968

90099-00968

Screw(For Air Conditioner Unit)

90099-00968

US $0.80

9009904381
9009904381
90099-04381
BOLT

90099-04381

9011906092
9011906092
90119-06092
New Genuine Part

90119-06092

replacement
9011906092
9011906092

90119-06699

BOLT WWASHER

90119-06699

from US $0.68

Heating & Air Conditioning - Cooler Unit ([01.1998 - ] リヤ (9801- )) Diagram Toyota LAND CRUISER Japan 17727569-910665