Heating & Air Conditioning - Cooler Unit ([11.1984 - ] (8411- )FJ62,HJ6#) Diagram Toyota LAND CRUISER

Year
1985 - 1987
Sales region
Europe
Frame
HJ61
body
WGV
Roof
SRF
ENGINE
12HT
TRANSMISSION
MTM
DESTINATION
EUR
Model
LAND CRUISER 60
From
10.1985
To
08.1987
Gear Shift Type
5F
Vehicle Model
Land Cruiser
Back Door
SOB
Driver's Position
LHD
Fuel Induction
TD

Difficulties in parts search?

Parts list
Heating & Air Conditioning - Cooler Unit

Difficulties in parts search?

Heating & Air Conditioning - Cooler Unit
Description OEM Part # Price
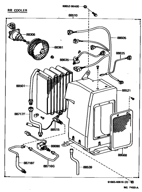
8865390A00
8865390A00
88653-90A00
Pulley Assy, Idler (for Cooler)

88653-90A00

9166540616
9166540616

91665-40616

Screw(For Steering Column Tube)

91665-40616

US $1.25

replacement
9166540616
9166540616

90080-11247

New Genuine Part

90080-11247

US $2.46

Heating & Air Conditioning - Cooler Unit ([11.1984 - ] (8411- )FJ62,HJ6#) Diagram Toyota LAND CRUISER Europe 17910476-925981