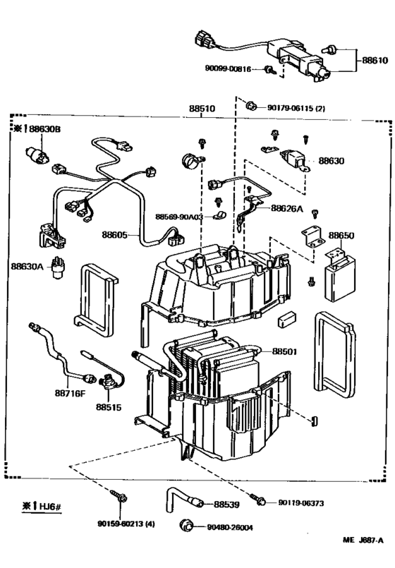
Heating & Air Conditioning - Cooler Unit ([08.1987 - ] DUAL FRONT COOLER (8708- )FJ62,HJ6#..GX,VX) Diagram Toyota LAND CRUISER
- Year
- 1987 - 1990
- Sales region
- General
- Frame
- HJ61
- grade
- GX
- Roof
- SRF
- ENGINE
- 12HT
- TRANSMISSION
- MTM
- DESTINATION
- ARL
- Model
- LAND CRUISER 60
- From
- 08.1987
- To
- 01.1990
- Gear Shift Type
- 5F
- Vehicle Model
- Land Cruiser
- Back Door
- LUB
- Driver's Position
- RHD
- Fuel Induction
- TD
Difficulties in parts search?
Difficulties in parts search?
| Description | OEM Part # | Price | |||
|---|---|---|---|---|---|
|
88501
|
88501
88501-90A06
Evaporator Sub-Assy, Cooler, No.1
[08.1987 - 01.1990] FJ62,HJ60..RHD..GX..GEN; FJ62,HJ6#..SRF..ARL FRONT; FJ62,HJ61..HRF..ARL FRONT; BJ60,HJ61..RHD..SRF;FJ62,HJ60..SRF..GX..ARL;FJ62,HJ60..RHD..STD..GEN |
88501-90A06 |
— | ||
|
88501
|
88501
88501-90A08
Evaporator Sub-Assy, Cooler, No.1
[08.1987 - 01.1990] HJ6#..HRF;FJ62..5F..HRF..VX..ME;FJ62..5F..HRF..LUB..GX;FJ62..(4F,4FC)..HRF..(GX,VX ) REAR; FJ62..STD..GEN;HJ60..RHD..STD..GEN;FJ62,HJ6#..SRF..GX..ARL REAR |
88501-90A08 |
— | ||
|
88510
|
88510
88510-90A10
Unit Assy, Cooler
[08.1987 - 01.1990] FJ62,HJ60..STD..ARL FRONT; FJ62,HJ6#..LUB..ARL W(SINGLE AIR CONDITIONER),FRONT |
88510-90A10 |
— | ||
|
88510
|
88510
88510-90A17
Unit Assy, Cooler
[08.1987 - 01.1990] HJ61..HRF W(DUAL AIR CONDITIONER),FRONT; HJ60..RHD..GEN;HJ6#..SRF..GX..ARL W(DUAL AIR CONDITIONER),FRONT |
88510-90A17 |
— | ||
|
88510
|
88510
88510-90A22
Unit Assy, Cooler
[08.1987 - 03.1992] HJ60..RHD..GEN;FJ62..5F..SRF..VX;HJ60..LHD..4F..GX;FJ62..SRF..SOB..GEN;HJ6#..(4FC, 5F)..SRF..LUB;FJ62..(4F,4FC)..SRF..LUB;FJ62..5F..SRF..LUB..(ARL,GEN) W(DUAL AIR CONDITIONER),REAR |
88510-90A22 |
— | ||
|
88515
|
88515
88515-87004
Valve, Cooler Expansion
[08.1987 - 01.1990] FJ62,HJ6#..HRF..(GX,VX)..(ARL,GEN); FJ62..ME;HJ60..SOB;BJ60,HJ61..SRF;FJ62..STD..(ARL,GEN);FJ62,HJ60..SRF..GX..ARL |
88515-87004 |
— | ||
|
88539
|
88539
88539-90A00
Hose, Cooler Unit Drain, No.1
[08.1987 - 01.1990] FJ62,HJ6#..HRF..(GX,VX)..(ARL,GEN) FRONT; FJ62..ME;HJ60..SOB;BJ60,HJ61..SRF;FJ62..STD..(ARL,GEN);FJ62,HJ60..SRF..GX..ARL FRONT |
88539-90A00 |
— | ||
|
88539
|
88539
88539-90A01
Hose, Cooler Unit Drain, No.1
[08.1987 - 01.1990] HJ6#..HRF;FJ62..5F..HRF..VX..ME;FJ62..5F..HRF..LUB..GX;FJ62..(4F,4FC)..HRF..(GX,VX ) REAR; FJ62..STD..GEN;HJ60..RHD..STD..GEN;FJ62,HJ6#..SRF..GX..ARL REAR |
88539-90A01 |
— | ||
|
88605
|
88605
88605-90A09
Harness Sub-Assy, Cooler Wiring, No.1
[08.1987 - 01.1990] FJ62..(GX,VX)..ME;FJ62,HJ60..STD..ARL FRONT; HJ60..LUB;FJ62,HJ61..LUB..ARL;HJ60..RHD..STD..GEN W(SINGLE AIR CONDITIONER),FRONT; BJ60,HJ60..ME;FJ62..STD..ME W(HEATER & SINGLE AIR CONDITI0NER),FRONT |
88605-90A09 |
— | ||
|
88605
|
88605
88605-90A19
Harness Sub-Assy, Cooler Wiring, No.1
[08.1987 - 01.1990] HJ60..RHD..GEN;HJ60..LHD..4F..GX;HJ6#..(4FC,5F)..SRF..LUB W(DUAL AIR CONDITIONER),FRONT; HJ6#..HRF W(DUAL AIR CONDITIONER),FRONT |
88605-90A19 |
— | ||
|
88605
|
88605
88605-90A25
Harness Sub-Assy, Cooler Wiring, No.1
[08.1987 - 03.1992] HJ60..RHD..GEN;FJ62..5F..SRF..VX;HJ60..LHD..4F..GX;FJ62..SRF..SOB..GEN;HJ6#..(4FC, 5F)..SRF..LUB;FJ62..(4F,4FC)..SRF..LUB;FJ62..5F..SRF..LUB..(ARL,GEN) W(DUAL AIR CONDITIONER),REAR,NO.1 |
88605-90A25 |
— | ||
|
88605
|
88605
88605-90A27
Harness Sub-Assy, Cooler Wiring, No.1
[08.1987 - 03.1992] HJ60..RHD..GEN;FJ62..5F..SRF..VX;HJ60..LHD..4F..GX;FJ62..SRF..SOB..GEN;HJ6#..(4FC, 5F)..SRF..LUB;FJ62..(4F,4FC)..SRF..LUB;FJ62..5F..SRF..LUB..(ARL,GEN) W(DUAL AIR CONDITIONER),REAR,NO.2 |
88605-90A27 |
— | ||
|
88610
|
88610
88610-90A04
Switch Assy, Cooler Control
[08.1987 - 01.1990] FJ62,HJ61..HRF..ARL REAR; HJ6#..SRF..GX..ARL;FJ62..RHD..5F..SRF..GX;FJ62,HJ60..RHD..(4F,4FC)..SRF REAR |
88610-90A04 |
— | ||
|
88610
|
88610
88610-90A06
Switch Assy, Cooler Control
[08.1987 - 01.1990] FJ62,HJ61..HRF..ARL FRONT; HJ6#..SRF..GX..ARL;FJ62..RHD..5F..SRF..GX;FJ62,HJ60..RHD..(4F,4FC)..SRF FRONT; BJ60..RHD;FJ62,HJ60..STD..ARL FRONT |
88610-90A06 |
— | ||
|
88626A
|
88626A
88626-90A00
Holder, Thermistor
[08.1987 - 01.1990] BJ60,FJ62,HJ6#..RHD |
88626-90A00 |
— | ||
|
88630
|
88630
88630-90A00
Relay Assy (For Heater Blower Motor)
[08.1987 - 03.1992] HJ6#..LUB;FJ62..5F..VX..ME;FJ62..4F..SOB..GX;FJ62..5F..STD..GEN;FJ62..(4F,4FC)..LU B;HJ60..RHD..STD..GEN;FJ62..5F..(GX,VX)..(ARL,GEN);FJ62..(4F,4FC)..SOB..(STD,VX) |
88630-90A00 |
— | ||
| replacement | |||||
|
88630
|
88630
88630-14010 Relay Assy (For Heater Blower Motor)[08.1987 - 03.1992] HJ6#..LUB;FJ62..5F..VX..ME;FJ62..4F..SOB..GX;FJ62..5F..STD..GEN;FJ62..(4F,4FC)..LU B;HJ60..RHD..STD..GEN;FJ62..5F..(GX,VX)..(ARL,GEN);FJ62..(4F,4FC)..SOB..(STD,VX) |
88630-14010 |
US $29 |
||
|
88630A
|
88630A
90987-02004 Relay Assy, Starter[08.1987 - 03.1992] HJ6#..LUB;FJ62..5F..VX..ME;FJ62..4F..SOB..GX;FJ62..5F..STD..GEN;FJ62..(4F,4FC)..LU B;HJ60..RHD..STD..GEN;FJ62..5F..(GX,VX)..(ARL,GEN);FJ62..(4F,4FC)..SOB..(STD,VX) |
90987-02004 |
from US $27.38 |
||
| replacement | |||||
|
88630A
|
88630A
909870200483 [08.1987 - 03.1992] HJ6#..LUB;FJ62..5F..VX..ME;FJ62..4F..SOB..GX;FJ62..5F..STD..GEN;FJ62..(4F,4FC)..LU B;HJ60..RHD..STD..GEN;FJ62..5F..(GX,VX)..(ARL,GEN);FJ62..(4F,4FC)..SOB..(STD,VX) |
909870200483 |
US $53.75 |
||
|
88630B
|
88630B
90987-03001 Relay[08.1987 - 01.1990] HJ6#..LUB;HJ60..RHD..STD..GEN |
90987-03001 |
from US $31.77 |
||
|
88650
|
88650
88650-90A03
Amplifier Assy, Cooler Stabilizer
[08.1987 - 01.1990] BJ60;HJ60..5F..SOB;HJ60..LHD..STD FRONT; HJ6#..LUB;HJ60..RHD..STD..GEN W(SINGLE AIR CONDITIONER),FRONT |
88650-90A03 |
— | ||
|
88650
|
88650
88650-95J02
Amplifier Assy, Cooler Stabilizer
[08.1987 - 01.1990] HJ60..RHD..GEN;HJ60..LHD..4F..GX;HJ6#..(4FC,5F)..SRF..LUB W(DUAL AIR CONDITIONER),FRONT; HJ6#..HRF W(DUAL AIR CONDITIONER),FRONT |
88650-95J02 |
— | ||
|
88716F
|
88716F
88716-90A26
Pipe, Cooler Refrigerant Liquid, F
[08.1987 - 01.1990] BJ60..RHD;FJ62,HJ60..STD..ARL; HJ6#..LUB..ARL;FJ62..RHD..5F..LUB;FJ62,HJ60..RHD..(4F,4FC) W(SINGLE AIR CONDITIONER) |
88716-90A26 |
— | ||
|
88716F
|
88716F
88716-90A28 Pipe, Cooler Refrigerant Liquid, FCOOLER REFRIGERANT LIQUID, F [08.1987 - 01.1990] FJ62,HJ61..HRF..ARL W(DUAL AIR CONDITIONER); HJ6#..SRF..GX..ARL;FJ62..RHD..5F..SRF..GX;FJ62,HJ60..RHD..(4F,4FC)..SRF W(DUAL AIR CONDITIONER) |
88716-90A28 |
US $36.25 |
||
|
8856990A03
|
8856990A03
88569-90A03
Clamp (for Cooler Relay)
|
88569-90A03 |
— | ||
|
9009900816
|
9009900816
90099-00816
New Genuine Part
|
90099-00816 |
— | ||
|
9011906373
|
9011906373
90119-06373 New Genuine Part |
90119-06373 |
US $1.79 |
||
|
9015960213
|
9015960213
90159-60213 New Genuine Part |
90159-60213 |
US $1.43 |
||
|
9017906115
|
9017906115
90179-06115 Nut (For Rear Wiper Arm Setting) |
90179-06115 |
US $2.15 |
||
|
9048026004
|
9048026004
90480-26004 Grommet, Heater Hose |
90480-26004 |
US $1.12 |
||