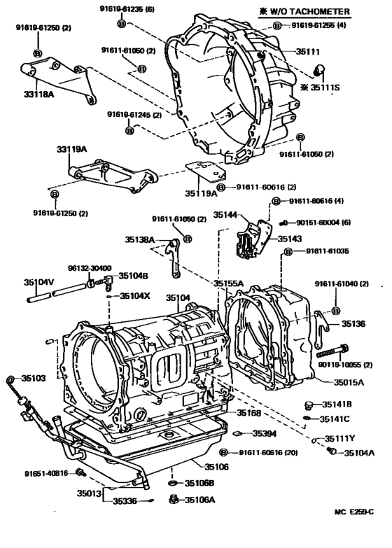
Transmission Case & Oil Pan (Atm) ([08.1987 - ] A440F (8708- )HJ61..4FC) Diagram Toyota LAND CRUISER
- Year
- 1987 - 1990
- Sales region
- General
- Frame
- HJ61
- grade
- VX
- Roof
- HRF
- ENGINE
- 12HT
- TRANSMISSION
- ATM
- DESTINATION
- ARL
- Model
- LAND CRUISER 60
- From
- 08.1987
- To
- 01.1990
- Gear Shift Type
- 4FC
- Vehicle Model
- Land Cruiser
- Back Door
- LUB
- Driver's Position
- RHD
- Fuel Induction
- TD
Difficulties in parts search?
Difficulties in parts search?
| Description | OEM Part # | Price | |||
|---|---|---|---|---|---|
|
33118A
|
33118A
33118-60010
Plate, Stiffener, Rh(Mtm)
[08.1987 - 01.1990] HJ61..4FC |
33118-60010 |
— | ||
|
33119A
|
33119A
33119-60010
Plate, Stiffener, Lh(Mtm)
[08.1987 - 01.1990] HJ61..4FC |
33119-60010 |
— | ||
|
35013
|
35013
35013-60020 Tube Sub-Assy, Transmission Oil Filler[08.1987 - 01.1989] HJ61..4FC |
35013-60020 |
US $91.73 |
||
| replacement | |||||
|
35013
|
35013
35013-60021 Tube Sub-Assy, Transmission Oil Filler[08.1987 - 01.1989] HJ61..4FC |
35013-60021 |
US $91.73 |
||
|
35013
|
35013
35013-60021 Tube Sub-Assy, Transmission Oil Filler[01.1989 - 01.1990] HJ61..4FC |
35013-60021 |
US $91.73 |
||
|
35015A
|
35015A
35015-60010 Adapter Sub-Assy, Transmission Case, Rear[08.1987 - 12.1987] FJ62,HJ61..4FC |
35015-60010 |
US $578.03 |
||
| replacements | |||||
|
35015A
|
35015A
35015-60012
Adapter Sub-assy, Transmission Case, Rear
[08.1987 - 12.1987] FJ62,HJ61..4FC |
35015-60012 |
— | ||
|
35015A
|
35015A
35136-60010 Hanger, Transmission,no.1[08.1987 - 12.1987] FJ62,HJ61..4FC |
35136-60010 |
US $9.17 |
||
|
35015A
|
35015A
90119-08A43 New Genuine Part[08.1987 - 12.1987] FJ62,HJ61..4FC |
90119-08A43 |
US $1.43 |
||
|
35015A
|
35015A
35015-60011 Adapter Sub-Assy, Transmission Case, Rear[12.1987 - 03.1992] FJ62,HJ61..4FC |
35015-60011 |
US $560.56 |
||
| replacements | |||||
|
35015A
|
35015A
35015-60012
Adapter Sub-assy, Transmission Case, Rear
[12.1987 - 03.1992] FJ62,HJ61..4FC |
35015-60012 |
— | ||
|
35015A
|
35015A
90119-08A43 New Genuine Part[12.1987 - 03.1992] FJ62,HJ61..4FC |
90119-08A43 |
US $1.43 |
||
|
35103
|
35103
35103-60020
Gage Sub-Assy, Transmission Oil Level
[08.1987 - 03.1988] HJ61..4FC |
35103-60020 |
— | ||
|
35103
|
35103
35103-60021 Gage Sub-Assy, Transmission Oil Level[03.1988 - 01.1990] HJ61..4FC |
35103-60021 |
US $21.99 |
||
|
35104
|
35104
35104-60010 Case Sub-Assy, Automatic Transmission[08.1987 - 09.1989] FJ62,HJ61..4FC |
35104-60010 |
US $1,343.89 |
||
|
35104
|
35104
35104-60011 Case Sub-Assy, Automatic Transmission[09.1989 - 03.1992] FJ62,HJ61..4FC |
35104-60011 |
US $1,384.66 |
||
|
35104A
|
35104A
90341-08001 Plug, Transaxle Case, No.1[08.1987 - 09.1989] FJ62,HJ61..4FC |
90341-08001 |
from US $1.48 |
||
|
35104B
|
35104B
90930-03094 Plug, Breather, No.1 (Atm)[08.1987 - 03.1992] FJ62,HJ61..4FC |
90930-03094 |
from US $3.33 |
||
|
35104V
|
35104V
90445-11081 Hose (For Breather Plug)[08.1987 - 01.1990] HJ61..4FC |
90445-11081 |
US $5.53 |
||
|
35104X
|
35104X
90301-06005 Ring, O (For Breather Plug)[08.1987 - 03.1992] FJ62,HJ61..4FC |
90301-06005 |
from US $2.24 |
||
|
35106
|
35106
35106-60010 Pan Sub-Assy, Automatic Transmission Oil[08.1987 - 03.1988] FJ62,HJ61..4FC |
35106-60010 |
US $110.66 |
||
|
35106
|
35106
35106-60011 Pan Sub-Assy, Automatic Transmission Oil[03.1988 - 06.1989] FJ62,HJ61..4FC |
35106-60011 |
US $128.13 |
||
|
35106
|
35106
35106-60012 Pan Sub-Assy, Automatic Transmission Oil[06.1989 - 06.1991] FJ62,HJ61..4FC |
35106-60012 |
US $128.13 |
||
| replacement | |||||
|
35106
|
35106
35106-60011 Pan Sub-Assy, Automatic Transmission Oil[06.1989 - 06.1991] FJ62,HJ61..4FC |
35106-60011 |
US $128.13 |
||
|
35106A
|
35106A
90341-18057 Drain Plug (with Magnet)[08.1987 - 03.1992] FJ62,HJ61..4FC |
90341-18057 |
from US $6.27 |
||
|
35106B
|
35106B
12157-10010 Gasket (For Drain Plug)[08.1987 - 03.1992] FJ62,HJ61..4FC |
12157-10010 |
from US $0.72 |
||
|
35111
|
35111
35111-60020
Housing, Automatic Transmission
[08.1987 - 01.1990] HJ61..4FC |
35111-60020 |
— | ||
|
35111S
|
35111S
90341-20086 Plug, W/head Straight Screw[08.1987 - 01.1990] HJ61..4FC |
90341-20086 |
US $5.39 |
||
|
35111Y
|
35111Y
90301-06196 O Ring, Transaxle Case, No.1[08.1987 - 09.1989] FJ62,HJ61..4FC |
90301-06196 |
from US $2.36 |
||
|
35119A
|
35119A
35119-36010 Cover, Transmission Housing[08.1987 - 01.1990] HJ61..4FC |
35119-36010 |
US $19.22 |
||
|
35136
|
35136
35136-60010 Hanger, Transmission,no.1[08.1987 - 03.1992] FJ62,HJ61..4FC |
35136-60010 |
US $9.17 |
||
|
35138A
|
35138A
35136-60010 Hanger, Transmission,no.1[12.1987 - 03.1992] FJ62,HJ61..4FC |
35136-60010 |
US $9.17 |
||
|
35138A
|
35138A
35138-60010 Hanger, Transmission, No.2[08.1987 - 12.1987] FJ62,HJ61..4FC |
35138-60010 |
US $11.07 |
||
|
35141B
|
35141B
90341-16010 Plug, Automatic Transmission Case[08.1987 - 03.1992] FJ62,HJ61..4FC |
90341-16010 |
US $4.02 |
||
|
35141C
|
35141C
90201-16013 Washer, Plate (For Automatic Transmission Case)[08.1987 - 03.1992] FJ62,HJ61..4FC |
90201-16013 |
US $0.96 |
||
|
35143
|
35143
35143-36010 Cover, Transmission Case, Rear[08.1987 - 03.1992] FJ62,HJ61..4FC |
35143-36010 |
US $31.74 |
||
|
35144
|
35144
35144-36010
Gasket, Transmission Case Rear Cover
[08.1987 - 03.1992] FJ62,HJ61..4FC |
35144-36010 |
— | ||
| replacement | |||||
|
35144
|
35144
35144-60010 Gasket, Transmission Case Rear Cover[08.1987 - 03.1992] FJ62,HJ61..4FC |
35144-60010 |
US $4.37 |
||
|
35155A
|
35155A
35182-36010
Gasket, Transmission Case Adapter
[08.1987 - 03.1992] FJ62,HJ61..4FC |
35182-36010 |
— | ||
| replacement | |||||
|
35155A
|
35155A
35182-60010 Gasket, Transmission Case Adapter[08.1987 - 03.1992] FJ62,HJ61..4FC |
35182-60010 |
from US $8.24 |
||
|
35168
|
35168
35168-36010 Gasket, Automatic Transmission Oil Pan[08.1987 - 06.1991] FJ62,HJ61..4FC |
35168-36010 |
from US $11.34 |
||
|
35336
|
35336
90301-09173 Ring, O(For Transmission Oil Filler Tube)[08.1987 - 03.1992] FJ62,HJ61..4FC |
90301-09173 |
from US $1.96 |
||
|
35394
|
35394
35394-30011 Magnet, Oil Cleaner (For Transmission)[08.1987 - 03.1992] FJ62,HJ61..4FC |
35394-30011 |
from US $5.43 |
||
|
9011910055
|
9011910055
90119-10055 BOLT |
90119-10055 |
US $1.89 |
||
|
9015160004
|
9015160004
90151-60004 SCREW |
90151-60004 |
US $1.60 |
||
|
9161160616
|
9161160616
91611-60616
Bolt(For Transaxle Case Receiver)
|
91611-60616 |
— | ||
| replacement | |||||
|
9161160616
|
9161160616
91611-B0616 Bolt(For Transaxle Case Receiver) |
91611-B0616 |
from US $0.84 |
||
|
9161161035
|
9161161035
91611-61035
BOLT
|
91611-61035 |
— | ||
| replacement | |||||
|
9161161035
|
9161161035
91612-61035 Bolt(For Hybrid Vehicle Transaxle & Engine Setting) |
91612-61035 |
from US $1.10 |
||
|
9161161040
|
9161161040
91611-61040
Bolt(For Transaxle Case & Engine Setting)
|
91611-61040 |
— | ||
| replacement | |||||
|
9161161040
|
9161161040
91612-61040 Bolt(For Transmission Case & Engine Setting) |
91612-61040 |
US $2.33 |
||
|
9161161050
|
9161161050
91611-61050
Bolt(For Transaxle & Engine Setting)
|
91611-61050 |
— | ||
| replacement | |||||
|
9161161050
|
9161161050
91612-61050 Bolt(For Transaxle & Engine Setting) |
91612-61050 |
from US $1.24 |
||
|
9161961235
|
9161961235
91619-61235 BOLT |
91619-61235 |
from US $2.15 |
||
|
9161961245
|
9161961245
91619-61245 Bolt(For Transaxle & Engine Setting) |
91619-61245 |
from US $1.77 |
||
|
9161961250
|
9161961250
91619-61250 Bolt(For Transmission Case & Engine Setting) |
91619-61250 |
from US $1.90 |
||
|
9161961255
|
9161961255
91619-61255 Bolt(For Transaxle & Engine Setting) |
91619-61255 |
US $2.15 |
||
|
9165140816
|
9165140816
91651-40816 BOLT |
91651-40816 |
from US $0.95 |
||
|
9613230400
|
9613230400
96132-30400
Clip Or Clamp(For Ventilation Hose)
|
96132-30400 |
— | ||
| replacement | |||||
|
9613230400
|
9613230400
96132-51000 Clip Or Clamp(For Ventilation Hose) |
96132-51000 |
from US $1.44 |
||