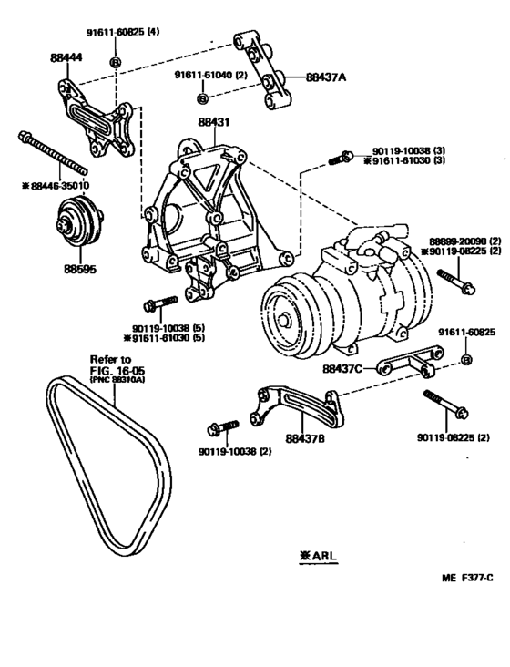
Heating & Air Conditioning - Compressor ([11.1984 - ] (8411- )HJ75) Diagram Toyota LAND CRUISER
- Year
- 1984 - 1990
- Sales region
- General
- Frame
- HJ75
- grade
- STD
- body
- PIC
- ENGINE
- 2H
- TRANSMISSION
- MTM
- DESTINATION
- GEN
- Model
- LAND CRUISER 70
- From
- 11.1984
- To
- 01.1990
- Gear Shift Type
- 4F
- Vehicle Model
- Land Cruiser
- Driver's Position
- RHD
- Fuel Induction
- DSL
- Building Condition
- IV
Difficulties in parts search?
Difficulties in parts search?
| Description | OEM Part # | Price | |||
|---|---|---|---|---|---|
|
88431
|
88431
88431-60060
Bracket, Compressor Mounting, No.1
[11.1984 - 01.1990] HJ75..ARL,GEN |
88431-60060 |
— | ||
|
88437A
|
88437A
88437-60140
Bracket, Compressor Mounting, No.3
[11.1984 - 10.1985] HJ75 |
88437-60140 |
— | ||
|
88437A
|
88437A
88437-60141
Bracket, Compressor Mounting, No.3
[10.1985 - 01.1990] HJ75..ARL,GEN |
88437-60141 |
— | ||
|
88437B
|
88437B
88437-60200
Bracket, Compressor Mounting, No.2
[11.1984 - 10.1985] HJ75 |
88437-60200 |
— | ||
|
88437B
|
88437B
88437-60230
Bracket, Compressor Mounting, No.2
[10.1985 - 01.1990] HJ75..ARL,GEN ALTERNATOR=12V 80A |
88437-60230 |
— | ||
|
88437C
|
88437C
88437-60220
Bracket, Compressor Mounting, No.4
[11.1984 - 10.1985] HJ75 |
88437-60220 |
— | ||
| replacement | |||||
|
88437C
|
88437C
88437-60240
Bracket, Compressor Mounting, No.4
[11.1984 - 10.1985] HJ75 |
88437-60240 |
— | ||
|
88437C
|
88437C
88437-60240
Bracket, Compressor Mounting, No.4
[10.1985 - 01.1990] HJ75..ARL,GEN |
88437-60240 |
— | ||
|
88444
|
88444
88444-60040
Bracket, Idle Pulley
[11.1984 - 10.1985] HJ75 |
88444-60040 |
— | ||
|
88444
|
88444
88444-60041
Bracket, Idle Pulley
[10.1985 - 08.1988] HJ75 |
88444-60041 |
— | ||
|
88444
|
88444
88444-60042
Bracket, Idle Pulley
[08.1988 - 01.1990] HJ75 MAKER OPTION |
88444-60042 |
— | ||
|
88595
|
88595
88440-35010 Pulley Assy, Idle[11.1984 - 08.1988] FJ7#,HJ75,RJ70..ARL,GEN,ME |
88440-35010 |
from US $59.98 |
||
|
88595
|
88595
88440-60030
Pulley Assy, Idle
[08.1988 - 01.1990] HJ75 MAKER OPTION |
88440-60030 |
— | ||
|
8844635010
|
8844635010
88446-35010 Bolt, Idle Pulley |
88446-35010 |
from US $3.32 |
||
|
8889920090
|
8889920090
88899-20090
Cover, Evaporator
|
88899-20090 |
— | ||
|
9011908225
|
9011908225
90119-08225
BOLT
|
90119-08225 |
— | ||
|
9011910038
|
9011910038
90119-10038 New Genuine Part |
90119-10038 |
US $6.45 |
||
|
9161160825
|
9161160825
91611-60825
Bolt(For Head To Camshaft Bearing Cap)
|
91611-60825 |
— | ||
| replacement | |||||
|
9161160825
|
9161160825
91611-B0825 Bolt(For Clutch Release Cylinder Setting) |
91611-B0825 |
from US $1.08 |
||
|
9161161030
|
9161161030
91611-61030
Bolt (For Transmission Control Cable Bracket)
|
91611-61030 |
— | ||
| replacement | |||||
|
9161161030
|
9161161030
91612-61030 Bolt (For Transmission Control Cable Bracket) |
91612-61030 |
from US $1.05 |
||
|
9161161040
|
9161161040
91611-61040
Bolt(For Transaxle Case & Engine Setting)
|
91611-61040 |
— | ||
| replacement | |||||
|
9161161040
|
9161161040
91612-61040 Bolt(For Transmission Case & Engine Setting) |
91612-61040 |
US $2.33 |
||