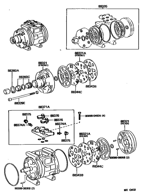
Heating & Air Conditioning - Compressor ([01.1990 - ] (9001- )HDJ80,HZJ80) Diagram Toyota LAND CRUISER
- Year
- 1990 - 1998
- Sales region
- Europe
- Frame
- HZJ80
- grade
- STD
- ENGINE
- 1HZ
- TRANSMISSION
- MTM
- Model
- LAND CRUISER 80
- From
- 01.1990
- To
- 01.1998
- Vehicle Model
- Land Cruiser
- Back Door
- SOB
- Driver's Position
- LHD
- Fuel Induction
- DSL
Difficulties in parts search?
Difficulties in parts search?
| Description | OEM Part # | Price | |||
|---|---|---|---|---|---|
|
88321
|
88321
88321-14021
Head, Cooler Compressor Cylinder
[01.1990 - 01.1992] HDJ80..RHD FRONT; FJ80,HDJ80,HZJ80..LHD FRONT |
88321-14021 |
— | ||
|
88321
|
88321
88321-2B010
Head, Cooler Compressor Cylinder
[03.1995 - 08.1996] HZJ80 FR0NT |
88321-2B010 |
— | ||
|
88321
|
88321
88321-32010
Head, Cooler Compressor Cylinder
[05.1993 - 01.1995] HDJ80,HZJ80..LHD FRONT |
88321-32010 |
— | ||
|
88321
|
88321
88322-14020
Head, Cooler Compressor Cylinder
[01.1990 - 01.1992] HDJ80..RHD REAR; FJ80,HDJ80,HZJ80..LHD REAR |
88322-14020 |
— | ||
|
88321
|
88321
88322-32040
Head, Cooler Compressor Cylinder
[05.1993 - 01.1995] HDJ80,HZJ80..LHD REAR |
88322-32040 |
— | ||
|
88321A
|
88321A
88305-14020
Plate Sub-Assy, Valve
[08.1992 - 05.1993] HDJ80..RHD FRONT; HDJ80,HZJ80..LHD FRONT |
88305-14020 |
— | ||
|
88321A
|
88321A
88306-14020
Plate Sub-Assy, Valve
[08.1992 - 05.1993] HDJ80..RHD REAR; HDJ80,HZJ80..LHD REAR |
88306-14020 |
— | ||
|
88321A
|
88321A
88341-14020
Plate Sub-Assy, Valve
[01.1990 - 08.1992] HDJ80,HZJ80..LHD FRONT; HDJ80..RHD FRONT |
88341-14020 |
— | ||
|
88321A
|
88321A
88341-14030
Plate Sub-Assy, Valve
[01.1990 - 08.1992] HZJ80..MTM COLD SPEC & SINGLE DEALER OPT,FRONT |
88341-14030 |
— | ||
|
88321A
|
88321A
88341-14040
Plate Sub-Assy, Valve
[01.1990 - 08.1992] HDJ80,HZJ80..LHD SINGLE DEALER OPT,FRONT |
88341-14040 |
— | ||
|
88321A
|
88321A
88341-22010
Plate Sub-Assy, Valve
[05.1993 - 01.1995] HDJ80,HZJ80..LHD FRONT |
88341-22010 |
— | ||
|
88321A
|
88321A
88342-14020
Plate Sub-Assy, Valve
[01.1990 - 08.1992] HDJ80,HZJ80..LHD REAR; HDJ80..RHD REAR |
88342-14020 |
— | ||
|
88321A
|
88321A
88342-14030
Plate Sub-Assy, Valve
[01.1990 - 08.1992] HDJ80,HZJ80..LHD SINGLE DEALER OPT,REAR |
88342-14030 |
— | ||
|
88321A
|
88321A
88342-22010
Plate Sub-Assy, Valve
[05.1993 - 01.1995] HDJ80,HZJ80..LHD REAR |
88342-22010 |
— | ||
|
88329E
|
88329E
90099-04370
Bolt, Compressor, No.1
[01.1990 - 08.1992] HDJ80,HZJ80 |
90099-04370 |
— | ||
|
88335
|
88335
88335-14010
Gasket Kit, Overhaul
[01.1990 - 01.1992] HDJ80..RHD; FJ80,HDJ80,HZJ80..LHD |
88335-14010 |
— | ||
| replacement | |||||
|
88335
|
88335
88335-2B030 Gasket Kit, Overhaul[01.1990 - 01.1992] HDJ80..RHD; FJ80,HDJ80,HZJ80..LHD |
88335-2B030 |
from US $35.21 |
||
|
88335
|
88335
88335-2B010
Gasket Kit, Overhaul
[05.1993 - 01.1995] HDJ80,HZJ80..LHD |
88335-2B010 |
— | ||
| replacement | |||||
|
88335
|
88335
88335-2B030 Gasket Kit, Overhaul[05.1993 - 01.1995] HDJ80,HZJ80..LHD |
88335-2B030 |
from US $35.21 |
||
|
88335
|
88335
88335-2B030 Gasket Kit, Overhaul[03.1995 - 01.1998] HZJ80 |
88335-2B030 |
from US $35.21 |
||
|
88343B
|
88343B
88343-14020
Reed, Suction Valve
[01.1990 - 01.1992] HDJ80..RHD; FJ80,HDJ80,HZJ80..LHD |
88343-14020 |
— | ||
|
88344C
|
88344C
88344-14020
Reed Sub-Assy, Valve
[01.1990 - 08.1992] HDJ80,HZJ80..LHD; HDJ80..RHD |
88344-14020 |
— | ||
|
88344C
|
88344C
88344-14022
Reed, Discharge Valve
[01.1990 - 08.1992] HZJ80..MTM;HDJ80..LHD..VX SINGLE DEALER OPT |
88344-14022 |
— | ||
|
88344C
|
88344C
88344-22010
Reed, Discharge Valve
[05.1993 - 01.1995] HDJ80,HZJ80..LHD |
88344-22010 |
— | ||
|
88360A
|
88360A
90096-90022
Ring, Compressor Seal Plate Snap
[01.1990 - 01.1992] HDJ80..RHD; FJ80,HDJ80,HZJ80..LHD |
90096-90022 |
— | ||
|
88360C
|
88360C
88360-14030
Seal Assy, Shaft
[01.1990 - 01.1992] HDJ80..RHD; FJ80,HDJ80,HZJ80..LHD |
88360-14030 |
— | ||
| replacement | |||||
|
88360C
|
88360C
88360-2B020 Seal Assy, Shaft[01.1990 - 01.1992] HDJ80..RHD; FJ80,HDJ80,HZJ80..LHD |
88360-2B020 |
from US $68.84 |
||
|
88360C
|
88360C
88360-2B020 Seal Assy, Shaft[03.1995 - 01.1998] HZJ80 |
88360-2B020 |
from US $68.84 |
||
|
88371A
|
88371A
88371-60210
Valve, Suction
[01.1990 - 05.1993] HDJ80,HZJ80..LHD |
88371-60210 |
— | ||
|
88371A
|
88371A
88371-60300
Valve, Suction
[05.1993 - 01.1995] HDJ80,HZJ80..LHD |
88371-60300 |
— | ||
|
88374A
|
88374A
88374-12020
Valve, Service, No.1
[01.1990 - 01.1992] HDJ80..RHD; FJ80,HDJ80,HZJ80..LHD |
88374-12020 |
— | ||
| replacement | |||||
|
88374A
|
88374A
88374-20020 Valve, Service, No.1[01.1990 - 01.1992] HDJ80..RHD; FJ80,HDJ80,HZJ80..LHD |
88374-20020 |
US $5.73 |
||
|
88375
|
88375
88375-20010
Cap, Service Valve (For Cooler Pipe)
[01.1990 - 01.1992] HDJ80..RHD DISCHARGE; FJ80,HDJ80,HZJ80..LHD DISCHARGE |
88375-20010 |
— | ||
|
88375
|
88375
88375-30270
Cap, Cooler Compressor Service Valve
[01.1990 - 01.1992] HDJ80..RHD SUCTION; FJ80,HDJ80,HZJ80..LHD SUCTION |
88375-30270 |
— | ||
|
88376
|
88376
88376-22010
Cap, Blind
[01.1990 - 01.1992] HDJ80..RHD SUCTION; FJ80,HDJ80,HZJ80..LHD SUCTION |
88376-22010 |
— | ||
|
88376
|
88376
88376-22020
Cap, Blind
[01.1990 - 01.1992] HDJ80..RHD DISCHARGE; FJ80,HDJ80,HZJ80..LHD DISCHARGE |
88376-22020 |
— | ||
|
9009904924
|
9009904924
90099-04924
Bolt, Service Valve
|
90099-04924 |
— | ||
|
9009908058
|
9009908058
90099-08058
Pin, Cylinder Block
|
90099-08058 |
— | ||