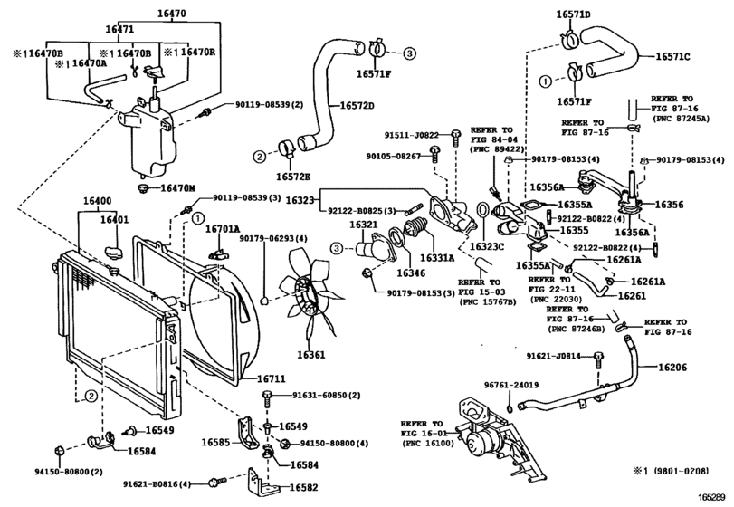
Radiator & Water Outlet ([01.1998 - ] (9801- )2UZFE) Diagram Toyota LAND CRUISER
- Year
- 2002 - 2007
- Sales region
- Japan
- Frame
- UZJ100
- grade
- VX
- ENGINE
- 2UZFE
- TRANSMISSION
- ATM
- Model
- LAND CRUISER 100
- From
- 08.2002
- To
- 08.2007
- Gear Shift Type
- 5FC
- Vehicle Model
- Land Cruiser
Difficulties in parts search?
Difficulties in parts search?
| Description | OEM Part # | Price | |||
|---|---|---|---|---|---|
|
16206
|
16206
16206-50120 Pipe Sub-Assy, Water By-Pass[08.2002 - 05.2005] 2UZFE..UZJ100 |
16206-50120 |
US $96.10 |
||
|
16261
|
16261
16261-50090 Hose, Water By-Pass[08.2002 - 05.2005] 2UZFE..UZJ100 |
16261-50090 |
from US $5.61 |
||
|
16261A
|
16261A
90467-13054 Clamp Or Clip, Hose(For Water By-Pass Hose)[08.2002 - 01.2005] 2UZFE..UZJ100 |
90467-13054 |
from US $1.08 |
||
| replacement | |||||
|
16261A
|
16261A
96135-51300 Clamp, Hose[08.2002 - 01.2005] 2UZFE..UZJ100 |
96135-51300 |
from US $1.86 |
||
|
16261A
|
16261A
96137-41501 Clamp Or Clip, Hose(For Water By-Pass Hose)[01.2005 - 05.2005] 2UZFE..UZJ100 |
96137-41501 |
from US $2.09 |
||
|
16321
|
16321
16321-50020 Inlet, Water[08.2002 - 05.2005] 2UZFE..UZJ100 |
16321-50020 |
from US $39.79 |
||
|
16323
|
16323
16032-50110 Housing, Water Inlet[08.2002 - 05.2005] 2UZFE..UZJ100 |
16032-50110 |
from US $77.96 |
||
|
16323C
|
16323C
96761-35035 Ring, O(For Water Inlet)[08.2002 - 05.2005] 2UZFE..UZJ100 |
96761-35035 |
from US $2.66 |
||
|
16331A
|
16331A
90916-03100 Thermostat[08.2002 - 05.2005] 2UZFE..UZJ100 *WAX 82−95 |
90916-03100 |
from US $19.67 |
||
|
16331A
|
16331A
90916-03138 Thermostat[07.2006 -] 2UZFE..UZJ100 |
90916-03138 |
from US $37.92 |
||
|
16346
|
16346
16346-50010 Gasket, Thermostat[08.2002 - 05.2005] 2UZFE..UZJ100 |
16346-50010 |
from US $3.44 |
||
|
16355
|
16355
16355-50080 Joint, Water By-Pass, Front[08.2002 - 05.2005] 2UZFE..UZJ100 |
16355-50080 |
from US $99.54 |
||
|
16355A
|
16355A
16341-50020 Gasket(For Water By-Pass Joint Front)[08.2002 - 05.2005] 2UZFE..UZJ100 |
16341-50020 |
from US $6.59 |
||
|
16356
|
16356
16356-50120 Joint, Water By-Pass, Rear[08.2002 - 05.2005] 2UZFE..UZJ100 |
16356-50120 |
US $132.79 |
||
|
16356A
|
16356A
16341-50020 Gasket(For Water By-Pass Joint Front)[08.2002 - 05.2005] 2UZFE..UZJ100 |
16341-50020 |
from US $6.59 |
||
|
16361
|
16361
16361-50040 Fan[08.2002 - 05.2005] 2UZFE..UZJ100 |
16361-50040 |
from US $142.31 |
||
|
16400
|
16400
16400-50211 Radiator Assy[08.2002 - 10.2004] 2UZFE..UZJ100 |
16400-50211 |
US $773.14 |
||
| replacement | |||||
|
16400
|
16400
16400-50360 Radiator Assy[08.2002 - 10.2004] 2UZFE..UZJ100 |
16400-50360 |
from US $951.27 |
||
|
16400
|
16400
16400-50212
Radiator Assy
[11.2004 - 05.2005] 2UZFE..UZJ100 |
16400-50212 |
— | ||
| replacement | |||||
|
16400
|
16400
16400-50360 Radiator Assy[11.2004 - 05.2005] 2UZFE..UZJ100 |
16400-50360 |
from US $951.27 |
||
|
16401
|
16401
16401-50210 Cap Sub-Assy, Radiator[11.2004 - 05.2005] 1HDFTE..HDJ101; 2UZFE..UZJ100 |
16401-50210 |
US $11.18 |
||
| replacement | |||||
|
16401
|
16401
16401-67150 Cap Sub-Assy(For Water Outlet)[11.2004 - 05.2005] 1HDFTE..HDJ101; 2UZFE..UZJ100 |
16401-67150 |
from US $16.97 |
||
|
16401
|
16401
16401-67150 Cap Sub-Assy(For Water Outlet)[08.2002 - 10.2004] 1HDFTE..HDJ101; 2UZFE..UZJ100 |
16401-67150 |
from US $16.97 |
||
|
16470
|
16470
16470-50100 Tank Assy, Radiator Reserve[08.2002 - 05.2005] 2UZFE..UZJ100 |
16470-50100 |
from US $65.02 |
||
|
16470M
|
16470M
90480-25025 Grommet, Radiator Reserve Tank Hose[08.2002 - 05.2005] 1HDFTE..HDJ101; 2UZFE..UZJ100 |
90480-25025 |
US $2.33 |
||
|
16471
|
16471
16405-50020 Cap Sub-Assy, Reserve Tank[08.2002 - 05.2005] 2UZFE..UZJ100 |
16405-50020 |
from US $10.31 |
||
|
16549
|
16549
16549-50010 Collar, Radiator Support, No.2[08.2002 - 05.2005] 1HDFTE..HDJ101 NO.1; 2UZFE..UZJ100 アッパブラケット サイド |
16549-50010 |
from US $5.32 |
||
|
16549
|
16549
16549-61010 Collar, Radiator Support, No.2[08.2002 - 05.2005] 1HDFTE..HDJ101 NO.2; 2UZFE..UZJ100 下側 |
16549-61010 |
from US $3.14 |
||
|
16571C
|
16571C
16571-50150 Hose, Radiator, No.1[08.2002 - 05.2005] 2UZFE..UZJ100 |
16571-50150 |
from US $19.53 |
||
|
16571D
|
16571D
90467-41002
Clamp Or Clip, Hose(For Radiator Inlet)
[08.2002 - 05.2005] 2UZFE..UZJ100 |
90467-41002 |
— | ||
| replacement | |||||
|
16571D
|
16571D
90466-41008 Clamp, Hose(For Radiator Hose)[08.2002 - 05.2005] 2UZFE..UZJ100 |
90466-41008 |
from US $4.07 |
||
|
16571F
|
16571F
90467-41002
Clamp Or Clip, Hose(For Radiator Inlet)
[08.2002 - 05.2005] 2UZFE..UZJ100 |
90467-41002 |
— | ||
| replacement | |||||
|
16571F
|
16571F
90466-41008 Clamp, Hose(For Radiator Hose)[08.2002 - 05.2005] 2UZFE..UZJ100 |
90466-41008 |
from US $4.07 |
||
|
16572D
|
16572D
16572-50150 Hose, Radiator, No.2[08.2002 - 05.2005] 2UZFE..UZJ100 |
16572-50150 |
from US $27.36 |
||
|
16572E
|
16572E
90467-43002 Clamp Or Clip, Hose(For Radiator Inlet)[08.2002 - 05.2005] 2UZFE..UZJ100 |
90467-43002 |
from US $3.84 |
||
|
16582
|
16582
16582-50010 Bracket, Radiator, No.1[08.2002 - 05.2005] 1HDFTE..HDJ101; 2UZFE..UZJ100 |
16582-50010 |
US $31.25 |
||
|
16584
|
16584
16584-61020 Insulator, Radiator Mounting[08.2002 - 05.2005] 1HDFTE..HDJ101 NO.2; 2UZFE..UZJ100 下側 |
16584-61020 |
from US $13.97 |
||
|
16584
|
16584
16584-66010 Insulator, Radiator Mounting[08.2002 - 05.2005] 1HDFTE..HDJ101 NO.1; 2UZFE..UZJ100 アッパブラケット サイド |
16584-66010 |
from US $3.17 |
||
|
16585
|
16585
16585-61020 Bracket, Radiator, No.3[08.2002 - 05.2005] 1HDFTE..HDJ101; 2UZFE..UZJ100 |
16585-61020 |
from US $13.57 |
||
|
16701A
|
16701A
90469-45001 Clamp, Sub Radiator Hose[08.2002 - 05.2005] 2UZFE..UZJ100 |
90469-45001 |
US $13.26 |
||
|
16711
|
16711
16711-50090 Shroud, Fan[08.2002 - 05.2005] 2UZFE..UZJ100 |
16711-50090 |
from US $112.90 |
||
|
91511J0822
|
91511J0822
91511-J0822 New Genuine Part |
91511-J0822 |
US $1.65 |
||
|
91621B0816
|
91621B0816
91621-B0816 BOLT WWASHER |
91621-B0816 |
from US $0.82 |
||
|
91621J0814
|
91621J0814
91621-J0814 Bolt (For Transmission Control Cable Bracket) |
91621-J0814 |
from US $0.78 |
||
|
92122B0822
|
92122B0822
92122-B0822 Bolt, Stud(For Distributor) |
92122-B0822 |
US $2.69 |
||
|
92122B0825
|
92122B0825
92122-B0825 Bolt, Stud(For Water Outlet Setting) |
92122-B0825 |
US $1.51 |
||
|
9010508267
|
9010508267
90105-08267 BOLT WASHER BASED |
90105-08267 |
US $2.75 |
||
|
9011908539
|
9011908539
90119-08539 BOLT |
90119-08539 |
US $1.61 |
||
|
9017906293
|
9017906293
90179-06293 NUT |
90179-06293 |
from US $0.82 |
||
|
9017908153
|
9017908153
90179-08153 NUT |
90179-08153 |
from US $0.76 |
||
|
9163160850
|
9163160850
91631-60850 BOLT WWASHER |
91631-60850 |
US $1.79 |
||
|
9415080800
|
9415080800
94150-80800 NUT, FLANGE |
94150-80800 |
from US $0.76 |
||
|
9676124019
|
9676124019
96761-24019 Ring, O(For Water By-Pass Pipe) |
96761-24019 |
from US $2.19 |
||