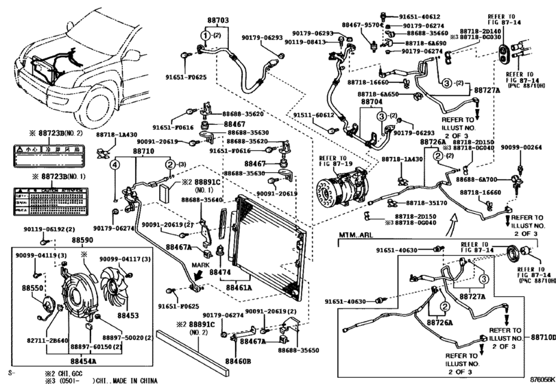
Heating & Air Conditioning - Cooler Piping ([01.2003 - ] FRONT-DUAL AIR CONDITIONER (0301-0601)GRJ120..5FC,6F..GCC ; (0301- )GRJ1 25 ; (0301- )GRJ120..ARL,CHI,GEN ; (0301- )GRJ 120..4FC,5F..GCC) Diagram Toyota LAND CRUISER PRADO
- Year
- 2003 - 2004
- Sales region
- General
- Frame
- GRJ120
- grade
- GX
- ENGINE
- 1GRFE
- TRANSMISSION
- MTM
- DESTINATION
- ARL
- Model
- LAND CRUISER PRADO 120
- From
- 01.2003
- To
- 08.2004
- Gear Shift Type
- 5F
- No.of Doors
- 5D
- Vehicle Model
- Land Cruiser Prado
- Driver's Position
- RHD
Difficulties in parts search?
Difficulties in parts search?
| Description | OEM Part # | Price | |||
|---|---|---|---|---|---|
|
88453
|
88453
88453-60010 Fan, Cooling (For Condenser)[09.2002 - 11.2003] GRJ120..5F..ARL AIR CONDITIONER-DUAL AUTO |
88453-60010 |
from US $48.05 |
||
|
88454A
|
88454A
88454-60030
Shroud, Fan
[09.2002 - 11.2003] GRJ120..5F..ARL AIR CONDITIONER-DUAL AUTO |
88454-60030 |
— | ||
| replacement | |||||
|
88454A
|
88454A
88454-60040 Shroud, Fan[09.2002 - 11.2003] GRJ120..5F..ARL AIR CONDITIONER-DUAL AUTO |
88454-60040 |
US $67.18 |
||
|
88460B
|
88460B
88688-35570 Bracket, Cooler Condenser, No.1[09.2002 - 10.2003] GRJ120..5F..ARL AIR CONDITIONER-DUAL AUTO |
88688-35570 |
from US $7.69 |
||
|
88461A
|
88461A
88461-35150 Core, Cooler CondenserCOOLER CONDENSER [01.2003 - 07.2003] GRJ12#..VX; GRJ120..GX AIR CONDITIONER-SINGLE AUTO |
88461-35150 |
US $681.41 |
||
|
88461A
|
88461A
88461-60090 Core, Cooler CondenserCOOLER CONDENSER [01.2003 - 09.2003] GRJ120..GX AIR CONDITIONER-DUAL AUTO |
88461-60090 |
US $445.54 |
||
|
88461A
|
88461A
88461-60091 Core, Cooler Condenser[09.2003 - 10.2003] GRJ120..5F..ARL AIR CONDITIONER-DUAL AUTO |
88461-60091 |
from US $566.38 |
||
|
88467
|
88467
88467-28050 Cushion, Cooler Condenser, No.1[09.2002 - 07.2003] GRJ12#..VX; GRJ120..GX AIR CONDITIONER-SINGLE AUTO |
88467-28050 |
US $2.71 |
||
|
88467A
|
88467A
88467-35080 Cushion, Cooler Condenser, No.1[09.2002 - 07.2003] GRJ12#..VX; GRJ120..GX AIR CONDITIONER-SINGLE AUTO |
88467-35080 |
from US $3.84 |
||
|
88474
|
88474
88474-17010 Dryer, Cooler[09.2002 - 04.2004] GRJ120,KZJ120..GX..ARL AIR CONDITIONER-SINGLE MANUAL AFTER SET |
88474-17010 |
from US $65.40 |
||
|
88550
|
88550
88550-12160 Motor, Cooling Fan[09.2002 - 11.2003] GRJ120..5F..ARL AIR CONDITIONER-DUAL AUTO |
88550-12160 |
from US $183.83 |
||
|
88590
|
88590
88590-60040
Blower Assy, W/shroud
[09.2002 - 11.2003] GRJ120..5F..ARL AIR CONDITIONER-DUAL AUTO |
88590-60040 |
— | ||
| replacement | |||||
|
88590
|
88590
88590-60060 Blower Assy, W/shroud[09.2002 - 11.2003] GRJ120..5F..ARL AIR CONDITIONER-DUAL AUTO |
88590-60060 |
US $412.97 |
||
|
88703
|
88703
88703-35010 Hose Sub-Assy, Discharge[01.2003 - 11.2003] GRJ120..5F..ARL AIR CONDITIONER-DUAL AUTO; GRJ120..5F..ARL AIR CONDITIONER-DUAL AUTO&WITH/COOL BOX |
88703-35010 |
US $147.06 |
||
|
88704
|
88704
88704-35010 Hose Sub-Assy, SuctionSUCTION [01.2003 - 11.2003] GRJ120..5F..ARL AIR CONDITIONER-DUAL AUTO; GRJ120..5F..ARL AIR CONDITIONER-DUAL AUTO&WITH/COOL BOX |
88704-35010 |
US $292.66 |
||
|
88710
|
88710
88710-35540 Tube Assy, Air Conditioner[09.2002 - 08.2009] LJ12#;GRJ12#,KDJ120,KZJ120..VX..(ARL,GEN); TRJ12#..GEN;GRJ120,KDJ120,KZJ120,RZJ12#..GX..(ARL,GCC,GEN) AIR CONDITIONER-SINGLE AUTO; TRJ12#..GEN;RZJ12#..GCC,GEN AIR CONDITIONER-SINGLE MANUAL; GRJ120,KDJ120,KZJ120..GX..ARL AIR CONDITIONER |
88710-35540 |
from US $300.26 |
||
|
88710
|
88710
88710-6A770 Tube Assy, Air Conditioner[09.2002 - 11.2003] GRJ120..5F..ARL AIR CONDITIONER-DUAL AUTO |
88710-6A770 |
US $354.68 |
||
|
88723B
|
88723B
88723-20081
Label, Caution
[09.2002 - 11.2003] GRJ120..5F..ARL AIR CONDITIONER-DUAL AUTO |
88723-20081 |
— | ||
| replacement | |||||
|
88723B
|
88723B
16793-31070 Label, Caution[09.2002 - 11.2003] GRJ120..5F..ARL AIR CONDITIONER-DUAL AUTO |
16793-31070 |
from US $0.82 |
||
|
88726A
|
88726A
88716-6B490 Pipe, Cooler Refrigerant Liquid, A[05.2003 - 11.2003] GRJ120..5F..ARL AIR CONDITIONER-DUAL AUTO |
88716-6B490 |
US $179.09 |
||
| replacement | |||||
|
88726A
|
88726A
88716-6B491
Pipe, Cooler Refrigerant Liquid, A
[05.2003 - 11.2003] GRJ120..5F..ARL AIR CONDITIONER-DUAL AUTO |
88716-6B491 |
— | ||
|
88726A
|
88726A
88716-6B540 Pipe, Cooler Refrigerant Liquid, ACOOLER REFRIGERANT LIQUID, A [05.2003 - 08.2005] GRJ120,KZJ120,RZJ120..RHD..MTM AIR CONDITIONER-SINGLE AUTO&WITH/COOL BOX |
88716-6B540 |
US $81.54 |
||
|
88726A
|
88726A
88716-6B570 Pipe, Cooler Refrigerant Liquid, A[05.2003 - 11.2003] GRJ120..5F..ARL AIR CONDITIONER-DUAL AUTO&WITH/COOL BOX |
88716-6B570 |
US $68.87 |
||
|
88727A
|
88727A
88717-6A630 Pipe, Cooler Refrigerant Suction, A[05.2003 - 11.2003] GRJ120..5F..ARL AIR CONDITIONER-DUAL AUTO; GRJ120..5F..ARL AIR CONDITIONER-DUAL AUTO&WITH/COOL BOX |
88717-6A630 |
US $301.39 |
||
| replacement | |||||
|
88727A
|
88727A
88717-6A631
Pipe, Cooler Refrigerant Suction, A
[05.2003 - 11.2003] GRJ120..5F..ARL AIR CONDITIONER-DUAL AUTO; GRJ120..5F..ARL AIR CONDITIONER-DUAL AUTO&WITH/COOL BOX |
88717-6A631 |
— | ||
|
91651F0616
|
91651F0616
91651-F0616 BOLT |
91651-F0616 |
US $1.97 |
||
|
91651F0625
|
91651F0625
91651-F0625 BOLT WWASHER |
91651-F0625 |
US $1.43 |
||
|
827112B640
|
827112B640
82711-2B640 Wire, Fuse To Fuse(for Combustion Heater) |
82711-2B640 |
US $1.97 |
||
|
886886A700
|
886886A700
88688-6A700
Bracket, Cooler Diaphragm
|
88688-6A700 |
— | ||
|
887180G030
|
887180G030
88718-0G030
Pipe, Cooler Refrigerant Suction, No.2
|
88718-0G030 |
— | ||
|
887180G040
|
887180G040
88718-0G040
Pipe, Cooler Refrigerant Suction, No.2
|
88718-0G040 |
— | ||
|
887181A430
|
887181A430
88718-1A430
Clamp(For Cooler Refrigerant Pipe), No.1
|
88718-1A430 |
— | ||
|
887182D140
|
887182D140
88718-2D140 Clamp(For Cooler Refrigerant Pipe), No.1 |
88718-2D140 |
from US $6.46 |
||
|
887182D150
|
887182D150
88718-2D150 Clamp(For Cooler Refrigerant Pipe), No.1 |
88718-2D150 |
from US $5.69 |
||
|
887186A650
|
887186A650
88718-6A650
Pipe, Cooler Refrigerant Suction, No.2
|
88718-6A650 |
— | ||
|
887186A690
|
887186A690
88718-6A690
Pipe, Cooler Refrigerant Suction, No.2
|
88718-6A690 |
— | ||
|
8846795704
|
8846795704
88467-95704 Cushion, Cooler Condenser, No.1 |
88467-95704 |
US $3.72 |
||
|
8868835620
|
8868835620
88688-35620
Bracket, Cooler Diaphragm
|
88688-35620 |
— | ||
|
8868835630
|
8868835630
88688-35630
Bracket, Cooler Diaphragm
|
88688-35630 |
— | ||
|
8868835640
|
8868835640
88688-35640
Bracket, Cooler Diaphragm
|
88688-35640 |
— | ||
|
8868835650
|
8868835650
88688-35650
Bracket, Cooler Diaphragm
|
88688-35650 |
— | ||
|
8868835660
|
8868835660
88688-35660
Bracket, Cooler Diaphragm
|
88688-35660 |
— | ||
|
8871816660
|
8871816660
88718-16660
Pipe, Cooler Refrigerant Suction, No.2
|
88718-16660 |
— | ||
|
8871835170
|
8871835170
88718-35170
Pipe, Cooler Refrigerant Suction, No.2
|
88718-35170 |
— | ||
|
8889750020
|
8889750020
88897-50020
Grommet, Cooler
|
88897-50020 |
— | ||
|
8889760150
|
8889760150
88897-60150
Valve, Cooler Magnet
|
88897-60150 |
— | ||
|
9009120619
|
9009120619
90091-20619 BOLT |
90091-20619 |
US $0.28 |
||
|
9009900264
|
9009900264
90099-00264
SCREW
|
90099-00264 |
— | ||
|
9009904117
|
9009904117
90099-04117 Bolt, Radiator Side Support Plate |
90099-04117 |
from US $0.62 |
||
|
9009904119
|
9009904119
90099-04119 BOLT WASHER HEAD |
90099-04119 |
from US $0.55 |
||
|
9011906192
|
9011906192
90119-06192 BOLT |
90119-06192 |
US $1.61 |
||
|
9011908413
|
9011908413
90119-08413 New Genuine Part |
90119-08413 |
US $0.70 |
||
|
9017906274
|
9017906274
90179-06274 Nut |
90179-06274 |
from US $0.70 |
||
|
9017906293
|
9017906293
90179-06293 NUT |
90179-06293 |
from US $0.84 |
||
|
9151160612
|
9151160612
91511-60612 BOLT |
91511-60612 |
US $1.97 |
||
|
9165140612
|
9165140612
91651-40612 BOLT |
91651-40612 |
from US $0.98 |
||
| replacement | |||||
|
9165140612
|
9165140612
90080-11225 New Genuine Part |
90080-11225 |
US $2.97 |
||
|
9165140630
|
9165140630
91651-40630 BOLT |
91651-40630 |
US $1.43 |
||