Heating & Air Conditioning - Water Piping ([04.2009 - ] (0904- )) Diagram Toyota LEXUS IS

Year
2009 - 2012
Sales region
U.S.A.
Frame
GSE20
grade
250C
ENGINE
4GRFSE
TRANSMISSION
MTM
Model
IS250
From
04.2009
To
08.2012
Gear Shift Type
6F
Vehicle Model
IS250C

Difficulties in parts search?

Parts list
Heating & Air Conditioning - Water Piping

Difficulties in parts search?

Heating & Air Conditioning - Water Piping
Description OEM Part # Price
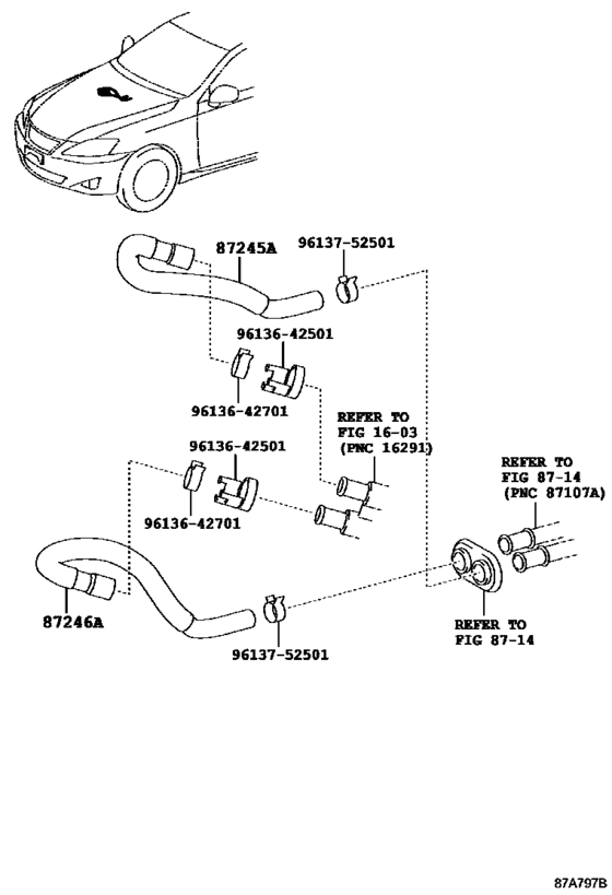
87245A
87245A

87245-53180

Hose, Heater Water, Inlet

[04.2009 -] GSE2#

87245-53180

US $27.89

87246A
87246A

87245-53130

Hose, Heater Water, Outlet A

HEATER WATER, OUTLET A

[04.2009 -] GSE2#

87245-53130

US $27.96

9613642501
9613642501

96136-42501

Clip(For Ventilation Hose)

96136-42501

from US $3.17

9613642701
9613642701

96136-42701

Clamp Or Clip, Hose(For Water By-Pass Hose)

96136-42701

from US $3.25

9613752501
9613752501

96137-52501

Clip Or Clamp(For Ventilation Hose)

96137-52501

from US $4.30

Heating & Air Conditioning - Water Piping ([04.2009 - ] (0904- )) Diagram Toyota LEXUS IS U.S.A. 17821919-917354