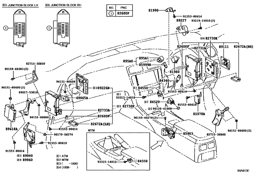
Switch & Relay & Computer ([04.2009 - ] COWL (0904- )RHD) Diagram Toyota LEXUS IS
- Year
- 2009 - 2014
- Sales region
- Europe
- Frame
- GSE20
- grade
- 250C
- ENGINE
- 4GRFSE
- TRANSMISSION
- ATM
- Model
- IS250
- From
- 04.2009
- To
- 11.2014
- Gear Shift Type
- 6FC
- Vehicle Model
- IS250C
- Driver's Position
- RHD
Difficulties in parts search?
Difficulties in parts search?
| Description | OEM Part # | Price | |||
|---|---|---|---|---|---|
|
895A0
|
895A0
895A0-53010 Relay Assy, Stop Lamp Control[04.2009 - 08.2010] GSE20 |
895A0-53010 |
US $66.25 |
||
|
895A0
|
895A0
895A0-53020 Relay Assy, Stop Lamp Control[08.2010 -] GSE20 |
895A0-53020 |
US $55.18 |
||
|
895A1
|
895A1
895A1-12010 Relay, Stop Lamp ControlSTOP LAMP CONTROL [08.2010 -] GSE20 |
895A1-12010 |
US $50.67 |
||
|
895A1
|
895A1
895A1-53010 Relay, Stop Lamp Control[04.2009 - 08.2010] GSE20 |
895A1-53010 |
US $60.86 |
||
| replacement | |||||
|
895A1
|
895A1
895A1-12010 Relay, Stop Lamp ControlSTOP LAMP CONTROL [04.2009 - 08.2010] GSE20 |
895A1-12010 |
US $50.67 |
||
|
69065A
|
69065A
69065-12460 Cylinder Sub-Assy, Air Bag Cut Off Switch[08.2012 - 11.2014] GSE20..RHD NEW ZEALAND SPEC; GSE20..RHD HONGKONG SPEC; GSE20..RHD SINGAPORE SPEC; GSE20..RHD THAILAND SPEC; GSE20..RHD AUSTRALIA SPEC; GSE20..RHD SOUTH AFRICA SPEC; GSE20..RHD MALAYSIA SPEC |
69065-12460 |
US $38.88 |
||
|
69065A
|
69065A
69065-47040
Cylinder Sub-Assy, Air Bag Cut Off Sw
[12.2009 - 08.2012] GSE20; GSE20..RHD NEW ZEALAND SPEC; GSE20..RHD..6FC HONGKONG SPEC; GSE20..RHD..6FC SINGAPORE SPEC; GSE20..RHD..6FC THAILAND SPEC; GSE20..RHD AUSTRALIA SPEC; GSE20..LHD..6FC TAIWAN SPEC; GSE20..RHD SOUTH AFRICA SPEC; GSE20..RHD..6FC MAL |
69065-47040 |
— | ||
|
69065A
|
69065A
69065-53010 Cylinder Sub-Assy, Air Bag Cut Off SwAIR BAG CUT OFF SW [04.2009 - 11.2009] GSE20; GSE20..RHD NEW ZEALAND SPEC; GSE20..RHD..6FC HONGKONG SPEC; GSE20..RHD..6FC SINGAPORE SPEC; GSE20..RHD..6FC THAILAND SPEC; GSE20..RHD AUSTRALIA SPEC; GSE20..LHD..6FC TAIWAN SPEC; GSE20..RHD SOUTH AFRICA SPEC; GSE20..RHD..6FC MAL |
69065-53010 |
US $51.40 |
||
|
81980
|
81980
81980-53040 Flasher Assy, Turn SignalTURN SIGNAL [04.2009 -] GSE20 |
81980-53040 |
US $70.18 |
||
|
81990
|
81990
81991-53010 Relay Assy, Turn SignalTURN SIGNAL [04.2009 -] GSE20 |
81991-53010 |
US $62.46 |
||
|
82600F
|
82600F
90982-09020 Fusible Link[04.2009 - 07.2015] GSE20 7.5A,MINI FUSE |
90982-09020 |
from US $0.84 |
||
|
82600F
|
82600F
90982-09021 Fusible Link[04.2009 - 07.2015] GSE20 10A,MINI FUSE |
90982-09021 |
from US $0.78 |
||
|
82600F
|
82600F
90982-09022 Instrument Panel Fuse[04.2009 - 07.2015] GSE20 15A,MINI FUSE |
90982-09022 |
from US $0.80 |
||
|
82600F
|
82600F
90982-09023 Instrument Panel Fuse[04.2009 - 07.2015] GSE20 20A,MINI FUSE |
90982-09023 |
from US $0.84 |
||
|
82600F
|
82600F
90982-09024 Instrument Panel Fuse[04.2009 - 07.2015] GSE20 25A,MINI FUSE |
90982-09024 |
from US $0.82 |
||
|
82600F
|
82600F
90982-09025 Instrument Panel Fuse[04.2009 - 07.2015] GSE20 30A,MINI FUSE |
90982-09025 |
from US $0.76 |
||
|
82672A
|
82672A
82672-53120
Cover, Junction Block
[04.2009 - 08.2012] GSE20 LH |
82672-53120 |
— | ||
|
82672A
|
82672A
82672-53121
Cover, Junction Block
[08.2012 -] GSE20 LH |
82672-53121 |
— | ||
|
82672A
|
82672A
82672-53150
Cover, Junction Block
[04.2009 - 08.2012] GSE20 RH |
82672-53150 |
— | ||
|
82672A
|
82672A
82672-53151
Cover, Junction Block
[08.2012 -] GSE20 RH |
82672-53151 |
— | ||
|
82730E
|
82730E
82730-53700
Block Assy, Junction, Rh
[04.2009 - 08.2010] GSE20..RHD..6FC |
82730-53700 |
— | ||
|
82730E
|
82730E
82730-53701
Block Assy, Junction, Rh
[08.2010 - 08.2011] GSE20..RHD |
82730-53701 |
— | ||
|
82730E
|
82730E
82730-53702
Block Assy, Junction, Rh
[08.2011 - 08.2012] GSE20..RHD |
82730-53702 |
— | ||
|
82730E
|
82730E
82730-53703
Block Assy, Junction, Rh
[08.2012 - 10.2014] GSE20..RHD |
82730-53703 |
— | ||
|
82730E
|
82730E
82730-53704
Block Assy, Junction, Rh
[10.2014 - 11.2014] GSE20..RHD |
82730-53704 |
— | ||
|
82730E
|
82730E
82730-53720
Block Assy, Junction, Rh
[04.2009 - 08.2010] GSE20..RHD..6FC NEW ZEALAND SPEC |
82730-53720 |
— | ||
|
82730E
|
82730E
82730-53721
Block Assy, Junction, Rh
[08.2010 - 08.2011] GSE20..RHD NEW ZEALAND SPEC |
82730-53721 |
— | ||
|
82730E
|
82730E
82730-53722
Block Assy, Junction, Rh
[08.2011 - 08.2012] GSE20..RHD NEW ZEALAND SPEC |
82730-53722 |
— | ||
|
82730E
|
82730E
82730-53723
Block Assy, Junction, Rh
[08.2012 - 11.2014] GSE20..RHD NEW ZEALAND SPEC |
82730-53723 |
— | ||
|
82730E
|
82730E
82730-53730
Block Assy, Junction, Rh
[04.2009 - 08.2010] GSE20..RHD..6FC HONGKONG SPEC |
82730-53730 |
— | ||
|
82730E
|
82730E
82730-53731
Block Assy, Junction, Rh
[08.2010 - 08.2011] GSE20..RHD HONGKONG SPEC |
82730-53731 |
— | ||
|
82730E
|
82730E
82730-53732
Block Assy, Junction, Rh
[08.2011 - 08.2012] GSE20..RHD HONGKONG SPEC |
82730-53732 |
— | ||
|
82730E
|
82730E
82730-53733
Block Assy, Junction, Rh
[08.2012 - 11.2014] GSE20..RHD HONGKONG SPEC |
82730-53733 |
— | ||
|
82730E
|
82730E
82730-53740
Block Assy, Junction, Rh
[04.2009 - 08.2010] GSE20..RHD..6FC SINGAPORE SPEC |
82730-53740 |
— | ||
|
82730E
|
82730E
82730-53741
Block Assy, Junction, Rh
[08.2010 - 08.2011] GSE20..RHD SINGAPORE SPEC |
82730-53741 |
— | ||
|
82730E
|
82730E
82730-53742
Block Assy, Junction, Rh
[08.2011 - 08.2012] GSE20..RHD SINGAPORE SPEC |
82730-53742 |
— | ||
|
82730E
|
82730E
82730-53743
Block Assy, Junction, Rh
[08.2012 - 11.2014] GSE20..RHD SINGAPORE SPEC |
82730-53743 |
— | ||
|
82730E
|
82730E
82730-53770
Block Assy, Junction, Rh
[04.2009 - 08.2010] GSE20..RHD..6FC THAILAND SPEC |
82730-53770 |
— | ||
|
82730E
|
82730E
82730-53771
Block Assy, Junction, Rh
[08.2010 - 08.2011] GSE20..RHD THAILAND SPEC |
82730-53771 |
— | ||
|
82730E
|
82730E
82730-53772
Block Assy, Junction, Rh
[08.2011 - 08.2012] GSE20..RHD THAILAND SPEC |
82730-53772 |
— | ||
|
82730E
|
82730E
82730-53773
Block Assy, Junction, Rh
[08.2012 - 11.2014] GSE20..RHD THAILAND SPEC |
82730-53773 |
— | ||
|
82730E
|
82730E
82730-53790
Block Assy, Junction, Rh
[04.2009 - 08.2010] GSE20..RHD..6FC AUSTRALIA SPEC |
82730-53790 |
— | ||
|
82730E
|
82730E
82730-53791
Block Assy, Junction, Rh
[08.2010 - 08.2011] GSE20..RHD AUSTRALIA SPEC |
82730-53791 |
— | ||
|
82730E
|
82730E
82730-53792
Block Assy, Junction, Rh
[08.2011 - 08.2012] GSE20..RHD AUSTRALIA SPEC |
82730-53792 |
— | ||
|
82730E
|
82730E
82730-53793
Block Assy, Junction, Rh
[08.2012 - 11.2014] GSE20..RHD AUSTRALIA SPEC |
82730-53793 |
— | ||
|
82730E
|
82730E
82730-53810
Block Assy, Junction, Rh
[04.2009 - 08.2010] GSE20..RHD..6FC SOUTH AFRICA SPEC |
82730-53810 |
— | ||
|
82730E
|
82730E
82730-53811
Block Assy, Junction, Rh
[08.2010 - 08.2011] GSE20..RHD SOUTH AFRICA SPEC |
82730-53811 |
— | ||
|
82730E
|
82730E
82730-53812
Block Assy, Junction, Rh
[08.2011 - 08.2012] GSE20..RHD SOUTH AFRICA SPEC |
82730-53812 |
— | ||
|
82730E
|
82730E
82730-53813
Block Assy, Junction, Rh
[08.2012 - 10.2014] GSE20..RHD SOUTH AFRICA SPEC |
82730-53813 |
— | ||
|
82730E
|
82730E
82730-53814
Block Assy, Junction, Rh
[10.2014 - 11.2014] GSE20..RHD SOUTH AFRICA SPEC |
82730-53814 |
— | ||
|
82730E
|
82730E
82730-53820
Block Assy, Junction, Rh
[04.2009 - 08.2010] GSE20..RHD..6FC MALAYSIA SPEC |
82730-53820 |
— | ||
|
82730E
|
82730E
82730-53821
Block Assy, Junction, Rh
[08.2010 - 08.2011] GSE20..RHD MALAYSIA SPEC |
82730-53821 |
— | ||
|
82730E
|
82730E
82730-53822
Block Assy, Junction, Rh
[08.2011 - 08.2012] GSE20..RHD MALAYSIA SPEC |
82730-53822 |
— | ||
|
82730E
|
82730E
82730-53823
Block Assy, Junction, Rh
[08.2012 - 08.2013] GSE20..RHD MALAYSIA SPEC |
82730-53823 |
— | ||
|
82730E
|
82730E
82730-53C70
Block Assy, Junction, Rh
[08.2010 - 08.2011] GSE20..RHD LUXURY PACKAGE&HEADLAMP-DISCHAGE & WITH(AUTO LEVELING) |
82730-53C70 |
— | ||
|
82730E
|
82730E
82730-53C71
Block Assy, Junction, Rh
[08.2011 - 08.2012] GSE20..RHD LUXURY PACKAGE&HEADLAMP-DISCHAGE & WITH(AUTO LEVELING) |
82730-53C71 |
— | ||
|
82730E
|
82730E
82730-53C72
Block Assy, Junction, Rh
[08.2012 - 10.2014] GSE20..RHD LUXURY PACKAGE&HEADLAMP-DISCHAGE & WITH(AUTO LEVELING); GSE20..RHD F SPORT&HEADLAMP-DISCHAGE & WITH(AUTO LEVELING) |
82730-53C72 |
— | ||
|
82730E
|
82730E
82730-53C73
Block Assy, Junction, Rh
[10.2014 - 11.2014] GSE20..RHD LUXURY PACKAGE&HEADLAMP-DISCHAGE & WITH(AUTO LEVELING); GSE20..RHD F SPORT&HEADLAMP-DISCHAGE & WITH(AUTO LEVELING) |
82730-53C73 |
— | ||
|
82730E
|
82730E
82730-53C80
Block Assy, Junction, Rh
[08.2010 - 08.2011] GSE20..RHD NEW ZEALAND SPEC&LUXURY PACKAGE&HEADLAMP-DISCHAGE & WITH(AUTO LEVELING) |
82730-53C80 |
— | ||
|
82730E
|
82730E
82730-53C81
Block Assy, Junction, Rh
[08.2011 - 08.2012] GSE20..RHD NEW ZEALAND SPEC&LUXURY PACKAGE&HEADLAMP-DISCHAGE & WITH(AUTO LEVELING) |
82730-53C81 |
— | ||
|
82730E
|
82730E
82730-53C82
Block Assy, Junction, Rh
[08.2012 - 11.2014] GSE20..RHD NEW ZEALAND SPEC&LUXURY PACKAGE&HEADLAMP-DISCHAGE & WITH(AUTO LEVELING); GSE20..RHD NEW ZEALAND SPEC&F SPORT&HEADLAMP-DISCHAGE & WITH(AUTO LEVELING) |
82730-53C82 |
— | ||
|
82730E
|
82730E
82730-53C90
Block Assy, Junction, Rh
[08.2010 - 08.2011] GSE20..RHD HONGKONG SPEC&LUXURY PACKAGE&HEADLAMP-DISCHAGE & WITH(AUTO LEVELING) |
82730-53C90 |
— | ||
|
82730E
|
82730E
82730-53C91
Block Assy, Junction, Rh
[08.2011 - 08.2012] GSE20..RHD HONGKONG SPEC&LUXURY PACKAGE&HEADLAMP-DISCHAGE & WITH(AUTO LEVELING) |
82730-53C91 |
— | ||
|
82730E
|
82730E
82730-53C92
Block Assy, Junction, Rh
[08.2012 - 11.2014] GSE20..RHD HONGKONG SPEC&LUXURY PACKAGE&HEADLAMP-DISCHAGE & WITH(AUTO LEVELING); GSE20..RHD HONGKONG SPEC&F SPORT&HEADLAMP-DISCHAGE & WITH(AUTO LEVELING) |
82730-53C92 |
— | ||
|
82730E
|
82730E
82730-53D00
Block Assy, Junction, Rh
[08.2010 - 08.2011] GSE20..RHD SINGAPORE SPEC&LUXURY PACKAGE&HEADLAMP-DISCHAGE & WITH(AUTO LEVELING) |
82730-53D00 |
— | ||
|
82730E
|
82730E
82730-53D01
Block Assy, Junction, Rh
[08.2011 - 08.2012] GSE20..RHD SINGAPORE SPEC&LUXURY PACKAGE&HEADLAMP-DISCHAGE & WITH(AUTO LEVELING) |
82730-53D01 |
— | ||
|
82730E
|
82730E
82730-53D02
Block Assy, Junction, Rh
[08.2012 - 11.2014] GSE20..RHD SINGAPORE SPEC&LUXURY PACKAGE&HEADLAMP-DISCHAGE & WITH(AUTO LEVELING); GSE20..RHD SINGAPORE SPEC&F SPORT&HEADLAMP-DISCHAGE & WITH(AUTO LEVELING) |
82730-53D02 |
— | ||
|
82730E
|
82730E
82730-53D10
Block Assy, Junction, Rh
[08.2010 - 08.2011] GSE20..RHD THAILAND SPEC&LUXURY PACKAGE&HEADLAMP-DISCHAGE & WITH(AUTO LEVELING) |
82730-53D10 |
— | ||
|
82730E
|
82730E
82730-53D11
Block Assy, Junction, Rh
[08.2011 - 08.2012] GSE20..RHD THAILAND SPEC&LUXURY PACKAGE&HEADLAMP-DISCHAGE & WITH(AUTO LEVELING) |
82730-53D11 |
— | ||
|
82730E
|
82730E
82730-53D12
Block Assy, Junction, Rh
[08.2012 - 11.2014] GSE20..RHD THAILAND SPEC&LUXURY PACKAGE&HEADLAMP-DISCHAGE & WITH(AUTO LEVELING) |
82730-53D12 |
— | ||
|
82730E
|
82730E
82730-53D20
Block Assy, Junction, Rh
[08.2010 - 08.2011] GSE20..RHD AUSTRALIA SPEC&LUXURY PACKAGE&HEADLAMP-DISCHAGE & WITH(AUTO LEVELING) |
82730-53D20 |
— | ||
|
82730E
|
82730E
82730-53D21
Block Assy, Junction, Rh
[08.2011 - 08.2012] GSE20..RHD AUSTRALIA SPEC&LUXURY PACKAGE&HEADLAMP-DISCHAGE & WITH(AUTO LEVELING) |
82730-53D21 |
— | ||
|
82730E
|
82730E
82730-53D22
Block Assy, Junction, Rh
[08.2012 - 11.2014] GSE20..RHD AUSTRALIA SPEC&LUXURY PACKAGE&HEADLAMP-DISCHAGE & WITH(AUTO LEVELING); GSE20..RHD AUSTRALIA SPEC&F SPORT&HEADLAMP-DISCHAGE & WITH(AUTO LEVELING) |
82730-53D22 |
— | ||
|
82730E
|
82730E
82730-53D30
Block Assy, Junction, Rh
[08.2010 - 08.2011] GSE20..RHD SOUTH AFRICA SPEC&LUXURY PACKAGE&HEADLAMP-DISCHAGE & WITH(AUTO LEVELING) |
82730-53D30 |
— | ||
|
82730E
|
82730E
82730-53D31
Block Assy, Junction, Rh
[08.2011 - 08.2012] GSE20..RHD SOUTH AFRICA SPEC&LUXURY PACKAGE&HEADLAMP-DISCHAGE & WITH(AUTO LEVELING) |
82730-53D31 |
— | ||
|
82730E
|
82730E
82730-53D32
Block Assy, Junction, Rh
[08.2012 - 10.2014] GSE20..RHD SOUTH AFRICA SPEC&LUXURY PACKAGE&HEADLAMP-DISCHAGE & WITH(AUTO LEVELING) |
82730-53D32 |
— | ||
|
82730E
|
82730E
82730-53D33
Block Assy, Junction, Rh
[10.2014 - 11.2014] GSE20..RHD SOUTH AFRICA SPEC&LUXURY PACKAGE&HEADLAMP-DISCHAGE & WITH(AUTO LEVELING) |
82730-53D33 |
— | ||
|
82730E
|
82730E
82730-53D40
Block Assy, Junction, Rh
[08.2010 - 08.2011] GSE20..RHD MALAYSIA SPEC&LUXURY PACKAGE&HEADLAMP-DISCHAGE & WITH(AUTO LEVELING) |
82730-53D40 |
— | ||
|
82730E
|
82730E
82730-53D41
Block Assy, Junction, Rh
[08.2011 - 08.2012] GSE20..RHD MALAYSIA SPEC&LUXURY PACKAGE&HEADLAMP-DISCHAGE & WITH(AUTO LEVELING) |
82730-53D41 |
— | ||
|
82730E
|
82730E
82730-53D42
Block Assy, Junction, Rh
[08.2012 - 08.2013] GSE20..RHD MALAYSIA SPEC&LUXURY PACKAGE&HEADLAMP-DISCHAGE & WITH(AUTO LEVELING) |
82730-53D42 |
— | ||
|
82730F
|
82730F
82730-53580
Block Assy, Junction, Lh
[04.2009 - 08.2010] GSE20 |
82730-53580 |
— | ||
|
82730F
|
82730F
82730-53582
Block Assy, Junction, Lh
[08.2010 - 08.2012] GSE20 |
82730-53582 |
— | ||
|
82730F
|
82730F
82730-53583
Block Assy, Junction, Lh
[08.2012 -] GSE20 |
82730-53583 |
— | ||
|
82731A
|
82731A
82731-53030 Block, Cowl Side Junction, Rh[04.2009 -] GSE20 |
82731-53030 |
US $96.10 |
||
|
82733A
|
82733A
82733-53040 Block, Cowl Side Junction, Lh[04.2009 -] GSE20 |
82733-53040 |
from US $119.92 |
||
|
84340
|
84340
84340-30110 Switch Assy, Stop Lamp[04.2009 - 07.2015] GSE20 |
84340-30110 |
from US $19.82 |
||
|
84550
|
84550
84550-16060 Switch Assy, Parking Brake[04.2009 - 07.2015] GSE20..RHD;GSE20..LHD..6FC |
84550-16060 |
from US $19.32 |
||
|
85903
|
85903
85903-30070 Computer Sub-Assy, Shift Lock Control[04.2009 - 11.2014] GSE20..RHD..6FC |
85903-30070 |
US $116.48 |
||
|
85970A
|
85970A
85970-53040
Relay Assy, Double Lock Door Control
[04.2009 - 11.2014] GSE20..RHD NEW ZEALAND SPEC; GSE20..RHD..6FC HONGKONG SPEC; GSE20..RHD..6FC SINGAPORE SPEC; GSE20..RHD..6FC THAILAND SPEC; GSE20..RHD AUSTRALIA SPEC; GSE20..RHD..6FC MALAYSIA SPEC |
85970-53040 |
— | ||
|
85999H
|
85999H
895A9-53010 Bracket, Relay[04.2009 - 08.2010] GSE20 |
895A9-53010 |
US $5.53 |
||
|
85999H
|
85999H
895A9-53020 Bracket, Relay[08.2010 -] GSE20 |
895A9-53020 |
US $5.39 |
||
|
89111
|
89111
89100-53040 Computer, Network GatewayNETWORK GATEWAY [04.2009 -] GSE20 |
89100-53040 |
US $378.56 |
||
|
89226B
|
89226B
89226-53010 Computer, Multiplex Network Body, No.2[04.2009 - 07.2010] GSE20 |
89226-53010 |
from US $591.14 |
||
|
89227
|
89227
89227-30020 Computer, Multiplex Tilt & Telescopic[04.2009 - 07.2015] GSE20 |
89227-30020 |
US $492.13 |
||
|
89618A
|
89618A
89670-53100 Computer, Power Source Control[04.2009 - 08.2012] GSE20..RHD..6FC |
89670-53100 |
US $479.02 |
||
|
89618A
|
89618A
89670-53101 Computer, Power Source Control[08.2012 - 11.2014] GSE20..RHD |
89670-53101 |
US $398.94 |
||
|
89940
|
89940
89940-53120 Computer Assy, Headlamp SwivelHEADLAMP SWIVEL [04.2009 - 08.2010] GSE20..RHD..6F; GSE20..RHD..6FC LUXURY PACKAGE |
89940-53120 |
US $637.73 |
||
|
89960
|
89960
89960-53100 Computer Assy, Headlamp Leveling[08.2010 -] GSE20 LUXURY PACKAGE |
89960-53100 |
US $298.48 |
||
|
8271530B40
|
8271530B40
82715-30B40 Bracket,wiring Harness Clamp |
82715-30B40 |
US $21.55 |
||
|
8271530B50
|
8271530B50
82715-30B50 Bracket,wiring Harness Clamp |
82715-30B50 |
US $8.30 |
||
|
8961753010
|
8961753010
89617-53010 New Genuine Part |
89617-53010 |
US $13.98 |
||
|
9015940278
|
9015940278
90159-40278 New Genuine Part |
90159-40278 |
US $0.73 |
||
|
9015960383
|
9015960383
90159-60383 SCREW WWASHER |
90159-60383 |
from US $0.82 |
||
|
9017906274
|
9017906274
90179-06274 Nut |
90179-06274 |
from US $0.68 |
||
|
9155380610
|
9155380610
91553-80610 BOLT FLANGE |
91553-80610 |
US $1.08 |
||
|
9155380614
|
9155380614
91553-80614 BOLT FLANGE |
91553-80614 |
US $1.08 |
||
|
9321915010
|
9321915010
93219-15010 SCREW |
93219-15010 |
US $2.04 |
||
|
9331314010
|
9331314010
93313-14010 New Genuine Part |
93313-14010 |
US $0.73 |
||
|
9331514012
|
9331514012
93315-14012 Screw with washer |
93315-14012 |
from US $0.76 |
||
|
9412041000
|
9412041000
94120-41000 Nut(For Clutch Pedal Stopper) |
94120-41000 |
from US $0.74 |
||
| replacement | |||||
|
9412041000
|
9412041000
90170-A0002 Nut |
90170-A0002 |
US $2.33 |
||
|
9415180600
|
9415180600
94151-80600 Nut, Cap(For Cylinder Head Cover) |
94151-80600 |
from US $0.65 |
||