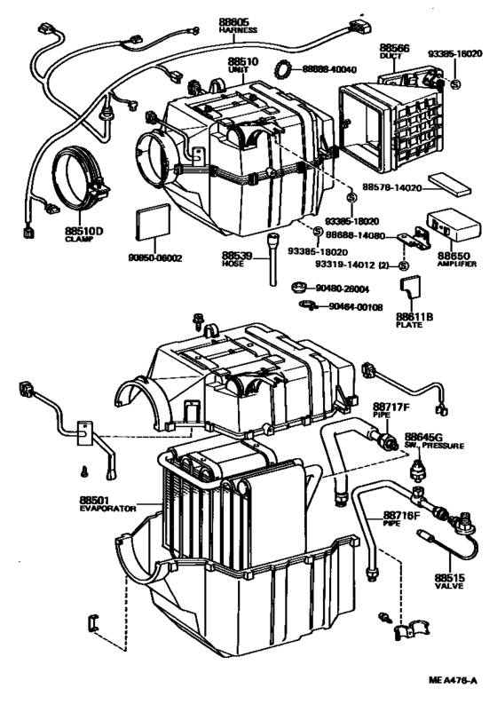
Heating & Air Conditioning - Cooler Unit ([01.1981 - ] (8101- )LHD..GEN) Diagram Toyota LITEACE
- Year
- 1979 - 1982
- Sales region
- Europe
- Frame
- KM20
- grade
- STD
- body
- V
- Roof
- HRF
- ENGINE
- 4K
- TRANSMISSION
- MTM
- DESTINATION
- GEN
- Model
- LITEACE
- From
- 10.1979
- To
- 10.1982
- Gear Shift Type
- 4H
- No.of Doors
- V4D
- Seating Capacity
- 06S
- Vehicle Model
- LITEACE
- Driver's Position
- LHD
- Building Condition
- CBU
- Side Window
- VSG
Difficulties in parts search?
Difficulties in parts search?
| Description | OEM Part # | Price | |||
|---|---|---|---|---|---|
|
88501
|
88501
88501-95702
Evaporator Sub-Assy, Cooler, No.1
[01.1981 - 08.1985] KM20..LHD..GEN |
88501-95702 |
— | ||
|
88510
|
88510
88510-95706
Unit Assy, Cooler
[01.1981 - 08.1985] KM20..LHD..GEN |
88510-95706 |
— | ||
|
88510
|
88510
88510-95707
Unit Assy, Cooler
[01.1981 - 10.1982] KM20..(HRF,SRF)..GEN |
88510-95707 |
— | ||
|
88510D
|
88510D
88894-22040
Clamp, Cooler Unit
[01.1981 - 10.1982] KM20..(HRF,SRF)..GEN |
88894-22040 |
— | ||
|
88515
|
88515
88515-20040 Valve, Cooler Expansion[01.1981 - 10.1982] KM20..(HRF,SRF)..GEN |
88515-20040 |
US $119.39 |
||
| replacement | |||||
|
88515
|
88515
88515-16031 Valve, Cooler Expansion[01.1981 - 10.1982] KM20..(HRF,SRF)..GEN |
88515-16031 |
US $121.36 |
||
|
88539
|
88539
88539-95700
Hose, Cooler Unit Drain, No.1
[10.1982 - 08.1985] KM20..LHD..GEN |
88539-95700 |
— | ||
| replacement | |||||
|
88539
|
88539
88539-95701
Hose, Cooler Unit Drain, No.1
[10.1982 - 08.1985] KM20..LHD..GEN |
88539-95701 |
— | ||
|
88566
|
88566
87210-95702
Damper Assy, Air
[01.1981 - 10.1982] KM20..LHD..GEN |
87210-95702 |
— | ||
|
88566
|
88566
87210-95703
Damper Assy, Air
[10.1982 - 08.1985] KM20..LHD..GEN |
87210-95703 |
— | ||
|
88605
|
88605
88605-95700
Harness Sub-Assy, Cooler Wiring, No.1
[01.1981 - 10.1982] KM20..(HRF,SRF)..GEN |
88605-95700 |
— | ||
|
88611B
|
88611B
88549-95707
Plate, Cooler Control Switch
[01.1981 - 10.1982] KM20..LHD..GEN |
88549-95707 |
— | ||
|
88645G
|
88645G
88645-22020
Switch, Pressure
[01.1981 - 10.1982] KM20..(HRF,SRF)..GEN TOKAIRIKA |
88645-22020 |
— | ||
| replacement | |||||
|
88645G
|
88645G
88645-30250
Switch, Pressure
[01.1981 - 10.1982] KM20..(HRF,SRF)..GEN TOKAIRIKA |
88645-30250 |
— | ||
|
88645G
|
88645G
88645-30250
Switch, Pressure
[01.1981 - 10.1982] KM20..(HRF,SRF)..GEN DENSO |
88645-30250 |
— | ||
|
88650
|
88650
88650-87101
Amplifier Assy, Cooler Stabilizer
[10.1982 - 08.1985] KM20..GEN |
88650-87101 |
— | ||
|
88716F
|
88716F
88716-95030 Pipe, Cooler Refrigerant Liquid, FCOOLER REFRIGERANT LIQUID, F [01.1981 - 08.1985] KM20..LHD..GEN |
88716-95030 |
US $50.67 |
||
|
88717F
|
88717F
88717-95712
Pipe, Cooler Refrigerant Suction, F
[01.1981 - 08.1985] KM20..LHD..GEN |
88717-95712 |
— | ||
|
8857814020
|
8857814020
88578-14020
Packing, Cooler Stabilizer Amplifier
|
88578-14020 |
— | ||
|
8868814080
|
8868814080
88688-14080
Bracket, Cooler Stabilizer Amplifier
|
88688-14080 |
— | ||
|
8888840040
|
8888840040
88888-40040
Clamp (For Idle Up Divice), No.1
|
88888-40040 |
— | ||
|
9046400108
|
9046400108
90464-00108 New Genuine Part |
90464-00108 |
from US $2.43 |
||
|
9048026004
|
9048026004
90480-26004 Grommet, Heater Hose |
90480-26004 |
US $1.12 |
||
|
9095006002
|
9095006002
90950-06002 Cover, Front Floor Hole |
90950-06002 |
US $1.08 |
||
|
9331914012
|
9331914012
93319-14012 New Genuine Part |
93319-14012 |
US $1.25 |
||
|
9338516020
|
9338516020
93385-16020
New Genuine Part
|
93385-16020 |
— | ||
| replacement | |||||
|
9338516020
|
9338516020
93385-26020 New Genuine Part |
93385-26020 |
US $1.61 |
||
|
9338518020
|
9338518020
93385-18020
New Genuine Part
|
93385-18020 |
— | ||