Brake Pedal & Bracket ([06.2015 - ] (1506- )) Diagram Toyota MIRAI

Year
2015 - 2018
Sales region
U.S.A.
Frame
JPD10
body
SED
ENGINE
4JM
From
06.2015
No.of Doors
4D
Vehicle Model
MIRAI
Driver's Position
LHD

Difficulties in parts search?

Parts list
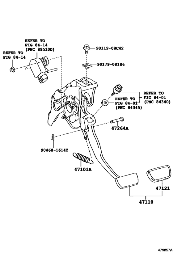
Brake Pedal & Bracket

Difficulties in parts search?

Brake Pedal & Bracket
Description OEM Part # Price
47101A
47101A
90507-14057
Spring(For Brake Pedal Return)

[06.2015 -] JPD10

90507-14057

47110
47110
47110-47090
Support Assy, Brake Pedal

[06.2015 -] JPD10

47110-47090

47121
47121

47121-42010

Pad, Brake Pedal

[06.2015 -] JPD10

47121-42010

from US $4.17

47264A
47264A

47148-47020

Pin(For Push Rod)

[06.2015 -] JPD10

47148-47020

US $3.35

9011908C42
9011908C42

90119-08C42

New Genuine Part

90119-08C42

US $1.43

9017908186
9017908186

90179-08186

New Genuine Part

90179-08186

US $3.76

9046816142
9046816142

90468-16142

Clip(For Push Rod Clevis Pin)

90468-16142

from US $0.82

Brake Pedal & Bracket ([06.2015 - ] (1506- )) Diagram Toyota MIRAI U.S.A. 17829560-917447