Fcv Stack & Converter ([06.2015 - ] FC PUMP INVERTER & JUNCTION BLOCK (1506- )) Diagram Toyota MIRAI

Year
2015 - 2018
Sales region
Europe
Frame
JPD10
body
SED
ENGINE
4JM
From
06.2015
No.of Doors
4D
Vehicle Model
MIRAI
Driver's Position
LHD

Difficulties in parts search?

Parts list
Fcv Stack & Converter

Difficulties in parts search?

Fcv Stack & Converter
Description OEM Part # Price
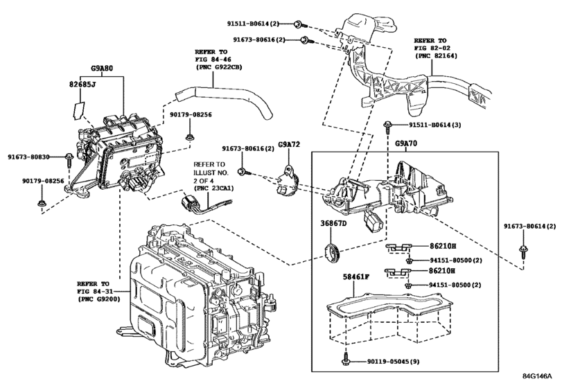
36867D
36867D

36867-62010

Seal, Packing

[06.2015 -] JPD10

36867-62010

US $2.62

58461F
58461F

58461-62010

Cover, Junction Block Service

[06.2015 -] JPD10

58461-62010

US $19.51

82685J
82685J

82685-50050

Plate, Service Plug Caution

SERVICE PLUG CAUTION

[06.2015 -] JPD10

82685-50050

US $2.04

86210H
86210H

90982-11050

Fuse, High Voltage

[06.2015 -] JPD10

90982-11050

from US $15.85

91511B0614
91511B0614

91511-B0614

BOLT, FLANGE

91511-B0614

from US $0.68

9011905045
9011905045

90119-05045

New Genuine Part

90119-05045

US $1.16

9017908256
9017908256

90179-08256

NUT

90179-08256

US $1.43

9167380614
9167380614

91673-80614

BOLT, FLANGE W/WASER

91673-80614

US $1.08

9167380616
9167380616

91673-80616

Bolt, W/washer

91673-80616

from US $0.64

9167380830
9167380830

91673-80830

New Genuine Part

91673-80830

US $1.79

9415180500
9415180500

94151-80500

New Genuine Part

94151-80500

US $1.08

G9A70
G9A70

G9A70-62010

Junction Assy, Fc Inverter Input

[06.2015 -] JPD10

G9A70-62010

US $1,046.86

G9A72
G9A72

G9A72-62010

Cover, Fc Inverter Input Junction

[06.2015 -] JPD10

G9A72-62010

US $41.79

G9A80
G9A80

G9A80-62010

Inverter Assy, Fc Water & Hydrogen Pump

[06.2015 -] JPD10

G9A80-62010

US $1,761.76

Fcv Stack & Converter ([06.2015 - ] FC PUMP INVERTER & JUNCTION BLOCK (1506- )) Diagram Toyota MIRAI Europe 17927332-926436