Heating & Air Conditioning - Compressor ([05.1995 - ] レイトウキ ヨウ (9505- )BU68..N) Diagram Toyota QUICK DELIVERY/ URBAN SUPPORTER
- Year
- 1995 - 1999
- Sales region
- Japan
- Frame
- BU68
- grade
- N
- ENGINE
- 3B
- TRANSMISSION
- MTM
- Model
- QUICK DELIVERY
- From
- 05.1995
- To
- 08.1999
- Vehicle Model
- QUICK DELIVERY
Difficulties in parts search?
Difficulties in parts search?
| Description | OEM Part # | Price | |||
|---|---|---|---|---|---|
|
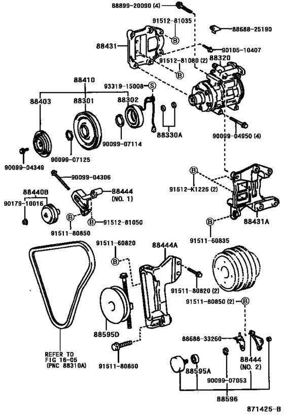
88301
|
88301
88412-26030
Rotor Sub-Assy, Magnet Clutch
[05.1995 -] BU68,LH8#,LY15# |
88412-26030 |
— | ||
|
88302
|
88302
88411-60090
Stator Sub-Assy, Magnet Clutch
[05.1995 -] BU68 |
88411-60090 |
— | ||
|
88320
|
88320
88320-25070
Compressor Assy, Cooler
[05.1995 - 10.1996] BU68..N レイトウシヤ |
88320-25070 |
— | ||
|
88320
|
88320
88320-36380
Compressor Assy, Cooler
[05.1995 -] BU68 |
88320-36380 |
— | ||
| replacement | |||||
|
88320
|
88320
88320-35H92 Compressor Assy, Cooler[05.1995 -] BU68 |
88320-35H92 |
US $1,359.32 |
||
|
88330A
|
88330A
88335-14020 Washer[05.1995 -] BU68,LH8#,LY15# |
88335-14020 |
from US $1.24 |
||
|
88403
|
88403
88403-30290 Hub Sub-Assy, Magnet Clutch[05.1995 -] BU68,LH8#,LY15# |
88403-30290 |
from US $86.66 |
||
|
88410
|
88410
88410-37020 Clutch Assy, Magnet[05.1995 -] BU68 |
88410-37020 |
US $495.04 |
||
|
88431
|
88431
88431-25130
Bracket, Compressor Mounting, No.1
[05.1995 -] BU68..N |
88431-25130 |
— | ||
|
88431
|
88431
88431-25131
Bracket, Compressor Mounting, No.1
[02.1996 -] BU68..N レイトウシヤ |
88431-25131 |
— | ||
|
88431A
|
88431A
88431-25120
Bracket, Compressor Mounting, No.2
[05.1995 -] BU68..N |
88431-25120 |
— | ||
|
88440B
|
88440B
88440-26090 Pulley Assy, Idle[05.1995 -] BU68 |
88440-26090 |
from US $81.64 |
||
|
88444
|
88444
88444-37030
Bracket, Idle Pulley
[05.1995 -] BU68 NO.1 |
88444-37030 |
— | ||
|
88444
|
88444
88444-37040
Bracket, Idle Pulley
[05.1995 -] BU68 NO.2 |
88444-37040 |
— | ||
|
88444A
|
88444A
88444-37010 Bracket, Idle Pulley, No.2[05.1995 - 02.1996] BU68..N |
88444-37010 |
US $28.54 |
||
|
88444A
|
88444A
88444-37060 Bracket, Idle Pulley[02.1996 -] BU68..N |
88444-37060 |
US $62.17 |
||
|
88595A
|
88595A
90099-10015 Bearing(For Alternator Rotor)[05.1995 -] BU68,LH8#,LY15# |
90099-10015 |
US $13.40 |
||
|
88595D
|
88595D
88440-37010 Pulley Assy, Idle[05.1995 -] BU68..N |
88440-37010 |
US $85.90 |
||
| replacement | |||||
|
88595D
|
88595D
88440-37011 Pulley Assy, Idle[05.1995 -] BU68..N |
88440-37011 |
US $54.31 |
||
|
88596
|
88596
88440-26070 Pulley Assy, Idle[05.1995 -] BU68,LH8#,LY15# |
88440-26070 |
from US $64.18 |
||
|
91512K1225
|
91512K1225
91512-K1225 New Genuine Part |
91512-K1225 |
US $0.96 |
||
|
8868825190
|
8868825190
88688-25190
Bracket, Cooler Diaphragm
|
88688-25190 |
— | ||
|
8868833260
|
8868833260
88688-33260
Bracket, Cooler Compressor
|
88688-33260 |
— | ||
|
8889920090
|
8889920090
88899-20090
Cover, Evaporator
|
88899-20090 |
— | ||
|
9009904306
|
9009904306
90099-04306 Bolt, Idle Pulley |
90099-04306 |
US $1.92 |
||
|
9009904349
|
9009904349
90099-04349 Bolt, Magnet Clutch Setting |
90099-04349 |
from US $0.70 |
||
|
9009904950
|
9009904950
90099-04950 BOLT |
90099-04950 |
from US $1.89 |
||
|
9009907053
|
9009907053
90099-07053
Ring, Snap (For Cooler Idle Pulley)
|
90099-07053 |
— | ||
|
9009907114
|
9009907114
90099-07114 Ring, Snap (For Magnet Clutch) |
90099-07114 |
from US $1.03 |
||
|
9009907125
|
9009907125
90099-07125 Ring, Snap |
90099-07125 |
from US $1.01 |
||
|
9010510407
|
9010510407
90105-10407 New Genuine Part |
90105-10407 |
US $5.82 |
||
|
9017910016
|
9017910016
90179-10016
Nut(For Counter Gear Shaft)
|
90179-10016 |
— | ||
| replacement | |||||
|
9017910016
|
9017910016
90179-10132 Nut |
90179-10132 |
from US $0.91 |
||
|
9151160820
|
9151160820
91511-60820
Bolt, Washer Based Head Hexagon (For Transfer Case Cover)
|
91511-60820 |
— | ||
| replacement | |||||
|
9151160820
|
9151160820
91511-J0820 Bolt, Washer Based Head Hexagon (For Transfer Case Cover) |
91511-J0820 |
from US $0.89 |
||
|
9151160835
|
9151160835
91511-60835
Bolt(For Cylinder Head Set Sub)
|
91511-60835 |
— | ||
| replacement | |||||
|
9151160835
|
9151160835
90105-08200 Bolt(For Cylinder Head Set Sub) |
90105-08200 |
from US $1.37 |
||
|
9151180820
|
9151180820
91511-80820 BOLT FLANGE |
91511-80820 |
from US $0.78 |
||
|
9151180850
|
9151180850
91511-80850 New Genuine Part |
91511-80850 |
US $2.62 |
||
| replacement | |||||
|
9151180850
|
9151180850
91511-C0850 New Genuine Part |
91511-C0850 |
US $0.87 |
||
|
9151281035
|
9151281035
91512-81035 BOLT |
91512-81035 |
from US $0.93 |
||
|
9151281050
|
9151281050
91512-81050 New Genuine Part |
91512-81050 |
US $1.60 |
||
|
9151281080
|
9151281080
91512-81080 New Genuine Part |
91512-81080 |
US $4.08 |
||
|
9331915008
|
9331915008
93319-15008 SCREW |
93319-15008 |
US $3.05 |
||