Front Door Window Regulator & Hinge ([11.2016 - ] (1611- )) Diagram Toyota TANK/ROOMY

Year
2016 - 2018
Sales region
Japan
Frame
M900A
grade
X
ENGINE
1KRFE
TRANSMISSION
CVT
From
11.2016
No.of Doors
5D
Vehicle Model
TANK
Fuel Induction
NTBO

Difficulties in parts search?

Parts list
Front Door Window Regulator & Hinge

Difficulties in parts search?

Front Door Window Regulator & Hinge
Description OEM Part # Price
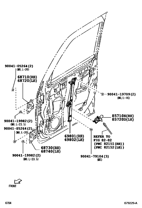
68710
68710

68710-B2040

Hinge Assy, Front Door, Upper Rh

[11.2016 -] M900,910

68710-B2040

US $29.57

68720
68720

68720-B2040

Hinge Assy, Front Door, Upper Lh

[11.2016 -] M900,910

68720-B2040

US $29.57

68730
68730

68720-B2040

Hinge Assy, Front Door, Upper Lh

[11.2016 -] M900,910

68720-B2040

US $29.57

68740
68740

68710-B2040

Hinge Assy, Front Door, Upper Rh

[11.2016 -] M900,910

68710-B2040

US $29.57

69801
69801

69801-B2172

Regulator Sub-Assy, Front Door Window, Rh

[11.2016 -] M900,910

69801-B2172

US $85.90

69802
69802
69802-B2212
Regulator Sub-Assy, Front Door Window, Lh

[11.2016 -] M900,910

69802-B2212

replacement
69802
69802

69820-B2260

Regulator Sub-Assy, Front Door Window, Lh

[11.2016 -] M900,910

69820-B2260

US $308.80

85710E
85710E

85710-B2200

Motor Assy, Power Window Regulator, Rh

[11.2016 -] M900,910

85710-B2200

US $272.27

85720D
85720D

85720-B2150

Motor Assy, Power Window Regulator, Lh

[11.2016 -] M900,910

85720-B2150

US $227.14

9004105264
9004105264

90041-05264

New Genuine Part

90041-05264

US $3.05

9004119709
9004119709

90041-19709

New Genuine Part

90041-19709

US $1.51

9004119982
9004119982

90041-19982

New Genuine Part

90041-19982

US $1.75

9004179104
9004179104

90041-79104

New Genuine Part

90041-79104

US $1.79

Front Door Window Regulator & Hinge ([11.2016 - ] (1611- )) Diagram Toyota TANK/ROOMY Japan 17775202-913611