Ignition Coil & Spark Plug ([11.2016 - ] (1611- )) Diagram Toyota TANK/ROOMY

Year
2016 - 2018
Sales region
Japan
Frame
M900A
grade
CTMG
ENGINE
1KRVET
TRANSMISSION
CVT
From
11.2016
No.of Doors
5D
Vehicle Model
TANK
Fuel Induction
TBO

Difficulties in parts search?

Parts list
Ignition Coil & Spark Plug

Difficulties in parts search?

Ignition Coil & Spark Plug
Description OEM Part # Price
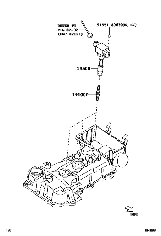
19100P
19100P

90048-51220

Plug, Spark

[11.2016 -] 1KRVET..M900 NGK SILKAR7G8G

90048-51220

from US $28.52

19500
19500

90919-02281

Coil Assy, Ignition

[11.2016 -] 1KR#..M900,910

90919-02281

from US $88.48

9155180630
9155180630

91551-80630

Bolt(For Cylinder Head Cover)

91551-80630

from US $0.63

Ignition Coil & Spark Plug ([11.2016 - ] (1611- )) Diagram Toyota TANK/ROOMY Japan 17775100-913613