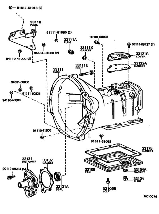
Clutch Housing & Transmission Case (Mtm) ([01.1985 - ] (8501- )) Diagram Toyota TOYOTA1000
- Year
- 1969 - 1988
- Sales region
- Europe
- Frame
- KP36
- body
- PIC
- ENGINE
- 2K
- From
- 11.1969
- To
- 08.1988
- Vehicle Model
- 1000
- Driver's Position
- LHD
Difficulties in parts search?
Difficulties in parts search?
| Description | OEM Part # | Price | |||
|---|---|---|---|---|---|
|
33104
|
33104
90341-18057 Drain Plug (with Magnet)[08.1969 - 08.1988] KP3# |
90341-18057 |
from US $6.27 |
||
|
33104A
|
33104A
12157-10010 Gasket (For Drain Plug)[04.1969 - 09.1981] KP3# |
12157-10010 |
from US $0.72 |
||
|
33104A
|
33104A
90430-18007
Gasket(For Water Hole)
[09.1981 - 08.1984] KP36 |
90430-18007 |
— | ||
| replacement | |||||
|
33104A
|
33104A
90430-18008 Gasket[09.1981 - 08.1984] KP36 |
90430-18008 |
from US $0.84 |
||
|
33104A
|
33104A
90430-18008 Gasket[08.1984 - 08.1988] KP36 |
90430-18008 |
from US $0.84 |
||
|
33109
|
33109
33109-12011
Pan Sub-Assy, Transmission Oil(Mtm)
[08.1969 - 05.1984] KP3# ISO |
33109-12011 |
— | ||
| replacement | |||||
|
33109
|
33109
33109-12012
Pan Sub-Assy, Transmission Oil(Mtm)
[08.1969 - 05.1984] KP3# ISO |
33109-12012 |
— | ||
|
33109
|
33109
33109-12012
Pan Sub-Assy, Transmission Oil(Mtm)
[05.1984 - 08.1988] KP36 ISO |
33109-12012 |
— | ||
|
33109B
|
33109B
90116-08039 Bolt(For Manual Transmission Oil Pan Setting)[04.1969 - 06.1976] KP3# L=22.5,S=10,5 |
90116-08039 |
US $2.18 |
||
|
33109B
|
33109B
90119-08247 Bolt(For Manual Transmission Oil Pan Setting)[04.1980 - 08.1988] KP3# |
90119-08247 |
US $1.75 |
||
|
33109B
|
33109B
91611-40814
Bolt(For Manual Transmission Oil Pan Setting)
[06.1976 - 04.1980] KP3# L=22.5,S=10,5 |
91611-40814 |
— | ||
| replacement | |||||
|
33109B
|
33109B
91611-60814 Bolt[06.1976 - 04.1980] KP3# L=22.5,S=10,5 |
91611-60814 |
from US $0.74 |
||
|
33111
|
33111
33101-12010 Case, Manual TransmissionMANUAL TRANSMISSION [04.1969 - 11.1969] KP3# |
33101-12010 |
US $423.70 |
||
| replacements | |||||
|
33111
|
33111
33101-12H02
Case Sub-assy, Manual Transmission
[04.1969 - 11.1969] KP3# |
33101-12H02 |
— | ||
|
33111
|
33111
33215-12011
Fork, 3Rd & 4Th Shift
[04.1969 - 11.1969] KP3# |
33215-12011 |
— | ||
|
33111
|
33111
11355-24030
Plate, Rear End
[04.1969 - 11.1969] KP3# |
11355-24030 |
— | ||
|
33111
|
33111
33118-12050
Plate, Stiffener, Rh(Mtm)
[04.1969 - 11.1969] KP3# |
33118-12050 |
— | ||
|
33111
|
33111
94612-10800 Washer, Plate(For Repair Actuator Set)[04.1969 - 11.1969] KP3# |
94612-10800 |
from US $0.82 |
||
|
33111
|
33111
33101-12011 Case, Manual TransmissionMANUAL TRANSMISSION [11.1969 - 04.1970] KP3# |
33101-12011 |
US $423.70 |
||
| replacements | |||||
|
33111
|
33111
33101-12H02
Case Sub-assy, Manual Transmission
[11.1969 - 04.1970] KP3# |
33101-12H02 |
— | ||
|
33111
|
33111
11355-24030
Plate, Rear End
[11.1969 - 04.1970] KP3# |
11355-24030 |
— | ||
|
33111
|
33111
33118-12050
Plate, Stiffener, Rh(Mtm)
[11.1969 - 04.1970] KP3# |
33118-12050 |
— | ||
|
33111
|
33111
94612-10800 Washer, Plate(For Repair Actuator Set)[11.1969 - 04.1970] KP3# |
94612-10800 |
from US $0.82 |
||
|
33111
|
33111
33101-12020
Case, Manual Transmission
[04.1970 - 10.1972] KP3# |
33101-12020 |
— | ||
| replacements | |||||
|
33111
|
33111
33101-12H02
Case Sub-assy, Manual Transmission
[04.1970 - 10.1972] KP3# |
33101-12H02 |
— | ||
|
33111
|
33111
11355-24030
Plate, Rear End
[04.1970 - 10.1972] KP3# |
11355-24030 |
— | ||
|
33111
|
33111
33118-12050
Plate, Stiffener, Rh(Mtm)
[04.1970 - 10.1972] KP3# |
33118-12050 |
— | ||
|
33111
|
33111
94612-10800 Washer, Plate(For Repair Actuator Set)[04.1970 - 10.1972] KP3# |
94612-10800 |
from US $0.82 |
||
|
33111
|
33111
33101-12030
Case, Manual Transmission
[10.1972 - 04.1974] KP3# |
33101-12030 |
— | ||
| replacements | |||||
|
33111
|
33111
11355-24030
Plate, Rear End
[10.1972 - 04.1974] KP3# |
11355-24030 |
— | ||
|
33111
|
33111
33118-12050
Plate, Stiffener, Rh(Mtm)
[10.1972 - 04.1974] KP3# |
33118-12050 |
— | ||
|
33111
|
33111
94612-10800 Washer, Plate(For Repair Actuator Set)[10.1972 - 04.1974] KP3# |
94612-10800 |
from US $0.82 |
||
|
33111
|
33111
33101-12H03
Case Sub-assy, Manual Transmission
[10.1972 - 04.1974] KP3# |
33101-12H03 |
— | ||
|
33111
|
33111
33101-12040 Case, Manual TransmissionMANUAL TRANSMISSION [04.1974 - 01.1979] KP3# |
33101-12040 |
US $639.18 |
||
| replacement | |||||
|
33111
|
33111
33101-12H03
Case Sub-assy, Manual Transmission
[04.1974 - 01.1979] KP3# |
33101-12H03 |
— | ||
|
33111
|
33111
33101-12080
Case, Manual Transmission
[01.1979 - 03.1979] KP3# |
33101-12080 |
— | ||
|
33111
|
33111
33101-12110 Case, Manual TransmissionMANUAL TRANSMISSION [03.1979 - 10.1981] KP3# |
33101-12110 |
US $500.86 |
||
| replacements | |||||
|
33111
|
33111
33101-12111
Case, Manual Transmission
[03.1979 - 10.1981] KP3# |
33101-12111 |
— | ||
|
33111
|
33111
33245-12031
Shaft, 3Rd & 4Th Shift Fork
[03.1979 - 10.1981] KP3# |
33245-12031 |
— | ||
|
33111
|
33111
33101-12111
Case, Manual Transmission
[10.1981 - 01.1985] KP36 |
33101-12111 |
— | ||
|
33111
|
33111
33111-10050 Case, Manual TransmissionMANUAL TRANSMISSION [01.1985 - 08.1988] KP36 |
33111-10050 |
US $528.53 |
||
|
33111A
|
33111A
90341-18002 Plug, No.1[04.1969 - 09.1982] KP3# |
90341-18002 |
from US $3.50 |
||
|
33111A
|
33111A
90341-18006 Plug (No magnet)[09.1982 - 08.1988] KP36 |
90341-18006 |
from US $3.23 |
||
|
33111E
|
33111E
90119-12004 Bolt(For Transmission Case & Engine Setting)[08.1977 - 08.1988] KP3# |
90119-12004 |
US $5.56 |
||
|
33111E
|
33111E
91619-61265 Bolt(For Transaxle & Engine Setting)[04.1969 - 08.1977] KP3# |
91619-61265 |
US $4.12 |
||
|
33111X
|
33111X
12157-10010 Gasket (For Drain Plug)[04.1969 - 09.1981] KP3# |
12157-10010 |
from US $0.72 |
||
|
33111X
|
33111X
90430-18007
Gasket(For Water Hole)
[09.1981 - 08.1984] KP36 |
90430-18007 |
— | ||
| replacement | |||||
|
33111X
|
33111X
90430-18008 Gasket[09.1981 - 08.1984] KP36 |
90430-18008 |
from US $0.84 |
||
|
33111X
|
33111X
90430-18008 Gasket[08.1984 - 08.1988] KP36 |
90430-18008 |
from US $0.84 |
||
|
33118
|
33118
33118-10010 Plate, Stiffener, Rh(Mtm)[04.1974 - 08.1988] KP3# |
33118-10010 |
US $25.77 |
||
|
33118
|
33118
33118-12010
Plate, Stiffener, Rh(Mtm)
[04.1969 - 04.1974] KP3# |
33118-12010 |
— | ||
|
33121G
|
33121G
33121-12010
Cover, Manual Transmission Case
[04.1969 - 01.1979] KP3# |
33121-12010 |
— | ||
|
33121G
|
33121G
33121-12020
Cover, Manual Transmission Case
[01.1979 - 01.1985] KP3# |
33121-12020 |
— | ||
|
33121G
|
33121G
33121-12031 Cover, Manual Transmission CaseMANUAL TRANSMISSION CASE [01.1985 - 08.1988] KP36 |
33121-12031 |
US $14.41 |
||
|
33122A
|
33122A
33122-12010
Gasket, Manual Transmission Case Cover
[04.1969 - 01.1979] KP3# |
33122-12010 |
— | ||
|
33122A
|
33122A
33122-12020 Gasket, Manual Transmission Case CoverMANUAL TRANSMISSION CASE COVER [01.1979 - 01.1985] KP3# |
33122-12020 |
US $2.48 |
||
|
33122A
|
33122A
33122-12031 Gasket, Manual Transmission Case CoverMANUAL TRANSMISSION CASE COVER [01.1985 - 08.1988] KP36 |
33122-12031 |
US $3.06 |
||
|
33131
|
33131
33131-12010
Retainer, Bearing, Front(Mtm)
[04.1969 - 04.1970] KP3# |
33131-12010 |
— | ||
|
33131
|
33131
33131-12020
Retainer, Bearing, Front(Mtm)
[04.1970 - 04.1974] KP3# |
33131-12020 |
— | ||
|
33131
|
33131
33131-12030 Retainer, Bearing, Front(Mtm)BEARING, FRONT(MTM) [04.1974 - 08.1977] KP3# |
33131-12030 |
US $38.15 |
||
| replacement | |||||
|
33131
|
33131
33131-12031 Retainer, Bearing, Front(Mtm)BEARING, FRONT(MTM) [04.1974 - 08.1977] KP3# |
33131-12031 |
US $49.07 |
||
|
33131
|
33131
33131-12031 Retainer, Bearing, Front(Mtm)BEARING, FRONT(MTM) [08.1977 - 03.1979] KP3# |
33131-12031 |
US $49.07 |
||
|
33131
|
33131
33131-12040 Retainer, Bearing, Front(Mtm)BEARING, FRONT(MTM) [03.1979 - 12.1979] KP3# |
33131-12040 |
US $48.48 |
||
| replacement | |||||
|
33131
|
33131
33131-12031 Retainer, Bearing, Front(Mtm)BEARING, FRONT(MTM) [03.1979 - 12.1979] KP3# |
33131-12031 |
US $49.07 |
||
|
33131
|
33131
33131-12050 Retainer, Bearing, Front(Mtm)BEARING, FRONT(MTM) [01.1985 - 08.1988] KP36 |
33131-12050 |
US $65.67 |
||
|
33131A
|
33131A
90310-20026 Seal, Oil(For Transmission Front Bearing Retainer)OIL(FOR TRANSMISSION FRONT BEARING RETAINER) [04.1969 - 04.1970] KP3# |
90310-20026 |
US $2.20 |
||
|
33131A
|
33131A
90311-25001
Seal, Oil(For Transmission Front Bearing Retainer)
[04.1970 - 08.1973] KP3# |
90311-25001 |
— | ||
| replacement | |||||
|
33131A
|
33131A
90311-25003 Seal, Oil(For Transmission Front Bearing Retainer)[04.1970 - 08.1973] KP3# |
90311-25003 |
US $3.76 |
||
|
33131A
|
33131A
90311-25003 Seal, Oil(For Transmission Front Bearing Retainer)[03.1978 - 08.1988] KP3# |
90311-25003 |
US $3.76 |
||
|
33131A
|
33131A
90311-25141
Seal, Oil(For Transmission Front Bearing Retainer)
[08.1973 - 03.1978] KP3# |
90311-25141 |
— | ||
| replacement | |||||
|
33131A
|
33131A
90311-25003 Seal, Oil(For Transmission Front Bearing Retainer)[08.1973 - 03.1978] KP3# |
90311-25003 |
US $3.76 |
||
|
33132
|
33132
33132-12010
Gasket, Front Bearing Retainer(Mtm)
[04.1969 - 04.1970] KP3# T=0.5 |
33132-12010 |
— | ||
|
33132
|
33132
33132-12020
Gasket, Front Bearing Retainer(Mtm)
[04.1970 - 04.1974] KP3# T=0.5 |
33132-12020 |
— | ||
|
33132
|
33132
33132-12030
Gasket, Front Bearing Retainer(Mtm)
[04.1974 - 01.1985] KP3# T=0.5 |
33132-12030 |
— | ||
|
33132
|
33132
33132-12050
Gasket, Front Bearing Retainer(Mtm)
[01.1985 - 08.1988] KP36 T=0.5 |
33132-12050 |
— | ||
|
33132
|
33132
33133-12010
Gasket, Front Bearing Retainer(Mtm)
[04.1969 - 04.1970] KP3# T=0.3 |
33133-12010 |
— | ||
|
33132
|
33132
33133-12020
Gasket, Front Bearing Retainer(Mtm)
[04.1970 - 04.1974] KP3# T=0.3 |
33133-12020 |
— | ||
|
33132
|
33132
33133-12030 Gasket, Front Bearing Retainer(Mtm)FRONT BEARING RETAINER(MTM) [04.1974 - 01.1985] KP3# T=0.3 |
33133-12030 |
US $2.48 |
||
|
33175
|
33175
33175-12010
Gasket, Manual Transmission Oil Pan
[04.1969 - 08.1988] KP3# |
33175-12010 |
— | ||
|
9010108065
|
9010108065
90101-08065 New Genuine Part |
90101-08065 |
US $1.89 |
||
|
9011906127
|
9011906127
90119-06127 New Genuine Part |
90119-06127 |
US $2.04 |
||
|
9011908234
|
9011908234
90119-08234 New Genuine Part |
90119-08234 |
US $2.48 |
||
|
9111150825
|
9111150825
91111-50825 Bolt(For Clutch Master Cylinder Setting) |
91111-50825 |
US $3.40 |
||
|
9111151060
|
9111151060
91111-51060 Shaft, Clutch Pedal |
91111-51060 |
US $2.77 |
||
| replacement | |||||
|
9111151060
|
9111151060
91112-61060 Shaft, Clutch Pedal |
91112-61060 |
US $3.06 |
||
|
9161161018
|
9161161018
91611-61018
Bolt (For Transfer Case)Cover No.2
|
91611-61018 |
— | ||
| replacement | |||||
|
9161161018
|
9161161018
91612-B1020 Bolt (For Transfer Case)Cover No.2 |
91612-B1020 |
from US $1.05 |
||
|
9161161055
|
9161161055
91611-61055 Bolt(For Clutch Release Cylinder Setting) |
91611-61055 |
US $3.05 |
||
|
9411040800
|
9411040800
94110-40800
Nut(For Steering Damper)
|
94110-40800 |
— | ||
| replacement | |||||
|
9411040800
|
9411040800
94130-00802 Nut, No.1 (For Center Support Bearing) |
94130-00802 |
from US $0.87 |
||
|
9411041000
|
9411041000
94110-41000 Nut(For Steering Damper) |
94110-41000 |
US $2.87 |
||
|
9453100800
|
9453100800
94531-00800 Washer (For Transfer Shift Outer Lever) |
94531-00800 |
from US $0.84 |
||
|
9453101000
|
9453101000
94531-01000 WASHER |
94531-01000 |
from US $1.61 |
||