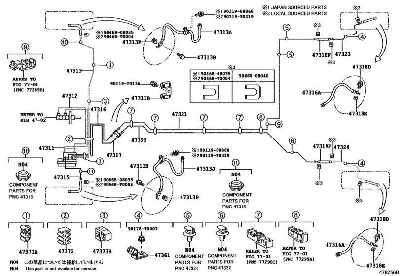
Brake Tube & Clamp ([07.2013 - ] BRAKE TUBE, W(ABS) (1307- )NSP151..PH,VN ; (1307- )NCP150..VN ..R ; (1307- )NCP15#..LHD..G..B ; (1307- )NSP1 50..LHD..GEN..G) Diagram Toyota YARIS/ ECHO/ VIOS/ LIMO
- Year
- 2014 - 2016
- Sales region
- General
- Frame
- NCP150
- ENGINE
- 1NZFE
- TRANSMISSION
- ATM
- DESTINATION
- VN
- CATEGORY
- B
- From
- 03.2014
- To
- 08.2016
- Gear Shift Type
- 4FC
- No.of Doors
- 4D
- Model Mark
- G
- Driver's Position
- LHD
Difficulties in parts search?
Difficulties in parts search?
| Description | OEM Part # | Price | |||
|---|---|---|---|---|---|
|
47311
|
47311
47311-0D570
Tube, Front Brake, No.1
[08.2013 -] NSP150..LHD..5F..GEN;NCP151..LHD..(GCC,GEN)..B;NCP150,NSP151..(4FC,5F)..(GCC,GEN,V N)..B |
47311-0D570 |
— | ||
|
47311B
|
47311B
90412-10260 Way, No.1(For Front Brake Tube)[04.2013 -] NCP15#..B;NSP15#..(GCC,GEN,MA,TAIW,TH,VN)..B |
90412-10260 |
US $14.52 |
||
|
47312
|
47312
47312-0D500
Tube, Front Brake, No.2
[08.2013 -] NSP150..LHD..5F..GEN;NCP151..LHD..(GCC,GEN)..B;NCP150,NSP151..(4FC,5F)..(GCC,GEN,V N)..B |
47312-0D500 |
— | ||
|
47313
|
47313
47313-0D490
Tube, Front Brake, No.3
[08.2013 -] NCP150,NSP151..(4FC,5F)..(GCC,GEN,VN)..B;NCP151,NSP150..LHD..(4FC,5F)..(GCC,GEN).. B |
47313-0D490 |
— | ||
|
47313A
|
47313A
90947-T2081 Hose, Flexible, No.1(For Front)[04.2013 -] NCP15#,NSP150,151..B,C |
90947-T2081 |
US $38.01 |
||
|
47313B
|
47313B
90401-10058 Bolt, Union(For Front Flexible Hose)[04.2013 -] NCP15#,NSP150,151..B,C |
90401-10058 |
from US $3.94 |
||
|
47313J
|
47313J
90947-T2082
Hose, Flexible, No.2(For Front)
[04.2013 -] NCP15#,NSP150,151..B,C |
90947-T2082 |
— | ||
|
47313P
|
47313P
47389-50021 Gasket(For Front Flexible Hose)[04.2013 -] NCP15#,NSP150,151..B,C |
47389-50021 |
from US $4.70 |
||
|
47315
|
47315
47315-0D500
Tube, Front Brake, No.5
[08.2013 -] NCP150,NSP151..(4FC,5F)..(GCC,GEN,VN)..B;NCP151,NSP150..LHD..(4FC,5F)..(GCC,GEN).. B |
47315-0D500 |
— | ||
|
47316
|
47316
47316-0D390
Tube, Front Brake, No.6
[08.2013 -] NCP150,NSP151..(4FC,5F)..(GCC,GEN,VN)..B;NCP151,NSP150..LHD..(4FC,5F)..(GCC,GEN).. B |
47316-0D390 |
— | ||
|
47316A
|
47316A
90947-T2085
Hose, Flexible(For Rear Brake Tube)
[04.2013 -] NSP151..TH..R..C;NCP151,NSP150..5F..G;NCP150,NSP151..VN..R;NCP151,NSP150..LHD..GEN ..G;NCP150,NSP151..(IDN,MA,PH,TH,VN)..(G,V) |
90947-T2085 |
— | ||
|
47317
|
47317
47317-0D390
Tube, Front Brake, No.7
[08.2013 -] NCP150,NSP151..(4FC,5F)..(GCC,GEN,VN)..B;NCP151,NSP150..LHD..(4FC,5F)..(GCC,GEN).. B |
47317-0D390 |
— | ||
|
47318D
|
47318D
90401-10058 Bolt, Union(For Front Flexible Hose)[04.2013 -] NSP151..TH..R..C;NCP151,NSP150..5F..G;NCP150,NSP151..VN..R;NCP151,NSP150..LHD..GEN ..G;NCP150,NSP151..(IDN,MA,PH,TH,VN)..(G,V) |
90401-10058 |
from US $3.94 |
||
|
47318E
|
47318E
47389-50021 Gasket(For Front Flexible Hose)[04.2013 -] NSP151..TH..R..C;NCP151,NSP150..5F..G;NCP150,NSP151..VN..R;NCP151,NSP150..LHD..GEN ..G;NCP150,NSP151..(IDN,MA,PH,TH,VN)..(G,V) |
47389-50021 |
from US $4.70 |
||
|
47318F
|
47318F
90947-T2083 Hose, Flexible(For Rear Rh)[04.2013 -] NCP15#,NSP150;NSP151..GCC,GEN,IDN,MA,PH,TH,VN |
90947-T2083 |
US $33.19 |
||
|
47319F
|
47319F
90947-T2084
Hose, Flexible(For Rear Lh)
[04.2013 -] NCP15#,NSP150;NSP151..GCC,GEN,IDN,MA,PH,TH,VN |
90947-T2084 |
— | ||
|
47321
|
47321
47321-0D360
Tube, Rear Brake, No.1
[04.2013 -] NCP15#,NSP15#..(GCC,GEN,IDN,TH,VN)..B |
47321-0D360 |
— | ||
|
47322
|
47322
47322-0D360
Tube, Rear Brake, No.2
[04.2013 -] NCP15#,NSP15#..(GCC,GEN,IDN,TH,VN)..B |
47322-0D360 |
— | ||
|
47323
|
47323
47323-0D240
Tube, Rear Brake, No.3
[04.2013 -] NCP150,NSP151..VN..R;NCP151,NSP150..5F..G;NCP151,NSP150..LHD..GEN..G;NCP150,NSP151 ..(IDN,TH,VN)..(G,V)..B |
47323-0D240 |
— | ||
|
47324
|
47324
47324-0D240
Tube, Rear Brake, No.4
[04.2013 -] NCP150,NSP151..VN..R;NCP151,NSP150..5F..G;NCP151,NSP150..LHD..GEN..G;NCP150,NSP151 ..(IDN,TH,VN)..(G,V)..B |
47324-0D240 |
— | ||
|
47361
|
47361
90461-T0006
Clamp, Tube
[04.2013 -] NCP15#,NSP150,151..(GCC,GEN,IDN,MA,PH,TH,VN)..(B,C) |
90461-T0006 |
— | ||
|
47371A
|
47371A
90464-00868 Clamp, Brake Tube, No.1[07.2013 -] NCP15#,NSP15#..LHD..(4FC,5F) |
90464-00868 |
US $1.97 |
||
|
47372
|
47372
90949-01969 Clamp, Brake Tube, No.6[07.2013 -] NCP15#..LHD;NSP15#..LHD..(GEN,PH,TAIW,VN) |
90949-01969 |
US $6.29 |
||
| replacement | |||||
|
47372
|
47372
90080-46365
Clamp, Brake Tube, No.5
[07.2013 -] NCP15#..LHD;NSP15#..LHD..(GEN,PH,TAIW,VN) |
90080-46365 |
— | ||
|
47373B
|
47373B
90949-01D18
Clamp(For Clutch Master Cylinder Tube)
[07.2013 -] NCP15#,NSP15#..LHD |
90949-01D18 |
— | ||
|
90119T0136
|
90119T0136
90119-T0136
New Genuine Part
|
90119-T0136 |
— | ||
|
90119T0319
|
90119T0319
90119-T0319
New Genuine Part
|
90119-T0319 |
— | ||
|
90178T0007
|
90178T0007
90178-T0007 NUT FLANGE |
90178-T0007 |
US $0.61 |
||
|
90468T0004
|
90468T0004
90468-T0004
CLIP
|
90468-T0004 |
— | ||
|
9011908868
|
9011908868
90119-08868 BOLT WWASHER |
90119-08868 |
US $1.25 |
||
|
9046808035
|
9046808035
90468-08035 CLIP |
90468-08035 |
from US $1.13 |
||
|
9046808040
|
9046808040
90468-08040 CLIP |
90468-08040 |
from US $1.40 |
||