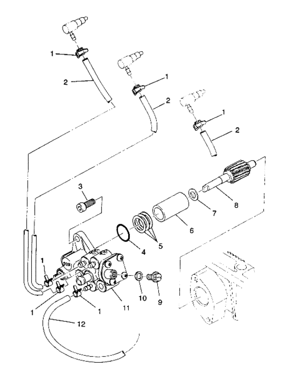
Oil pump assembly (SL 650 B944058) Diagram Polaris SL 650
- Year
- 1994
- Sales region
- General
Difficulties in parts search?
Parts list
Difficulties in parts search?
| Description | OEM Part # | Price | |||
|---|---|---|---|---|---|
|
1
|
1
3240173 Clamp, hose |
3240173 |
US $1.89 |
||
|
2
|
2
3240172
Pipe #1,vinyl
|
3240172 |
— | ||
|
3
|
3
3240198
Bolt, skt,hd,
|
3240198 |
— | ||
|
4
|
4
3083127 O ring |
3083127 |
US $12.20 |
||
|
5
|
5
3083673 Spacer 3,,6mm |
3083673 |
US $2.45 |
||
|
5
|
5
3083671 Spacer 1,,15mm |
3083671 |
US $2.45 |
||
|
5
|
5
3083672 Spacer 2,,3mm |
3083672 |
US $2.45 |
||
|
6
|
6
3240101
Bushing
|
3240101 |
— | ||
|
7
|
7
3083130 Spacer |
3083130 |
US $1.28 |
||
|
8
|
8
3083131
Gear,small
|
3083131 |
— | ||
| replacement | |||||
|
8
|
8
5141635 GEAR-OIL PUMP |
5141635 |
US $111.18 |
||
|
9
|
9
3240096
Screw,air vent
|
3240096 |
— | ||
|
10
|
10
3083126 Packing(10)10; |
3083126 |
US $1.89 |
||
|
11
|
11
3240169
Pump asm, oil
Incl. 4,9,10; |
3240169 |
— | ||
|
12
|
12
3240170
Pipe #2,vinyl
|
3240170 |
— | ||