Tools Diagram Honda ATC ATC125
- Model code
- ATC125M A
- Engine Capacity
- 125
- Year
- 1986
- Sales region
- USA
- Frame
- JH3TE010*GK200032 - JH3TE010*GK208552
- Stroke (2-stroke or 4-stroke)
- 4 stroke
- Model
- ATC125
Difficulties in parts search?
Difficulties in parts search?
| Description | OEM Part # | Price | |||
|---|---|---|---|---|---|
|
1
|
1
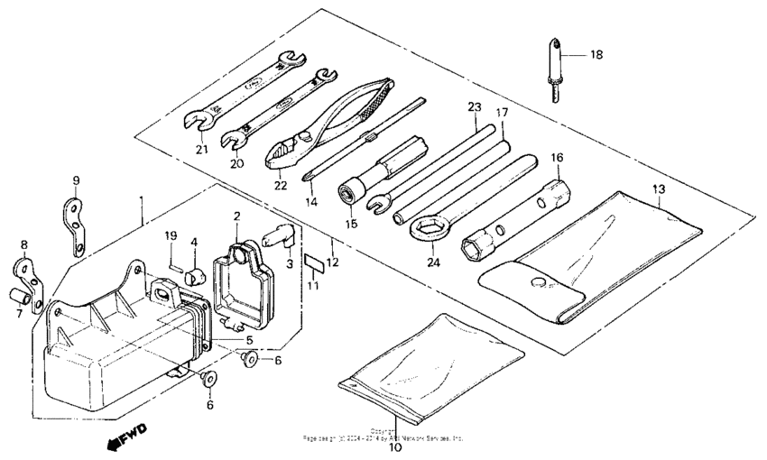
83500-HB6-670
Box assy., tool
|
83500-HB6-670 |
— | ||
|
2
|
2
83505-VM6-680
Cap, tool box
|
83505-VM6-680 |
— | ||
|
3
|
3
83507-965-000
Body, knob
|
83507-965-000 |
— | ||
|
4
|
4
83508-965-000
Stopper, key body
|
83508-965-000 |
— | ||
|
5
|
5
83510-VM6-680
Seal, tool box
|
83510-VM6-680 |
— | ||
|
6
|
6
83511-VM6-680
Collar
|
83511-VM6-680 |
— | ||
|
7
|
7
83512-HB3-000
Collar
|
83512-HB3-000 |
— | ||
|
8
|
8
83513-VM6-680
Stay a,tool box
|
83513-VM6-680 |
— | ||
|
9
|
9
83514-VM6-680
Stay b, tool box
|
83514-VM6-680 |
— | ||
|
10
|
10
83642-HA0-680 Bag, owners manual |
83642-HA0-680 |
from US $12.73 |
||
|
12
|
12
89000-HB6-010 Tool set |
89000-HB6-010 |
US $48.06 |
||
|
13
|
13
89101-965-003
Bag, tool (170)
|
89101-965-003 |
— | ||
| replacements | |||||
|
13
|
13
89101-ME5-670
Bag, tool
|
89101-ME5-670 |
— | ||
|
13
|
13
89101-MC7-000 Tool bag |
89101-MC7-000 |
from US $6.81 |
||
|
14
|
14
89102-538-000 Driver, SCREW(NO.2 + -) |
89102-538-000 |
from US $2.37 |
||
|
15
|
15
89103-538-000 Grip |
89103-538-000 |
US $6.78 |
||
|
16
|
16
89213-968-000
Wrench, box (18x17)
|
89213-968-000 |
— | ||
|
17
|
17
89214-HB6-000 Bar, handle |
89214-HB6-000 |
from US $6.80 |
||
|
18
|
18
89301-VM6-681
Gauge, tire pressure
|
89301-VM6-681 |
— | ||
|
18
|
18
89301-VM6-682
Gauge,tire (press
|
89301-VM6-682 |
— | ||
|
19
|
19
9430520141 Pin, spring (2x14) |
9430520141 |
from US $0.74 |
||
|
20
|
20
99001-10120 Spanner |
99001-10120 |
from US $3.55 |
||
|
21
|
21
99001-14170 Spanner14X17 |
99001-14170 |
from US $4.59 |
||
|
22
|
22
99002-13500
Pliers
|
99002-13500 |
— | ||
| replacement | |||||
|
22
|
22
89210-GBJ-J10 Pliers, 135 (kowa) |
89210-GBJ-J10 |
from US $8.88 |
||
|
23
|
23
9900502000 Bar b, handle |
9900502000 |
from US $2.96 |
||