Atc185s rear wheel axle + chain case 83 Diagram Honda ATC ATC185
- Model code
- ATC185S A
- Engine Capacity
- 185
- Year
- 1983
- Sales region
- USA
- Frame
- JH3TB010*DC300013 -
- Stroke (2-stroke or 4-stroke)
- 4 stroke
- Model
- ATC185
Difficulties in parts search?
Difficulties in parts search?
| Description | OEM Part # | Price | |||
|---|---|---|---|---|---|
|
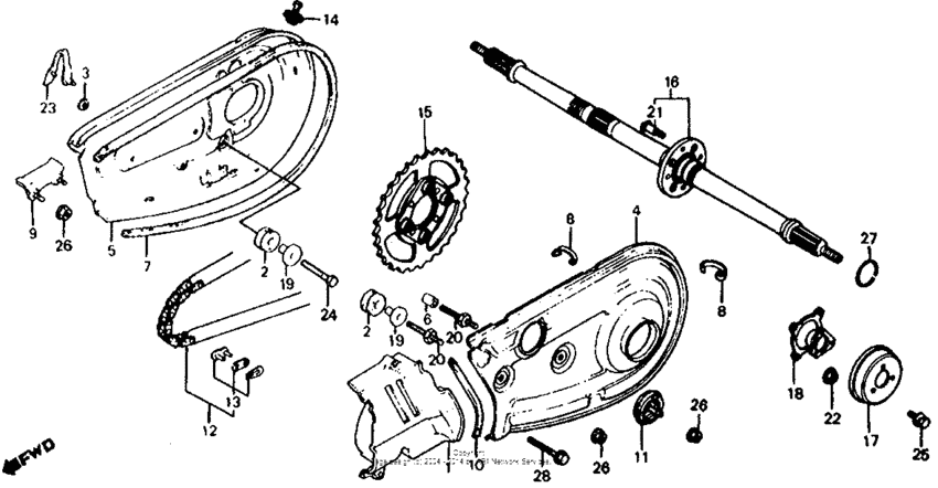
1
|
1
11361-958-000
Cover, l. rr.
|
11361-958-000 |
— | ||
|
2
|
2
17245-107-010 Rubber |
17245-107-010 |
from US $2.23 |
||
|
3
|
3
40514-333-000 Plug, chain guard |
40514-333-000 |
from US $2.66 |
||
|
4
|
4
40521-958-670
Case,outside chai
|
40521-958-670 |
— | ||
|
5
|
5
40522-958-671
Case, inside chain
|
40522-958-671 |
— | ||
|
6
|
6
40523-958-000
Collar, chain guard
|
40523-958-000 |
— | ||
|
7
|
7
40524-958-670
Seal,chain case
|
40524-958-670 |
— | ||
|
8
|
8
40525-969-680
Set sp.(chain cas
|
40525-969-680 |
— | ||
|
9
|
9
40526-958-000
Guide,chain
|
40526-958-000 |
— | ||
|
10
|
10
40527-958-000
Seal chain case
|
40527-958-000 |
— | ||
|
11
|
11
40529-958-010
Cap, chain peep hole
|
40529-958-010 |
— | ||
|
12
|
12
40530-958-672
Chain,drive
|
40530-958-672 |
— | ||
| replacement | |||||
|
12
|
12
405W3-HB9-505
Chain, drive
|
405W3-HB9-505 |
— | ||
|
13
|
13
40531-HB5-671
Master link
|
40531-HB5-671 |
— | ||
|
13
|
13
40531-958-671
Joint,drive chain
|
40531-958-671 |
— | ||
| replacement | |||||
|
13
|
13
40531-HB5-671
Master link
|
40531-HB5-671 |
— | ||
|
14
|
14
40545-958-000
Cap, chain
|
40545-958-000 |
— | ||
|
15
|
15
41200-958-670
Sprocket,final
|
41200-958-670 |
— | ||
|
16
|
16
42310-958-671
Axle,rr.wheel
|
42310-958-671 |
— | ||
|
17
|
17
42327-958-000
Plate, shield
|
42327-958-000 |
— | ||
|
18
|
18
42330-958-671
Flange, shield
|
42330-958-671 |
— | ||
|
19
|
19
61104-428-000
Collar, fr. fender
|
61104-428-000 |
— | ||
| replacement | |||||
|
19
|
19
61104-428-010 Collar, fr. fender |
61104-428-010 |
from US $4.07 |
||
|
19
|
19
61105-428-000
Collar, rr. fender
|
61105-428-000 |
— | ||
|
20
|
20
90102-958-000
Bolt, special (6x22)
|
90102-958-000 |
— | ||
|
21
|
21
90128-961-000 Bolt |
90128-961-000 |
from US $9.39 |
||
|
22
|
22
90309-428-731 Nut, flange (self-lock) (m8x1.25) |
90309-428-731 |
from US $4.29 |
||
|
23
|
23
90669-671-003 Strap bCABLE, 125MM (BLUE) |
90669-671-003 |
US $4.61 |
||
|
24
|
24
92101-06020-0H BoltHEX., 6X20 |
92101-06020-0H |
from US $0.44 |
||
|
25
|
25
93402-060-100-8 Bolt-washer6X10 |
93402-060-100-8 |
from US $0.52 |
||
|
26
|
26
94050-06080 NutFLANGE, 6MM |
94050-06080 |
from US $0.52 |
||
|
27
|
27
94511-42000
Cir clip extl.42
|
94511-42000 |
— | ||
|
28
|
28
96000-0602500 Bolt, flange, 6x25 |
96000-0602500 |
US $24.50 |
||
| replacement | |||||
|
28
|
28
96001-060-250-0 BoltFLANGE, 6X25 |
96001-060-250-0 |
from US $0.74 |
||
|
28
|
28
96001-060-250-0 BoltFLANGE, 6X25 |
96001-060-250-0 |
from US $0.74 |
||