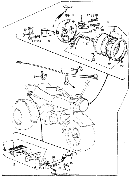
Headlight + taillight Diagram Honda ATC ATC70
- Model code
- ATC70K1 A
- Engine Capacity
- 72
- Sales region
- USA
- Frame
- ATC701100001 -
- Stroke (2-stroke or 4-stroke)
- 4 stroke
- Model
- ATC70
Difficulties in parts search?
Difficulties in parts search?
| Description | OEM Part # | Price | |||
|---|---|---|---|---|---|
|
1
|
1
04300-937-810
Head & taillight kit
|
04300-937-810 |
— | ||
|
2
|
2
04302-918-000
Switch, lighting
|
04302-918-000 |
— | ||
|
3
|
3
04303-918-000
Rub, lighting switch
|
04303-918-000 |
— | ||
|
4
|
4
04305-918-010-B
Case *nh1*
|
04305-918-010-B |
— | ||
|
5
|
5
04306-918-000
Lens, taillight
|
04306-918-000 |
— | ||
|
6
|
6
04504-918-000XW
Stay *mrcr2*
|
04504-918-000XW |
— | ||
|
7
|
7
32100-937-810
Wire harness
|
32100-937-810 |
— | ||
|
8
|
8
33100-150-003
Light assy,head
|
33100-150-003 |
— | ||
|
9
|
9
33101-061-810
Rim,head light
|
33101-061-810 |
— | ||
|
10
|
10
33104-028-003
Reflector, headlight
|
33104-028-003 |
— | ||
|
11
|
11
33105-028-003 Packing, headlight lens |
33105-028-003 |
from US $3.26 |
||
|
12
|
12
33108-028-013 Spring, unit holder (stanley) |
33108-028-013 |
from US $3.77 |
||
|
13
|
13
33121-028-013 Lens,head light |
33121-028-013 |
from US $14.14 |
||
|
14
|
14
33130-GK4-631 Socket, headlight |
33130-GK4-631 |
from US $11.25 |
||
|
14
|
14
33130-051-690
Socket,head light
|
33130-051-690 |
— | ||
| replacement | |||||
|
14
|
14
33130-GK4-631 Socket, headlight |
33130-GK4-631 |
from US $11.25 |
||
|
15
|
15
33700-918-670
Light assy.,tail
|
33700-918-670 |
— | ||
|
16
|
16
33791-937-811
Plate, taillight
|
33791-937-811 |
— | ||
|
17
|
17
34901-001-025 Bulb, headlight |
34901-001-025 |
from US $6.51 |
||
|
17
|
17
34902-202-000 Bulb, dash (6v 3w) |
34902-202-000 |
from US $2.29 |
||
|
19
|
19
92101-08016-0B Bolt, hex. (8x16) |
92101-08016-0B |
from US $0.67 |
||
|
20
|
20
93500-040-200-H ScrewPAN, 4X20 |
93500-040-200-H |
from US $0.37 |
||
|
21
|
21
93500-060120B Screw, pan, 6x12 |
93500-060120B |
from US $0.59 |
||
|
22
|
22
93700-050-080-A Screw cross 5x8 |
93700-050-080-A |
from US $0.54 |
||
|
23
|
23
94001-040-000-S NutHEX., 4MM |
94001-040-000-S |
from US $0.37 |
||
|
24
|
24
94101-04000 WasherPLAIN, 4MM |
94101-04000 |
from US $0.37 |
||
|
25
|
25
9410108200 Washer, plain, 8mm |
9410108200 |
from US $0.44 |
||
|
26
|
26
94111-04000 WasherSPRING, 4MM |
94111-04000 |
from US $0.37 |
||
|
27
|
27
94111-06000 WasherSPRING, 6MM |
94111-06000 |
from US $0.37 |
||
|
28
|
28
94111-08000 WasherSPRING, 8MM |
94111-08000 |
from US $0.37 |
||
|
29
|
29
9501462100 Band b1, wire |
9501462100 |
from US $1.18 |
||