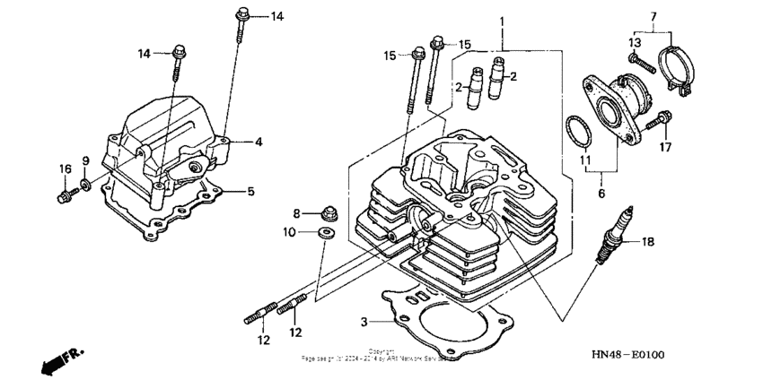
Cylinder head Diagram Honda TRX 350 Rancher 350
- Model code
- TRX350FM
- Engine Capacity
- 329
- Year
- 2005
- Sales region
- USA
- Frame
- 1HFTE250*54400001 -
- Stroke (2-stroke or 4-stroke)
- 4 stroke
- 2WD/4WD/AWD
- 4WD
- Model
- Rancher 350
Difficulties in parts search?
Difficulties in parts search?
| Description | OEM Part # | Price | |||
|---|---|---|---|---|---|
|
1
|
1
12200-HN5-M00 Cylinder head |
12200-HN5-M00 |
US $570.40 |
||
|
2
|
2
12204-HN0-305 Guide, valve (os) |
12204-HN0-305 |
from US $15.10 |
||
|
3
|
3
12251-HN5-671 Gasket, cyl hd |
12251-HN5-671 |
from US $28.34 |
||
|
4
|
4
12311-HN5-670 Cover, cylinder head |
12311-HN5-670 |
US $111.94 |
||
|
5
|
5
12315-HN5-671 Gasket, head cover |
12315-HN5-671 |
from US $16.46 |
||
|
6
|
6
16210-HN5-671 Insulator |
16210-HN5-671 |
from US $40.99 |
||
|
7
|
7
16219-HC4-000 Band, insulator |
16219-HC4-000 |
from US $6.96 |
||
|
8
|
8
90201-HA0-000 Nut (10mm) |
90201-HA0-000 |
from US $5.03 |
||
|
9
|
9
90441-706-000 Washer, sealing, 6mm |
90441-706-000 |
from US $1.04 |
||
|
10
|
10
90465-MM9-000 Washer, 10mm |
90465-MM9-000 |
from US $2.25 |
||
|
11
|
11
91305-HN5-671 O-ring (33.7x2.4) |
91305-HN5-671 |
from US $5.10 |
||
|
12
|
12
92900-08025-0B BoltSTUD, 8X25 |
92900-08025-0B |
from US $0.90 |
||
|
13
|
13
93500-050280G Screw, pan, 5x28 |
93500-050280G |
from US $0.44 |
||
|
14
|
14
95701-0604000 Bolt, flange, 6x40 |
95701-0604000 |
from US $0.62 |
||
|
15
|
15
95701-0611000 Bolt, flange, 6x110 |
95701-0611000 |
from US $1.33 |
||
|
16
|
16
96001-060-120-0 BoltFLANGE, 6X12 |
96001-060-120-0 |
from US $0.59 |
||
|
17
|
17
96001-0602200 Bolt, flange, 6x22 |
96001-0602200 |
from US $0.74 |
||
|
18
|
18
9806957926 S/plg (x22epr-u9) |
9806957926 |
from US $3.71 |
||
|
18
|
18
98069-57916 Spark plug (dpr7ea-9) |
98069-57916 |
from US $3.49 |
||
|
18
|
18
9806956926 S/plg (x20epr-u9)(Optional). |
9806956926 |
from US $3.71 |
||
|
18
|
18
9806956916 S/plg (dpr6ea-9)(Optional). |
9806956916 |
US $4.08 |