Gear change mechanism Diagram Kawasaki KAF300 Mule 500

Model code
KAF300-B1
Engine Capacity
300
Year
1995
Sales region
Europe
Colour
Firecracker Red (B1)
Stroke (2-stroke or 4-stroke)
4 stroke
2WD/4WD/AWD
2WD
Model
Mule 500

Difficulties in parts search?

Parts list
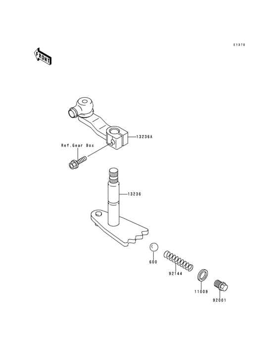
Gear change mechanism

Difficulties in parts search?

Gear change mechanism
Description OEM Part # Price
600
600

600A1300

BALL, STEEL, 13/32IN

600A1300

from US $0.95

11009
11009

11009-1008

GASKET,15.5X22X1

11009-1008

from US $3.01

13236
13236

13236-1218

LEVER-COMP,CHANGE

13236-1218

from US $21.46

13236A
13236A

13236-1258

LEVER-COMP

13236-1258

US $47.57

replacement
13236A
13236A

13236-1363

LEVER-COMP

13236-1363

from US $39.82

92001
92001

92001-1037

BOLT,NEUTRAL POSITION

92001-1037

from US $9.19

92144
92144

92144-1551

SPRING

92144-1551

from US $3.33

Gear change mechanism Diagram Kawasaki KAF300 Mule 500 Firecracker Red (B1) Europe 14066601-799511