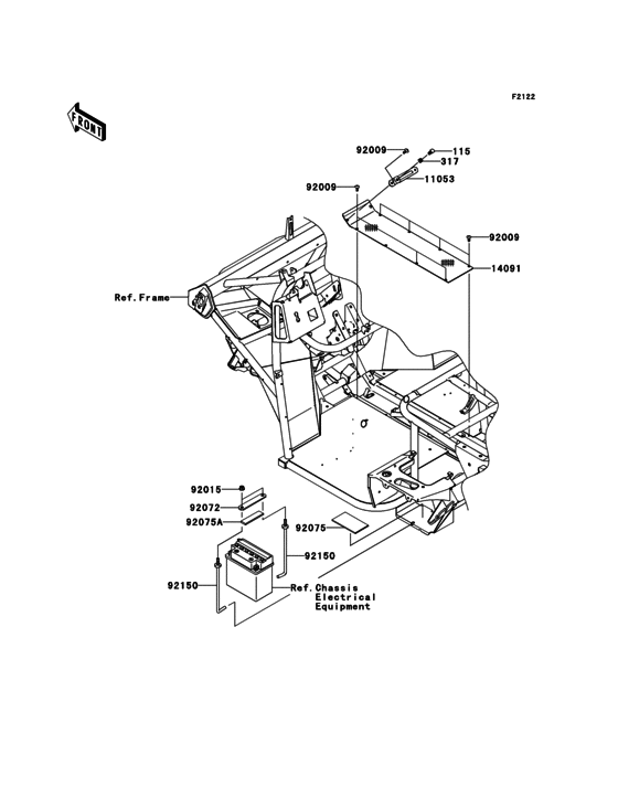
Engine Mount Diagram Kawasaki KAF400 Mule 600
- Model code
- KAF400BAF
- Engine Capacity
- 400
- Year
- 2010
- Sales region
- Europe (General)
- Stroke (2-stroke or 4-stroke)
- 4 stroke
- 2WD/4WD/AWD
- 2WD
- Model
- Mule 600
Difficulties in parts search?
Parts list
Difficulties in parts search?
| Description | OEM Part # | Price | |||
|---|---|---|---|---|---|
|
115
|
115
115BA0820 BOLT-SMALL-UPSET |
115BA0820 |
from US $1.12 |
||
|
317
|
317
317BA0800 NUT-HEX-SMALL,8MM |
317BA0800 |
from US $0.95 |
||
|
11053
|
11053
11053-1670 BRACKET |
11053-1670 |
US $9.30 |
||
|
14091
|
14091
14091-0390 COVER |
14091-0390 |
US $115.16 |
||
|
92009
|
92009
92039-0768 RIVET |
92039-0768 |
from US $1.56 |
||
|
92015
|
92015
92015-1406 NUT,8MM |
92015-1406 |
from US $2.85 |
||
|
92072
|
92072
92072-7507 BAND,BATTERY |
92072-7507 |
from US $13.16 |
||
|
92075
|
92075
92075-1076 DAMPER,BATTERY BASE |
92075-1076 |
from US $5.70 |
||
|
92075A
|
92075A
92075-1214 DAMPER,ENGINE GUARD |
92075-1214 |
from US $2.65 |
||
|
92150
|
92150
92150-1293 BOLT,BATTERY |
92150-1293 |
from US $6.22 |