Fuel Pump Diagram Kawasaki KAF620 Mule 4010 Trans 4X4
- Model code
- KAF620R9F
- Engine Capacity
- 620
- Year
- 2009
- Sales region
- Canada
- Frame
- JK1AFCR1 9B500001 - 9B505000
- Stroke (2-stroke or 4-stroke)
- 4 stroke
- 2WD/4WD/AWD
- 4WD
- Model
- Mule 4010 Trans 4X4
Difficulties in parts search?
Parts list
Difficulties in parts search?
| Description | OEM Part # | Price | |||
|---|---|---|---|---|---|
|
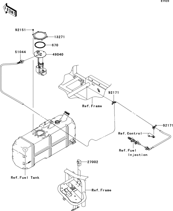
670
|
670
670E5090 O RING ATV17-01 |
670E5090 |
from US $16.16 |
||
|
13271
|
13271
13271-0980 PLATE SXS17-03 |
13271-0980 |
US $5.11 |
||
| replacement | |||||
|
13271
|
13271
13272-2500 Plate |
13272-2500 |
US $8.30 |
||
|
27002
|
27002
27002-1088 RELAY-ASSY |
27002-1088 |
from US $39.34 |
||
|
49040
|
49040
49040-0719 Pump-fuel |
49040-0719 |
from US $841.36 |
||
|
92151
|
92151
92151-1754 BOLT,FLANGED,5X11.5 |
92151-1754 |
from US $0.94 |
||
|
92171
|
92171
92171-0453 CLAMP |
92171-0453 |
US $4.47 |
||