Chassis electrical equipment Diagram Kawasaki KXF250 Tecate 4

Model code
KXF250-A2
Engine Capacity
250
Year
1988
Sales region
USA
Stroke (2-stroke or 4-stroke)
2 stroke
2WD/4WD/AWD
2WD

Difficulties in parts search?

Parts list
Chassis electrical equipment

Difficulties in parts search?

Chassis electrical equipment
Description OEM Part # Price
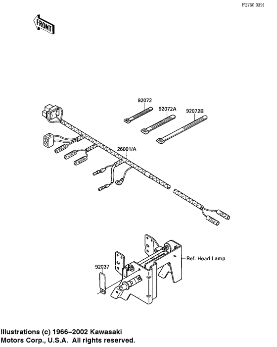
26001A
26001A
26001-1909
HARNESS,MAIN

Harness,main;

26001-1909

92037
92037
92037-1069
CLAMP

Clamp,wiring harness;

92037-1069

replacement
92037
92037

92171-0652

CLAMP

Clamp,wiring harness;

92171-0652

from US $1.27

92072
92072

92072-030

BAND,SHORT

Band,l=123;

92072-030

from US $3.01

92072A
92072A

92072-031

BAND,MIDDLE

Band,l=149;

92072-031

from US $3.01

92072B
92072B

92072-032

BAND,LONG

Band,l=218;

92072-032

from US $3.01

Chassis electrical equipment Diagram Kawasaki KXF250 Tecate 4 USA 10411926-683870