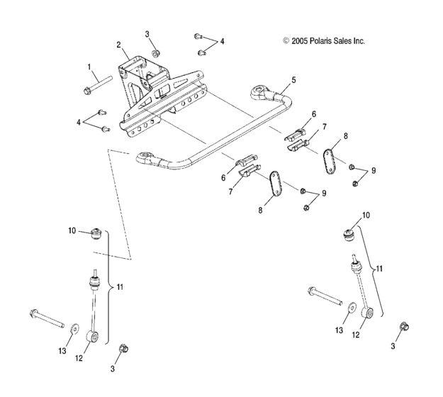
Torsion bar (A06LB27AA/LD27AA/AB/AC/AD) Diagram Polaris HAWKEYE 300 2X4/4X4
- Model code
- A06LB27AA
- Year
- 2006
- Sales region
- General
Difficulties in parts search?
Parts list
Difficulties in parts search?
| Description | OEM Part # | Price | |||
|---|---|---|---|---|---|
|
1
|
1
7518526 Bolt-m10x1,5x115,hx hd flg |
7518526 |
US $3.94 |
||
|
2
|
2
1015187-067 Weld-mount, stabilizer, blk |
1015187-067 |
US $124.55 |
||
|
3
|
3
7547313 Nut-m10x1,5,hxflg, nylon ins |
7547313 |
US $3.94 |
||
|
4
|
4
7518450 Bolt-m8x20-1,25 hx hd flg |
7518450 |
US $3.15 |
||
|
5
|
5
1015186-067
Weld-torsion bar,blk
|
1015186-067 |
— | ||
|
6
|
6
5436343 Bushing-stabilizer |
5436343 |
US $13.56 |
||
|
7
|
7
5436344 Bushing-torsion bar |
5436344 |
US $13.56 |
||
|
8
|
8
5249464 Plate-retainer |
5249464 |
US $24.52 |
||
|
9
|
9
7547317
Nut-m8x1,25,hxflg,nylon ins
|
7547317 |
— | ||
|
10
|
10
5412937
Bushing-linkage tor bar,dur 80
|
5412937 |
— | ||
|
11
|
11
5135360
Linkage, torsion bar
|
5135360 |
— | ||
| replacements | |||||
|
11
|
11
1543853 ASM-LINKAGE,STABILIZER BAR |
1543853 |
US $75.29 |
||
|
11
|
11
5416013 BUSHING-LNKG TORBAR,DURO80 |
5416013 |
US $7.88 |
||
|
12
|
12
5412855
Bushing
|
5412855 |
— | ||
|
13
|
13
7555853 Washer,flat, s,s,(10) |
7555853 |
US $3.26 |
||