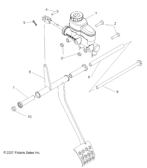
Brakes, pedal and master cylinder mounting (M08RH76MA) Diagram Polaris MVRS 800 4X4

Model code
M08RH76MA
Year
2008
Sales region
General

Difficulties in parts search?

Parts list
Brakes, pedal and master cylinder mounting

Difficulties in parts search?

Brakes, pedal and master cylinder mounting
Description OEM Part # Price
1
1
1911234
Asm-master cylinder,uv

1911234

2
2

7515385

Screw

7515385

US $3.94

3
3

7542324

Nut,nylok(10)

7542324

US $26.30

4
4
7661843
Pin-clevis, 1/4 x 3/4 -y

7661843

5
5
7661140
Pin-clip,14mm

7661140

6
6
1016181-067
Weld-pedal,brake,blk

1016181-067

7
7

5436973

Bushing-a-arm,long,102,36mm

5436973

US $10.83

8
8

5135494

Tube-pivot,209,55mm

5135494

US $20.28

9
9

7518472

Bolt-m10x1,5x230,hx hd flg

7518472

US $8.66

10
10

7547313

Nut-m10x1,5,hxflg, nylon ins

7547313

US $3.94

Brakes, pedal and master cylinder mounting (M08RH76MA) Diagram Polaris MVRS 800 4X4 General 1529879-150824