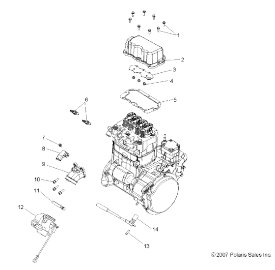
Engine, throttle body mounting (M08RH76MA) Diagram Polaris MVRS 800 4X4
- Model code
- M08RH76MA
- Year
- 2008
- Sales region
- General
Difficulties in parts search?
Parts list
Difficulties in parts search?
| Description | OEM Part # | Price | |||
|---|---|---|---|---|---|
|
1
|
1
7516822
Screw
|
7516822 |
— | ||
|
2
|
2
5135575
Cover, valve
|
5135575 |
— | ||
|
3
|
3
5250838
Baffle, valve cover
|
5250838 |
— | ||
|
4
|
4
7518709
Screw
|
7518709 |
— | ||
|
5
|
5
5413117
Seal-valve cover,di
|
5413117 |
— | ||
|
6
|
6
2203934
Kit-sparkplug mv800
|
2203934 |
— | ||
|
7
|
7
7518591 Scr-hxflghd,m6x16,0600086 |
7518591 |
US $1.49 |
||
|
8
|
8
2410422 Sensor-t map |
2410422 |
US $93.52 |
||
| replacement | |||||
|
8
|
8
2411528 Sensor-tmap dss3-tf |
2411528 |
US $115.45 |
||
|
9
|
9
5413499
Adapter-throttle body,di
|
5413499 |
— | ||
|
10
|
10
7518234 Scr-m8x1,25x25 hx/soc sems |
7518234 |
US $3.26 |
||
|
11
|
11
7081193
Clamp-hose
|
7081193 |
— | ||
|
12
|
12
1203391
Asm-throttle body w/iac,di
|
1203391 |
— | ||
|
13
|
13
7517384 Screw,sochd,m6x20 |
7517384 |
US $7.68 |
||
|
14
|
14
2410720 Sensor-crank position |
2410720 |
from US $91.60 |
||