Cylinder head (A04KA09CA/CB) Diagram Polaris PREDATOR 90

Model code
A04KA09CA
Year
2004
Sales region
General

Difficulties in parts search?

Parts list
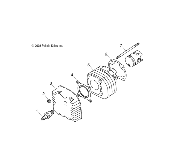
Cylinder head

Difficulties in parts search?

Cylinder head
Description OEM Part # Price
1
1

0450005

Plug-spark(10)

0450005

US $4.15

2
2

0450012

Nut-flange *

0450012

US $1.49

3
3
0451091
Head,cylinder

0451091

4
4

0450004

Gasket-cyl head(10)

0450004

US $7.51

5
5

0450007

Cylinder-12101-120-000

0450007

US $183.16

6
6

0450009

Gasket-cylinder,12191-120-000 (

0450009

US $7.51

7
7

0450011

Bolt-stud(10) *

0450011

US $2.98

Cylinder head (A04KA09CA/CB) Diagram Polaris PREDATOR 90 General 1533595-150931