Dash instruments and controls (R05RB50AA/RD50AA/AB/AC/AD/RF50AA/AB) Diagram Polaris RANGER 500 2X4,4X4,6X6

Model code
R05RB50AA/RD50AA/AB/AC/AD
Year
2005
Sales region
General

Difficulties in parts search?

Parts list
Dash instruments and controls

Difficulties in parts search?

Dash instruments and controls
Description OEM Part # Price
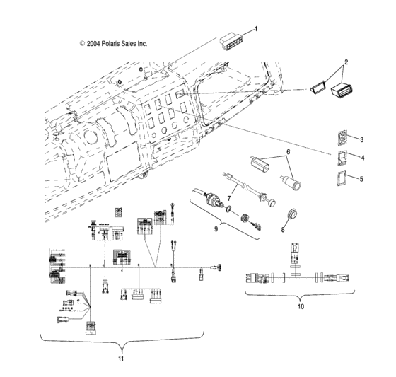
1
1

4010797

Panel-indicator

4010797

US $65.99

2
2

4010460

Hourmeter-12v,non-pol,rectnglr

4010460

US $101.45

3
3

4010525

Switch-headlight

4010525

US $64.02

4
4

4011117

Switch-2wd/awd

4x4;6x6;

4011117

US $73.87

4
4

4010601

Switch-awd,ranger series 10

6x6;

4010601

US $73.87

5
5

5434192

Plug-hole,carling rocker swtch

5434192

US $9.85

6
6

4010638

Receptacle-pod mnt,12 volt

4010638

US $15.26

7
7

7081213

Cable-choke

2x4;4x4;

7081213

US $86.68

7
7

7080937

Cable-choke,ranger

6x6;

7080937

US $86.68

8
8

7080922

Nut,choke,m24x1,5 thd,m29 hex

7080922

US $4.73

9
9
4011002
Switch, key

4011002

10
10
2461223
Harness-headlite/hood

If built before 9/17/04;

2461223

10
10

2410624

Harness-headlite/hood

If built after 9/17/04;

2410624

US $101.45

11
11

2410525

Harness-dash

2410525

US $799.63

Dash instruments and controls (R05RB50AA/RD50AA/AB/AC/AD/RF50AA/AB) Diagram Polaris RANGER 500 2X4,4X4,6X6 General 1534379-150948