Electrical, dash instruments and controls (M08RB50AA) Diagram Polaris RANGER 500 2X4 CARB ISRAEL

Model code
M08RB50AA
Year
2008
Sales region
General

Difficulties in parts search?

Parts list
Electrical, dash instruments and controls

Difficulties in parts search?

Electrical, dash instruments and controls
Description OEM Part # Price
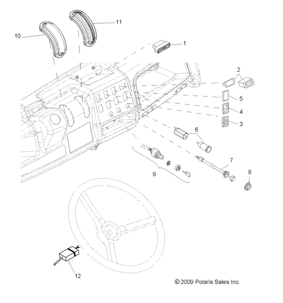
1
1

4010797

Panel-indicator

4010797

US $65.99

1
1

4010416

Bulb-indicator,hobbs

4010416

US $10.83

2
2

4010460

Hourmeter-12v,non-pol,rectnglr

4010460

US $101.45

3
3
4011525
Switch, headlight

4011525

4
4

4011779

Switch-horn

4011779

US $41.35

5
5
4011780
Switch-washer

4011780

6
6

4010638

Receptacle-pod mnt,12 volt

4010638

US $15.26

7
7

7081299

Cable-choke

7081299

US $86.68

8
8

7080922

Nut,choke,m24x1,5 thd,m29 hex

7080922

US $4.73

9
9
4011002
Switch, key

4011002

10
10

5412294

Grommet-gear shift plug

5412294

US $13.30

11
11

5412154

Grommet-gear shift

5412154

US $12.11

12
12
2411120
Asm., turn signal, hazard

2411120

Electrical, dash instruments and controls (M08RB50AA) Diagram Polaris RANGER 500 2X4 CARB ISRAEL General 1534217-150945