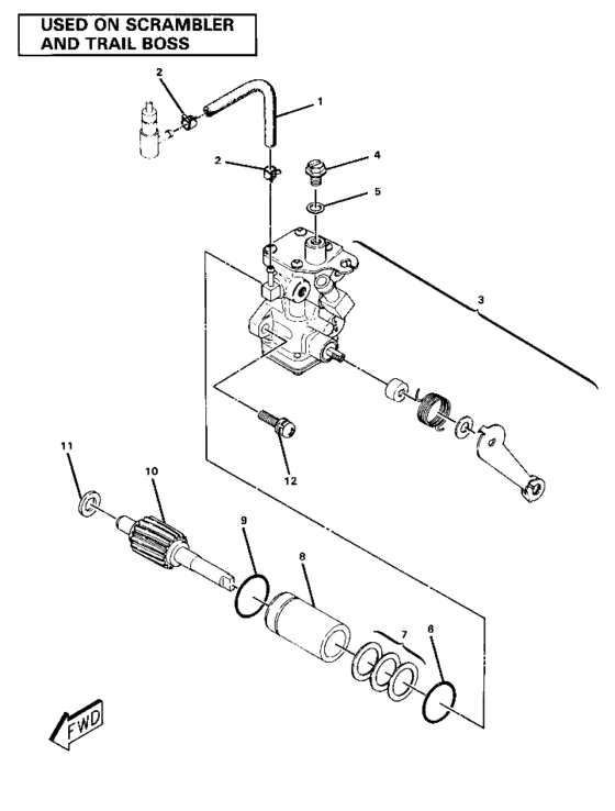
Oil pump assembly Diagram Polaris SCRAMBLER
- Model code
- W857027
- Year
- 1985
- Sales region
- General
Difficulties in parts search?
Parts list
Difficulties in parts search?
| Description | OEM Part # | Price | |||
|---|---|---|---|---|---|
|
1
|
1
3083140
Pipe-rubber 3
|
3083140 |
— | ||
|
2
|
2
3083141 Clamp-hose(10)10; |
3083141 |
US $1.89 |
||
|
3
|
3
3083670
Pump, oil
|
3083670 |
— | ||
| replacement | |||||
|
3
|
3
3085624
Pump asm, oil
|
3085624 |
— | ||
|
4
|
4
3083125 Screw-air vent |
3083125 |
US $16.24 |
||
|
5
|
5
3083126 Packing(10)10; |
3083126 |
US $1.89 |
||
|
6
|
6
3083127 O ring |
3083127 |
US $12.20 |
||
|
7
|
7
3083672 Spacer 2,,3mm |
3083672 |
US $2.45 |
||
|
7
|
7
3083673 Spacer 3,,6mm |
3083673 |
US $2.45 |
||
|
7
|
7
3083671 Spacer 1,,15mm |
3083671 |
US $2.45 |
||
|
8
|
8
3083674
Bushing, oil pump
|
3083674 |
— | ||
|
9
|
9
3083129 O ring |
3083129 |
US $13.20 |
||
|
10
|
10
3083429 Gear, small |
3083429 |
US $111.30 |
||
|
11
|
11
3083428 Spacer |
3083428 |
US $1.28 |
||
|
12
|
12
3083558
Screw&washer asm.
|
3083558 |
— | ||
| replacement | |||||
|
12
|
12
3086788 Screw & washer |
3086788 |
US $1.77 |
||