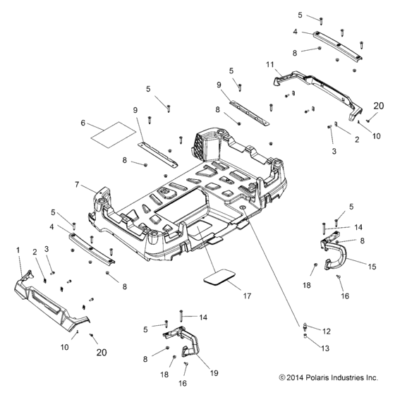
Body, Box, Rear (A15SWE57FA (49ATVBOXRR1570X2)) Diagram Polaris SPORTSMAN X2 570 EFI EPS EU
- Model code
- A15SWE57FA
- Year
- 2015
Difficulties in parts search?
Difficulties in parts search?
| Description | OEM Part # | Price | |||
|---|---|---|---|---|---|
|
1
|
1
5450716-498 FENDER-REAR BOX,RH,S.GREEN |
5450716-498 |
US $56.14 |
||
|
2
|
2
7670057 Nut, speed(10) * |
7670057 |
US $2.63 |
||
|
3
|
3
7517386 Screw(10) |
7517386 |
US $19.60 |
||
|
4
|
4
5434803-070 Tiedown-side,blk |
5434803-070 |
US $10.83 |
||
|
5
|
5
7518235 Scr-5/16-18x1,75 tx-m |
7518235 |
US $2.89 |
||
|
6
|
6
5813012 Foil-box |
5813012 |
US $7.09 |
||
|
7
|
7
5450946-070 BOX-REAR,BASE,BLK |
5450946-070 |
US $245.88 |
||
|
8
|
8
7542343 Nut,flange |
7542343 |
US $6.56 |
||
|
9
|
9
5248471-458 CHANNEL-REAR RACK,FRT,MAT BLK |
5248471-458 |
US $18.32 |
||
|
10
|
10
7518238
Scr-10x5/8-hi/lo,pn-t25,trx-m
|
7518238 |
— | ||
|
11
|
11
5450715-498 FENDER-REAR BOX,LH,S.GREEN |
5450715-498 |
US $56.14 |
||
|
12
|
12
5910284 Pin-seat latch |
5910284 |
US $12.20 |
||
|
13
|
13
7542143 Insert |
7542143 |
US $4.43 |
||
|
14
|
14
7518215 Scr-5/16-18x3,25 tx-m |
7518215 |
US $2.98 |
||
|
15
|
15
5436491-070 Handle-passenger, lh,blk |
5436491-070 |
US $39.38 |
||
|
16
|
16
7517685 Screw(10) |
7517685 |
US $65.60 |
||
|
17
|
17
5413002 Plug-drain, box |
5413002 |
US $18.52 |
||
|
18
|
18
7542153 Nut,nylok,flanged |
7542153 |
US $2.63 |
||
|
19
|
19
5436492-070 Handle-passenger, rh,blk |
5436492-070 |
US $33.50 |
||
|
20
|
20
7661855 Rivet-tuflok,,315-,325x,787 (50 |
7661855 |
US $197 |