Suspension, front strut (A09TN76AL/AX/AZ) Diagram Polaris SPORTSMAN X2 800 EFI
- Model code
- A09TN76AL/AX/AZ
- Year
- 2009
- Sales region
- General
Difficulties in parts search?
Difficulties in parts search?
| Description | OEM Part # | Price | |||
|---|---|---|---|---|---|
|
1
|
1
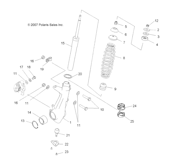
1822826 Asm-hubstrut,rh,4x4Incl. 13,14,21,22,23; |
1822826 |
US $454.95 |
||
|
1
|
1
1822825 Asm-hubstrut,lh,4x4Incl. 13,14,21,22,23; |
1822825 |
US $454.95 |
||
|
2
|
2
7555749 Washer(10) |
7555749 |
US $1.89 |
||
|
3
|
3
5810291 Spacer, rubber (10) |
5810291 |
US $3.75 |
||
|
4
|
4
5432872 Pivot,ball,top |
5432872 |
US $13.04 |
||
|
5
|
5
5132062 Spacer-1/2-20 |
5132062 |
US $19.69 |
||
|
6
|
6
5432871 Pivot,ball,bottom |
5432871 |
US $9.85 |
||
|
7
|
7
5243364 Retainer-spring |
5243364 |
US $19.69 |
||
|
8
|
8
7042301-067 Spring-comp,75-111#/in,13,5,blk |
7042301-067 |
US $100.73 |
||
|
9
|
9
5412665 Bumper-mcu,17,8mm id |
5412665 |
US $9.19 |
||
|
10
|
10
7512312 Bolt(10) * |
7512312 |
US $1.49 |
||
|
11
|
11
7558402 Washer,flat(10) |
7558402 |
US $18.70 |
||
|
12
|
12
7547104 Nut (10) |
7547104 |
US $1.89 |
||
|
13
|
13
7710507 RING,RET.,2.500 INTERNAL |
7710507 |
US $3.94 |
||
|
14
|
14
3514634 Bearing-wheel, 35x64x37mmAnalog Koyo DAC3564A1CS31 |
3514634 |
US $54.15 |
||
|
15
|
15
7041762 Strut-front,18x30mm,184,7mm lt |
7041762 |
US $162.40 |
||
|
16
|
16
7542324 Nut,nylok(10) |
7542324 |
US $26.30 |
||
|
17
|
17
7552901 Washer,spring lock(10) |
7552901 |
US $39.40 |
||
|
18
|
18
7512365 Screw, cap(10) |
7512365 |
US $1.49 |
||
|
19
|
19
7080367 Clamp, cable |
7080367 |
US $3.26 |
||
|
20
|
20
5211115 Washer(10)AX;AZ; |
5211115 |
US $1.89 |
||
|
21
|
21
7061158 Ball-joint,greaseless,strut |
7061158 |
US $95.38 |
||
|
22
|
22
5211121 Brkt, ball joint |
5211121 |
US $34.46 |
||
|
23
|
23
7512284 Bolt, socket(10) |
7512284 |
US $1.96 |
||
|
24
|
24
5632253
Cam-adjuster,front,top
AL; |
5632253 |
— | ||
|
25
|
25
5632251
Cam-adjuster,front
AL; |
5632251 |
— |