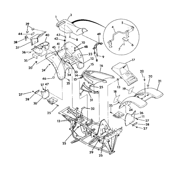
Body assembly (Trail Blazer / W927221) Diagram Polaris TRAIL BLAZER 250
- Model code
- W927221
- Year
- 1992
- Sales region
- General
Difficulties in parts search?
Difficulties in parts search?
| Description | OEM Part # | Price | |||
|---|---|---|---|---|---|
|
1
|
1
2681512
Seat asm,
ATV; |
2681512 |
— | ||
| replacement | |||||
|
1
|
1
2682357-157
New Genuine Part
ATV; |
2682357-157 |
— | ||
|
2
|
2
7072884
Decal, side panel
No Longer Available; |
7072884 |
— | ||
|
3
|
3
2681513
Covering, seat, bonnie blue
BLUE; |
2681513 |
— | ||
| replacement | |||||
|
3
|
3
2681723-157
Cover,seat,bon.blue
BLUE; |
2681723-157 |
— | ||
|
4
|
4
1011558
Latch,seat
|
1011558 |
— | ||
|
5
|
5
7041158 Spring, latch |
7041158 |
US $18.45 |
||
|
6
|
6
5211033 Bracket,lever retainer |
5211033 |
US $23.61 |
||
|
7
|
7
7621403 Blind rivet(50)50; |
7621403 |
US $0.79 |
||
|
8
|
8
5410414 Bumper, rubber (10) |
5410414 |
US $1.89 |
||
|
9
|
9
7621481
Rivet
|
7621481 |
— | ||
|
10
|
10
7512232 Bolt(10)10; |
7512232 |
US $26.30 |
||
|
11
|
11
7558301 Washer, flat(10) *10; |
7558301 |
US $0.79 |
||
|
12
|
12
5430991-133
Cab,rear,white
Fender; |
5430991-133 |
— | ||
|
13
|
13
7670060 Nut, speed10; |
7670060 |
US $1.49 |
||
|
14
|
14
7073445
Decal, trail blazer
|
7073445 |
— | ||
|
15
|
15
7072933
Decal,age warn.
CPSC; |
7072933 |
— | ||
| replacement | |||||
|
15
|
15
7078253
Decal, age warning
CPSC; |
7078253 |
— | ||
|
16
|
16
5431197-157
Cover,fueltank,bon.blue
|
5431197-157 |
— | ||
|
17
|
17
5430973-157
Cover,oil-h/l,bon.blue
|
5430973-157 |
— | ||
|
18
|
18
7073147
Decal,warning disc
CPSC; |
7073147 |
— | ||
|
19
|
19
7072693
Decal,warning
No Longer Available; CPSC; |
7072693 |
— | ||
|
20
|
20
5430887 Plug, rack hole |
5430887 |
US $2.28 |
||
|
21
|
21
5430990-133
Cab,frt,br.white
|
5430990-133 |
— | ||
| replacement | |||||
|
21
|
21
2631549-133
Cab,fr,white
|
2631549-133 |
— | ||
|
22
|
22
7621457 Rivet(50)50; |
7621457 |
US $1.89 |
||
|
23
|
23
7072793
Decal,tire press
No Longer Available; CPSC;T.B.; |
7072793 |
— | ||
|
24
|
24
7670052 Clip, push-on10; |
7670052 |
US $2.45 |
||
|
25
|
25
7512282 Bolt, black(10)10; |
7512282 |
US $1.89 |
||
|
26
|
26
5850082-070 Mudflap,frt,lh,blk, |
5850082-070 |
US $14.28 |
||
|
26
|
26
5850083-070
Mudflap,rh,front
|
5850083-070 |
— | ||
|
27
|
27
7542122 Nut-nylok(10)10; |
7542122 |
US $26.30 |
||
|
28
|
28
5211131-067 Brkt, lh mud flap |
5211131-067 |
US $30.42 |
||
|
29
|
29
5410012 Plug,rubber-hole,,5dia10; |
5410012 |
US $10.36 |
||
| replacement | |||||
|
29
|
29
5411426
Bumper,rubber-hole,.5dia
10; |
5411426 |
— | ||
|
30
|
30
5850076
Mudflap,lh,low,rear
|
5850076 |
— | ||
|
30
|
30
5850077
Mudflap,rh,low rear
|
5850077 |
— | ||
|
31
|
31
5430970-157
Cover,lh,bon.blue,sidepan
|
5430970-157 |
— | ||
| replacement | |||||
|
31
|
31
5433382-157
New Genuine Part
|
5433382-157 |
— | ||
|
31
|
31
5430971-157
Cover,rh,bon.blue,sidepan
|
5430971-157 |
— | ||
| replacement | |||||
|
31
|
31
5433579-157 Cover-side panel,rh,gen2,b blu |
5433579-157 |
US $54.41 |
||
|
32
|
32
7072791
Decal,filter element
No Longer Available; |
7072791 |
— | ||
|
33
|
33
5220880 Brkt,rear holddown |
5220880 |
US $7.09 |
||
|
34
|
34
5810416
Tape,foil,r,cab
Inside; |
5810416 |
— | ||
|
35
|
35
5810310
Tape, foil
|
5810310 |
— | ||
|
36
|
36
7558212 Washer,13/64x1/2x18ga,fl-y (10) |
7558212 |
US $0.79 |
||
|
37
|
37
5430769-133 Lid,toolbox,(white)WHITE; |
5430769-133 |
US $112.28 |
||
|
38
|
38
5410425 Strap,tool compartment |
5410425 |
US $9.15 |
||
|
39
|
39
7670050 Clip, lid hinge10; |
7670050 |
US $1.89 |
||
|
40
|
40
5430882
Box,tool comp,
|
5430882 |
— | ||
|
41
|
41
7621462 Rivet(50)50; |
7621462 |
US $1.89 |
||
|
42
|
42
5410413
Grommet
|
5410413 |
— | ||
|
43
|
43
7621432 Rivet,3/16x,402(50)50; |
7621432 |
US $0.79 |
||
|
44
|
44
7072805
Decal,pass.wrn.
No Longer Available; CPSC; |
7072805 |
— | ||
|
45
|
45
7072786
Decal,warn,hvy.load
No Longer Available; CPSC; |
7072786 |
— | ||
|
46
|
46
7080385
Retainer,tool pouch
|
7080385 |
— | ||
|
47
|
47
7555859 Washer, flat(10)10; |
7555859 |
US $39.40 |
||
|
48
|
48
7558302 Washer,wrought10; |
7558302 |
US $2.45 |
||
|
49
|
49
5222837-067
Brkt,support seat base
|
5222837-067 |
— | ||