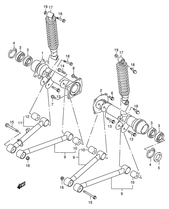
Rear axle housing (Model w/x) Diagram Suzuki LT-F500F QuadRunner 500 4WD
- Model code
- LT-F500FW
- Year
- 1998
- Sales region
- US/Canada (E3/E28)
- Frame
- JSAAM41A*W2100001~
- 2WD/4WD/AWD
- 4WD
- Model
- QuadRunner 500 4WD
Difficulties in parts search?
Difficulties in parts search?
| Description | OEM Part # | Price | |||
|---|---|---|---|---|---|
|
1
|
1
61100-09F00-000
HOUSING,RR AXLE,R
|
61100-09F00-000 |
— | ||
|
2
|
2
61200-09F00-000
Housing, rear axle lh
|
61200-09F00-000 |
— | ||
|
3
|
3
08123-60067-000 BEARINGBearing, front hub |
08123-60067-000 |
from US $16.72 |
||
|
4
|
4
08331-41556-000
Circlip
|
08331-41556-000 |
— | ||
| replacement | |||||
|
4
|
4
08331-41559-000 CIRCLIP |
08331-41559-000 |
from US $2.43 |
||
|
5
|
5
09283-38013-000 SEAL,OIL(38X55X6.4)Dust seal, outer Seal, oil lh (38x55x6.4); |
09283-38013-000 |
from US $8.98 |
||
|
6
|
6
01550-10353-000
Bolt
Bolt, rear lh (10x35); |
01550-10353-000 |
— | ||
| replacement | |||||
|
6
|
6
01550-1035A-000 BOLTBolt, fr fork upper Bolt, rear lh (10x35); |
01550-1035A-000 |
from US $5.68 |
||
|
7
|
7
01550-10253-000
Bolt
Bolt, front rh (10x25); |
01550-10253-000 |
— | ||
| replacements | |||||
|
7
|
7
01550-1025B-000 BoltBolt, rr swgarm bracket, l Bolt, front rh (10x25); |
01550-1025B-000 |
from US $5.59 |
||
|
7
|
7
01550-1025A-000 BOLTBolt, drive gear Bolt, front rh (10x25); |
01550-1025A-000 |
from US $1.06 |
||
|
8
|
8
01550-10303-000
Bolt
Bolt, rear rh (10x30); |
01550-10303-000 |
— | ||
| replacements | |||||
|
8
|
8
01550-1030B-000 BOLTBolt, axle housing rear Bolt, rear rh (10x30); |
01550-1030B-000 |
from US $5.07 |
||
|
8
|
8
01550-1030A-000 BOLTBolt, rear rh (10x30); |
01550-1030A-000 |
from US $1.12 |
||
|
9
|
9
62640-09810-000
Arm set, rear suspension
|
62640-09810-000 |
— | ||
|
10
|
10
09319-10055-000 BUSHBush, suspension arm Bush (10x35.1x38); |
09319-10055-000 |
from US $11.68 |
||
|
11
|
11
62640-09820-000
ARM SET,RR SUSPENSION,R
|
62640-09820-000 |
— | ||
|
12
|
12
09319-10055-000 BUSHBush, suspension arm Bush (10x35.1x38); |
09319-10055-000 |
from US $11.68 |
||
|
13
|
13
09103-10040-000 BOLT(10X54)Bolt, lh inner (10x54) Bolt, arm (10x54); |
09103-10040-000 |
from US $6.82 |
||
|
14
|
14
09103-10107-000 BOLT(10X60)Bolt, suspension arm pivot Bolt, inner rh (10x60); ~f.no.w2100802 |
09103-10107-000 |
from US $7.36 |
||
|
14
|
14
09103-10301-000 BOLT(10X60)Bolt (10x60) Bolt, inner rh (10x60); F.no.w2100803~ |
09103-10301-000 |
from US $8.16 |
||
|
15
|
15
09103-10110-000 BOLT(10X100)Bolt, lh outer (10x100) Bolt, pivot (10x100); ~f.no.w2100802 |
09103-10110-000 |
from US $3.95 |
||
|
15
|
15
09103-10242-000 BOLT(10X101.5)Bolt, pivot (10x100) Bolt, pivot (10x100); F.no.w2100803~ |
09103-10242-000 |
from US $9.76 |
||
|
16
|
16
08319-31103-000
Nut
~f.no.w2100802 |
08319-31103-000 |
— | ||
| replacement | |||||
|
16
|
16
08319-3110A-000 NUTNut, fr differential ~f.no.w2100802 |
08319-3110A-000 |
from US $1.98 |
||
|
16
|
16
08319-31107-000 NUTF.no.w2100803~ |
08319-31107-000 |
from US $1.98 |
||
|
17
|
17
62100-09F00-019
Absorber assy, rear shock
Absorber assy, rear shock (black); |
62100-09F00-019 |
— | ||
|
18
|
18
09103-10126-000 BOLT(10X48)Bolt (10x48) Bolt (10x48); |
09103-10126-000 |
from US $2.13 |
||
|
19
|
19
08319-31107-000 NUTModel w |
08319-31107-000 |
from US $1.98 |
||
|
19
|
19
09159-10058-000
Nut
Model x |
09159-10058-000 |
— | ||
| replacement | |||||
|
19
|
19
09159-10115-000 NUTModel x |
09159-10115-000 |
from US $2.58 |
||