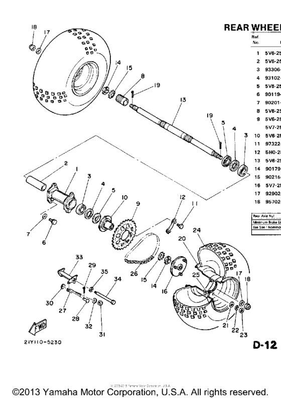
Rear wheel Diagram Yamaha TRI-MOTO Tri-Moto 125
- Model code
- YT125N
- Engine Capacity
- 123
- Year
- 1985
- Sales region
- USA
- Stroke (2-stroke or 4-stroke)
- 2 stroke
- 2WD/4WD/AWD
- 2WD
- Model
- Tri-Moto 125
Difficulties in parts search?
Difficulties in parts search?
| Description | OEM Part # | Price | |||
|---|---|---|---|---|---|
|
1
|
1
5V6-25311-00-00
Hub, Rear
|
5V6-25311-00-00 |
— | ||
|
2
|
2
905-60353-09-00
Spacer
|
905-60353-09-00 |
— | ||
|
3
|
3
93306-00704-00 Bearing |
93306-00704-00 |
from US $25.08 |
||
| replacement | |||||
|
3
|
3
933-06007-02-00 Bearing |
933-06007-02-00 |
from US $21.16 |
||
|
4
|
4
93106-42026-00 Oil Seal(3Bc) |
93106-42026-00 |
from US $11.48 |
||
|
5
|
5
5V6-25367-00-00 Cover, Hub Dust |
5V6-25367-00-00 |
from US $4.53 |
||
|
6
|
6
901-19100-65-00
Bolt, With Washer
|
901-19100-65-00 |
— | ||
|
7
|
7
90201-10132-00 Washer, Plate |
90201-10132-00 |
from US $1.35 |
||
| replacement | |||||
|
7
|
7
90201-10774-00 Washer, Plate (3L6) |
90201-10774-00 |
from US $1.35 |
||
|
8
|
8
5V6-25386-00-00
Collar, Sprkt Axle
|
5V6-25386-00-00 |
— | ||
|
9
|
9
5V6-25439-20-00
Sprocket, Drvn 39T
39T UR YAMAHA BK |
5V6-25439-20-00 |
— | ||
|
9
|
9
5V7-25442-20-00
Sprocket, Drvn 42T
42T UR YAMAHA BK |
5V7-25442-20-00 |
— | ||
|
10
|
10
5V6-25521-01-00
Boss (5V6-25521-00)
5V6-25521-00 |
5V6-25521-01-00 |
— | ||
|
11
|
11
97011-10016-00 Bolt,hexagon |
97011-10016-00 |
from US $3.26 |
||
| replacement | |||||
|
11
|
11
970-17100-16-00 Bolt,hexagon |
970-17100-16-00 |
from US $2.64 |
||
|
12
|
12
5H0-25412-00-00 Washer |
5H0-25412-00-00 |
from US $7.09 |
||
|
13
|
13
5V6-25381-00-00
Axle, Wheel
|
5V6-25381-00-00 |
— | ||
|
14
|
14
901-79323-65-00
Nut, Spec''l Shape
|
901-79323-65-00 |
— | ||
|
15
|
15
902-15331-95-00
Washer, Lock
|
902-15331-95-00 |
— | ||
|
16
|
16
5V7-25383-00-00 Collar, Wheel (3X3-25383-00)3X3-25383-00 |
5V7-25383-00-00 |
US $122.90 |
||
|
17
|
17
92901-20600-00 Washer |
92901-20600-00 |
from US $3.54 |
||
| replacement | |||||
|
17
|
17
92903-20600-00 Washer(3Jp) |
92903-20600-00 |
from US $3.54 |
||
|
18
|
18
957-02203-00-00 Nut, Flange |
957-02203-00-00 |
US $21.71 |
||
| replacement | |||||
|
18
|
18
957-07203-00-00 element |
957-07203-00-00 |
US $21.71 |
||
|
19
|
19
91401-40040-00 Pin,cotter |
91401-40040-00 |
from US $3.54 |
||
| replacement | |||||
|
19
|
19
91490-40045-00 Pin. Cotter |
91490-40045-00 |
from US $2.66 |
||
|
20
|
20
29U-25180-00-35
Wheel, Front
|
29U-25180-00-35 |
— | ||
|
21
|
21
92990-10200-00 Washer, Plain |
92990-10200-00 |
from US $1.07 |
||
|
22
|
22
92990-10100-00 Ybs67-10 Washer, Spring |
92990-10100-00 |
from US $1.34 |
||
|
23
|
23
95311-10600-00 Nut |
95311-10600-00 |
from US $1.56 |
||
| replacement | |||||
|
23
|
23
95314-10600-00 Nut |
95314-10600-00 |
from US $1.45 |
||
|
24
|
24
941-22115-72-00
22X11.00-8 Kt221Tl
|
941-22115-72-00 |
— | ||
|
25
|
25
939-00000-30-00 Valve, Rim (Tr412) |
939-00000-30-00 |
from US $7.65 |
||
|
26
|
26
945-81180-48-00
Did520V-48L Sealed
|
945-81180-48-00 |
— | ||
|
26
|
26
945-80400-50-00
Sealed Chain Yt175
|
945-80400-50-00 |
— | ||
|
27
|
27
5V6-25389-00-00
Puller, Chain 2
|
5V6-25389-00-00 |
— | ||
|
28
|
28
90240-06103-00 Pin, Clevis (24X) |
90240-06103-00 |
from US $4.11 |
||
|
29
|
29
91490-20020-00 Ybs74-220 Pin,cotter |
91490-20020-00 |
from US $1.56 |
||
| replacement | |||||
|
29
|
29
914-90200-25-00 Pin. Cotter |
914-90200-25-00 |
from US $1.56 |
||
|
30
|
30
92990-06200-00 Washer, Plain |
92990-06200-00 |
from US $1.07 |
||
|
31
|
31
95611-08100-00 Nut (2H1) |
95611-08100-00 |
from US $3.26 |
||
| replacement | |||||
|
31
|
31
95617-08100-00 Nut, U |
95617-08100-00 |
from US $3.26 |
||
|
32
|
32
929-01086-00-00
Washer
|
929-01086-00-00 |
— | ||
| replacement | |||||
|
32
|
32
92990-08600-00 Washer, Plate |
92990-08600-00 |
from US $1.34 |
||
|
33
|
33
5V6-25388-00-00
Puller, Chain 1
U.R. FOR 39T |
5V6-25388-00-00 |
— | ||
|
33
|
33
5V7-25388-00-00
Puller, Chain 1
U.R. FOR 42T |
5V7-25388-00-00 |
— | ||
|
34
|
34
901-09086-30-00
Bolt
|
901-09086-30-00 |
— | ||
|
35
|
35
92990-10100-00 Ybs67-10 Washer, Spring |
92990-10100-00 |
from US $1.34 |
||