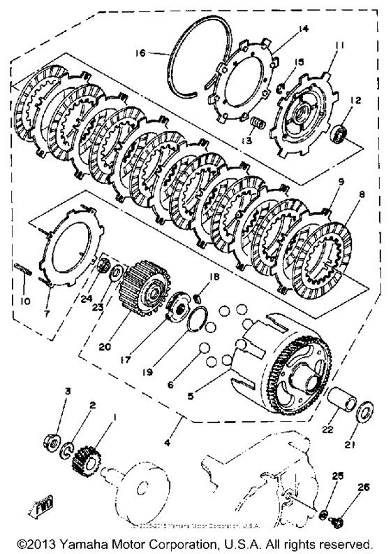
Clutch Diagram Yamaha TRI-MOTO Tri-Moto 175
- Model code
- YT175J
- Engine Capacity
- 175
- Year
- 1982
- Sales region
- USA
- Stroke (2-stroke or 4-stroke)
- 2 stroke
- 2WD/4WD/AWD
- 2WD
- Model
- Tri-Moto 175
Difficulties in parts search?
Difficulties in parts search?
| Description | OEM Part # | Price | |||
|---|---|---|---|---|---|
|
1
|
1
5V7-16111-00-00
Gear, Pri Drive
|
5V7-16111-00-00 |
— | ||
|
2
|
2
90204-12007-00 Washer, Spring |
90204-12007-00 |
from US $3.26 |
||
|
3
|
3
901-79122-44-00
Nut
|
901-79122-44-00 |
— | ||
| replacement | |||||
|
3
|
3
90179-12659-00 Nut |
90179-12659-00 |
from US $1.70 |
||
|
4
|
4
5V7-16300-00-00
New Genuine Part
IN PRICE BOOK N/A |
5V7-16300-00-00 |
— | ||
|
5
|
5
5V7-16150-00-00
Pri Drvn Gear
|
5V7-16150-00-00 |
— | ||
|
6
|
6
93505-08030-00 Ball |
93505-08030-00 |
from US $1.84 |
||
|
7
|
7
5V6-16520-00-00
Plate, Thrst Weight
|
5V6-16520-00-00 |
— | ||
|
8
|
8
3X3-16521-00-00
Plate, Friction
|
3X3-16521-00-00 |
— | ||
|
9
|
9
3X3-16524-00-00
Plate, Clutch 1
U.R. |
3X3-16524-00-00 |
— | ||
|
9
|
9
3X3-16524-20-00
Plate, Clutch 1
U.R. |
3X3-16524-20-00 |
— | ||
|
9
|
9
3X3-16524-10-00
Plate, Clutch 1
U.R. |
3X3-16524-10-00 |
— | ||
|
10
|
10
905-01106-57-00
Spring, Compression
|
905-01106-57-00 |
— | ||
|
11
|
11
3X3-16550-00-00
Pressure Plate Assembly
|
3X3-16550-00-00 |
— | ||
|
12
|
12
933-06000-04-00 Bearing |
933-06000-04-00 |
from US $11.92 |
||
|
13
|
13
905-01136-47-00
Spring, Compression
|
905-01136-47-00 |
— | ||
|
14
|
14
3X3-16561-00-00 Plate, Pressure 2 |
3X3-16561-00-00 |
US $19.30 |
||
|
15
|
15
93430-03013-00 Circlip |
93430-03013-00 |
US $1.56 |
||
| replacements | |||||
|
15
|
15
99080-03600-00 Circlip |
99080-03600-00 |
from US $1.56 |
||
|
15
|
15
999-99999-99-00
Not Available
|
999-99999-99-00 |
— | ||
|
16
|
16
934-51250-67-00
Circlip, Inner
|
934-51250-67-00 |
— | ||
|
17
|
17
517-16180-00-00 One Way Boss Comp |
517-16180-00-00 |
from US $26.03 |
||
|
18
|
18
384-15635-00-00 Pawl, Kick |
384-15635-00-00 |
from US $7.52 |
||
|
19
|
19
2T4-15637-00-00 Spring, Pawl |
2T4-15637-00-00 |
from US $6.09 |
||
| replacement | |||||
|
19
|
19
2T4-15637-01-00 Spring, Pawl |
2T4-15637-01-00 |
from US $3.47 |
||
|
20
|
20
5V6-16571-00-00
Boss, Clutch
|
5V6-16571-00-00 |
— | ||
|
21
|
21
90201-174E1-00 Washer, Plate (4V2) |
90201-174E1-00 |
from US $9.45 |
||
|
22
|
22
90560-17146-00 Spacer |
90560-17146-00 |
from US $20.26 |
||
|
23
|
23
90208-12015-00 Washer, Conical Spring |
90208-12015-00 |
from US $1.70 |
||
| replacement | |||||
|
23
|
23
902-08128-00-00 Washer, Conical Spring |
902-08128-00-00 |
US $2.20 |
||
|
24
|
24
901-79122-44-00
Nut
|
901-79122-44-00 |
— | ||
| replacement | |||||
|
24
|
24
90179-12659-00 Nut |
90179-12659-00 |
from US $1.70 |
||
|
25
|
25
904-30080-69-00
Gasket
|
904-30080-69-00 |
— | ||
| replacement | |||||
|
25
|
25
90430-08204-00 Gasket(3Aj) |
90430-08204-00 |
from US $1.34 |
||
|
26
|
26
90149-08108-00 Screw, Special Shape |
90149-08108-00 |
from US $7.79 |
||