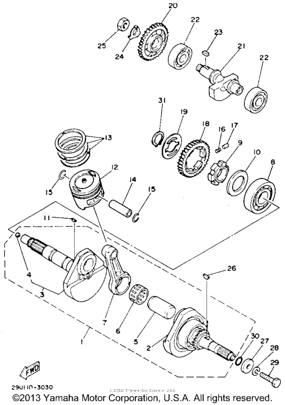
Crankshaft & Piston Diagram Yamaha TRI-MOTO Tri-Moto 225
- Model code
- YTM225DXK
- Engine Capacity
- 223
- Year
- 1983
- Sales region
- USA
- Stroke (2-stroke or 4-stroke)
- 4 stroke
- 2WD/4WD/AWD
- 2WD
- Model
- Tri-Moto 225
Difficulties in parts search?
Difficulties in parts search?
| Description | OEM Part # | Price | |||
|---|---|---|---|---|---|
|
1
|
1
29U-11400-01-00 Crankshaft Assy |
29U-11400-01-00 |
from US $610.52 |
||
| replacement | |||||
|
1
|
1
5XG-E1400-00-00 Crankshaft Assy |
5XG-E1400-00-00 |
from US $335.75 |
||
|
1
|
1
21V-16665-01-00
Retainer, Bearing
|
21V-16665-01-00 |
— | ||
|
1
|
1
99999-01954-00
Crankshaft Assembly
|
99999-01954-00 |
— | ||
| replacement | |||||
|
1
|
1
999-99999-99-00
Not Available
|
999-99999-99-00 |
— | ||
|
2
|
2
29U-W1141-00-00
Crank Sub Assy 1
|
29U-W1141-00-00 |
— | ||
| replacement | |||||
|
2
|
2
29U-11401-09-00
Crank Sub Assy 1
|
29U-11401-09-00 |
— | ||
|
3
|
3
29U-11422-00-00
Crank
|
29U-11422-00-00 |
— | ||
| replacements | |||||
|
3
|
3
999-99019-53-00
JOINT,CARBURETOR 1
|
999-99019-53-00 |
— | ||
|
3
|
3
999-99999-99-00
Not Available
|
999-99999-99-00 |
— | ||
|
4
|
4
90331-09041-00 Plug |
90331-09041-00 |
from US $3.24 |
||
|
5
|
5
5H0-11681-00-00 Pin, Crank 1 |
5H0-11681-00-00 |
from US $35.78 |
||
|
6
|
6
93310-530J3-00 Bearing |
93310-530J3-00 |
from US $27.78 |
||
|
7
|
7
29U-11651-00-00 Rod, Connecting |
29U-11651-00-00 |
from US $83.17 |
||
|
8
|
8
93306-30615-00 Bearing |
93306-30615-00 |
from US $28.78 |
||
|
9
|
9
59V-11496-00-00
Boss, Buffer (21V-11496-00)
21V-11496-00 |
59V-11496-00-00 |
— | ||
| replacement | |||||
|
9
|
9
999-99999-99-00
Not Available
21V-11496-00 |
999-99999-99-00 |
— | ||
|
10
|
10
90201-406F4-00 Washer, Plate |
90201-406F4-00 |
from US $9.21 |
||
|
11
|
11
90280-03017-00 Key, Woodruff |
90280-03017-00 |
from US $1.70 |
||
|
12
|
12
29U-11638-00-00 Piston 4 O/s 1.00O/S 1.00 Alt. Part |
29U-11638-00-00 |
US $165.37 |
||
|
12
|
12
29U-11636-00-00
Piston 2 O/s 0.50
O/S 0.50 Alt. Part |
29U-11636-00-00 |
— | ||
|
12
|
12
29U-11631-00-Y0
Piston Std
|
29U-11631-00-Y0 |
— | ||
|
13
|
13
29U-11610-00-00 Piston Ring Set (Std) |
29U-11610-00-00 |
from US $54.85 |
||
|
13
|
13
29U-11610-20-00 Piston Ring Set (0.50Mm O/s)0.50MM O/S Alt. Part |
29U-11610-20-00 |
US $64.30 |
||
|
13
|
13
29U-11633-00-00 Pin, Piston |
29U-11633-00-00 |
from US $32.02 |
||
|
13
|
13
29U-11610-40-00 Piston Ring Set (1.00Mm O/s)1.00MM O/S Alt. Part14 |
29U-11610-40-00 |
from US $61.67 |
||
| replacement | |||||
|
13
|
13
4BD-11610-00-00 Piston Ring Set (Std)1.00MM O/S Alt. Part14 |
4BD-11610-00-00 |
from US $73.87 |
||
|
15
|
15
93450-17044-00 Circlip |
93450-17044-00 |
from US $1.56 |
||
|
16
|
16
90501-21133-00 Spring, Compression |
90501-21133-00 |
from US $1.84 |
||
|
17
|
17
93605-10090-00 Pin, Dowel |
93605-10090-00 |
from US $1.84 |
||
|
18
|
18
5H0-11536-00-00 Gear, Drive (38T)38T |
5H0-11536-00-00 |
from US $56.65 |
||
|
19
|
19
90201-266F5-00
Washer, Plate
|
90201-266F5-00 |
— | ||
| replacement | |||||
|
19
|
19
999-99999-99-00
Not Available
|
999-99999-99-00 |
— | ||
|
20
|
20
5H0-11531-00-00 Gear, Balance Weight (38T)38T |
5H0-11531-00-00 |
from US $44.98 |
||
|
21
|
21
15A-11454-00-00 Weight 1 |
15A-11454-00-00 |
from US $45.30 |
||
|
22
|
22
93306-30427-00 Bearing (B6304A3) |
93306-30427-00 |
from US $26.78 |
||
| replacement | |||||
|
22
|
22
933-06304-43-00 Bearing (B6304A3) |
933-06304-43-00 |
from US $20.18 |
||
|
23
|
23
902-82050-13-00
Key, Straight
|
902-82050-13-00 |
— | ||
| replacement | |||||
|
23
|
23
902-82050-65-00 Key, Straight |
902-82050-65-00 |
from US $1.66 |
||
|
24
|
24
90215-14205-00 Washer, Lock |
90215-14205-00 |
from US $1.34 |
||
|
25
|
25
90170-14284-00 Nut |
90170-14284-00 |
from US $4.11 |
||
|
26
|
26
902-80160-53-00
Key, Woodruff(3Tb)
|
902-80160-53-00 |
— | ||
| replacement | |||||
|
26
|
26
90280-05001-00 Key, Woodruff |
90280-05001-00 |
from US $9.35 |
||
|
27
|
27
902-01107-F8-00
Washer, Plate
|
902-01107-F8-00 |
— | ||
| replacement | |||||
|
27
|
27
90201-10058-00 Washer, Plate |
90201-10058-00 |
from US $7.08 |
||
|
28
|
28
92990-10100-00 Ybs67-10 Washer, Spring |
92990-10100-00 |
from US $1.34 |
||
|
29
|
29
90101-10568-00 Bolt (21V) |
90101-10568-00 |
from US $4.53 |
||
|
30
|
30
93210-16290-00 O-Ring |
93210-16290-00 |
from US $1.70 |
||
|
31
|
31
99009-26400-00 Circlip |
99009-26400-00 |
from US $1.56 |
||