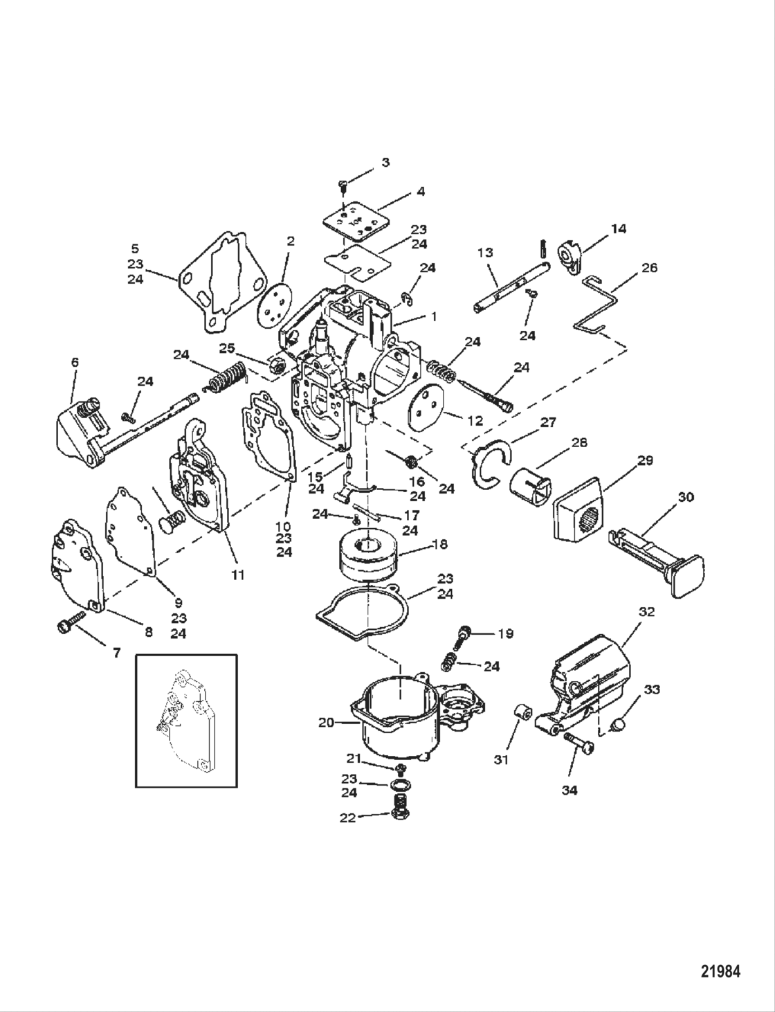
Carburetor Diagram Mercury-Mercruiser 15
- Power
- 15
- Stroke (2-stroke or 4-stroke)
- 2 stroke
- Country
- USA
- Серийный номер
- 0G044365 THRU 0G437999
- Серия
- Mariner
- Кол-в цилиндров
- 2
- Подача топлива
- Карбюратор
Difficulties in parts search?
Difficulties in parts search?
| Description | OEM Part # | Price | |||
|---|---|---|---|---|---|
|
1
|
1
823907A1
Carburetor
(WMC-38) |
823907A1 |
— | ||
| replacement | |||||
|
1
|
1
823907A2
Carburetor
(WMC-38) |
823907A2 |
— | ||
|
1
|
1
823907A2
Carburetor
(WMC-38A) |
823907A2 |
— | ||
|
2
|
2
815133
N.l.a.
|
815133 |
— | ||
|
3
|
3
9696 Screw |
9696 |
US $3.47 |
||
|
4
|
4
9699 Plate |
9699 |
US $12.86 |
||
|
5
|
5
192061 Gasket, carburetor |
192061 |
US $5.24 |
||
|
6
|
6
813022 New Genuine Part |
813022 |
US $61.22 |
||
|
7
|
7
9643 Screw, fuel pump cover |
9643 |
US $4 |
||
|
8
|
8
9637 Cover, fuel pump |
9637 |
US $32 |
||
|
9
|
9
9635 Diaphragm |
9635 |
US $56.27 |
||
|
10
|
10
9633 Gasket |
9633 |
US $4.40 |
||
|
11
|
11
15827A1
New Genuine Part
|
15827A1 |
— | ||
|
12
|
12
811806
Choke valve
|
811806 |
— | ||
|
13
|
13
8113541
Choke shaft
|
8113541 |
— | ||
|
14
|
14
811805
Choke lever
|
811805 |
— | ||
|
15
|
15
9855 Valve, inlet needle |
9855 |
US $26 |
||
| replacement | |||||
|
15
|
15
803861 Inlet needle valve |
803861 |
US $26 |
||
|
16
|
16
824401 Float lever |
824401 |
US $6.03 |
||
|
17
|
17
F10064 Shaft |
F10064 |
US $3.82 |
||
|
18
|
18
9169
Float
|
9169 |
— | ||
| replacement | |||||
|
18
|
18
91691 Float |
91691 |
US $12.29 |
||
|
19
|
19
811360
Screw, bowl drain
|
811360 |
— | ||
|
20
|
20
811353
Fuel bowl
|
811353 |
— | ||
|
21
|
21
19266038
New Genuine Part
|
19266038 |
— | ||
|
22
|
22
9171 Plug, jet retainer |
9171 |
US $7.78 |
||
|
23
|
23
97611 Gasket kit |
97611 |
US $85.78 |
||
|
24
|
24
8237072 Repair parts kit |
8237072 |
US $137.55 |
||
|
25
|
25
400213 Nut, stainless steel |
400213 |
US $2.43 |
||
|
26
|
26
817425 Link-choke |
817425 |
US $13.68 |
||
|
27
|
27
11278 Retaining clip |
11278 |
US $6.80 |
||
|
28
|
28
817426 New Genuine Part |
817426 |
US $13.46 |
||
|
29
|
29
172291 New Genuine Part |
172291 |
US $29.57 |
||
|
30
|
30
817424 Knob-choke |
817424 |
US $21.89 |
||
|
31
|
31
41750
New Genuine Part
|
41750 |
— | ||
| replacement | |||||
|
31
|
31
41750T
New Genuine Part
|
41750T |
— | ||
|
32
|
32
174421 COVER-CARB |
174421 |
US $23.44 |
||
|
33
|
33
47579 Plug, trim tab hole |
47579 |
US $1.39 |
||
|
34
|
34
40011110 Screw |
40011110 |
US $1.62 |
||
|
NI
|
NI
41670A94
Gasket Set
|
41670A94 |
— | ||
|
NI
|
NI
808618A94
New Genuine Part
[0G202749] & Below |
808618A94 |
— | ||
| replacement | |||||
|
NI
|
NI
879731T97
N.l.a.
[0G202749] & Below |
879731T97 |
— | ||
|
NI
|
NI
808618A95
New Genuine Part
[0G202750] & Up |
808618A95 |
— | ||
| replacement | |||||
|
NI
|
NI
879731T97
N.l.a.
[0G202750] & Up |
879731T97 |
— | ||